Запчасти Komatsu WA380-5 ОСНОВН. КОНСТРУКЦИЯ (ПРОВОДКА) (/) (ДЛЯ E.P.C. РЫЧАГ УПРАВЛ-Я И ПЕРЕКЛЮЧАТЕЛЬ НАСОС CUT-OFF) КАБИНА ОПЕРАТОРА И СИСТЕМА УПРАВЛЕНИЯ

Схема запчастей Komatsu WA380-5 - ОСНОВН. КОНСТРУКЦИЯ (ПРОВОДКА) (/) (ДЛЯ E.P.C. РЫЧАГ УПРАВЛ-Я И ПЕРЕКЛЮЧАТЕЛЬ НАСОС CUT-OFF) КАБИНА ОПЕРАТОРА И СИСТЕМА УПРАВЛЕНИЯ
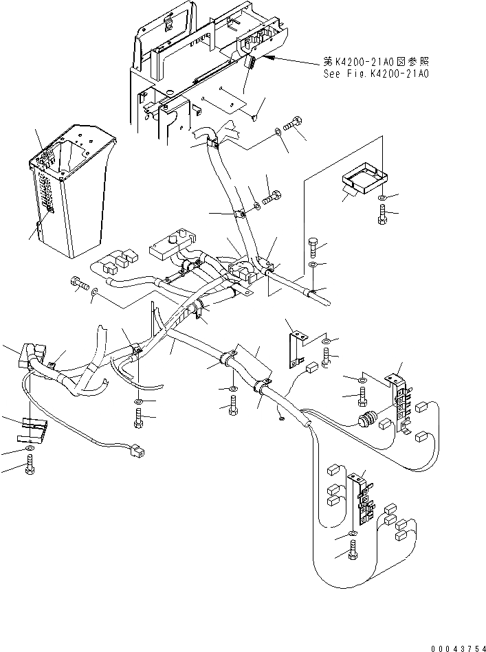
1
2
2
3
4
5
6
7
8
9
10
11
12
13
14
14
15
16
17
17
18
19
20
21
22
23
24
25
26
27
28
29
30
31
32
33
34
35
36
36
37
38
39
40
41
FIT
1:1
100%

Артикул

Название

Примечание

Количество

1

424-06-31113

WIRING HARNESS

SN: 61081-UP

1шт.

1

424-06-31112

WIRING HARNESS

SN: 60001-61080

1шт.

2

08192-24100

CONNECTOR

SN: 60001-UP

1шт.

3

363-54-32220

PLUG

SN: 60001-UP

1шт.

4

423-06-31141

BRACKET

SN: 60001-UP

1шт.

5

01010-81020

BOLT

SN: 60001-UP

2шт.

6

01643-31032

WASHER

SN: 60001-UP

2шт.

7

423-06-31152

BRACKET

SN: 60001-UP

1шт.

8

01010-81020

BOLT

SN: 60001-UP

2шт.

9

01643-31032

WASHER

SN: 60001-UP

2шт.

10

423-06-31161

BRACKET

SN: 60001-UP

1шт.

11

01010-81020

BOLT

SN: 60001-UP

2шт.

12

01643-31032

WASHER

SN: 60001-UP

2шт.

13

155-61-15350

CLIP

SN: 60001-UP

2шт.

14

22M-62-13660

CUSHION

SN: 60001-UP

2шт.

15

01010-81020

BOLT

SN: 60001-UP

2шт.

16

01643-31032

WASHER

SN: 60001-UP

2шт.

17

04434-53411

CLIP

SN: 60001-UP

2шт.

18

01010-81020

BOLT

SN: 60001-UP

2шт.

19

01643-31032

WASHER

SN: 60001-UP

2шт.

20

42C-06-11281

SHEET

SN: 60001-UP

1шт.

21

42C-06-11290

PLATE

SN: 60001-UP

1шт.

22

01010-80612

BOLT

SN: 60001-UP

2шт.

23

01643-30623

WASHER

SN: 60001-UP

2шт.

24

423-06-31210

SHEET

SN: 60001-UP

1шт.

25

421-06-32541

SHEET

SN: 60001-UP

1шт.

26

42C-06-11250

PLATE

SN: 60001-UP

2шт.

27

01010-80612

BOLT

SN: 60001-UP

4шт.

28

01643-30623

WASHER

SN: 60001-UP

4шт.

29

281-01-13180

CLIP

SN: 60001-UP

1шт.

30

01010-81016

BOLT

SN: 60001-UP

1шт.

31

01643-31032

WASHER

SN: 60001-UP

1шт.

32

561-03-62650

CLIP

SN: 60001-UP

1шт.

33

423-06-32330

RUBBER

SN: 60001-UP

1шт.

34

01010-81020

BOLT

SN: 60001-UP

1шт.

35

01643-31032

WASHER

SN: 60001-UP

1шт.

36

04434-51910

CLIP

SN: 60001-UP

2шт.

37

01010-81025

BOLT

SN: 60001-UP

2шт.

38

01643-31032

WASHER

SN: 60001-UP

2шт.

39

04434-52511

CLIP

SN: 60001-UP

1шт.

40

01010-81020

BOLT

SN: 60001-UP

1шт.

41

01643-31032

WASHER

SN: 60001-UP

1шт.

Выбрано товаров: 42