Запчасти Komatsu WA380-5 РУКОЯТЬ И BELL CRANK (ЭЛЕМЕНТЫ КРЕПЛЕНИЯ) РАБОЧЕЕ ОБОРУДОВАНИЕ

Схема запчастей Komatsu WA380-5 - РУКОЯТЬ И BELL CRANK (ЭЛЕМЕНТЫ КРЕПЛЕНИЯ) РАБОЧЕЕ ОБОРУДОВАНИЕ
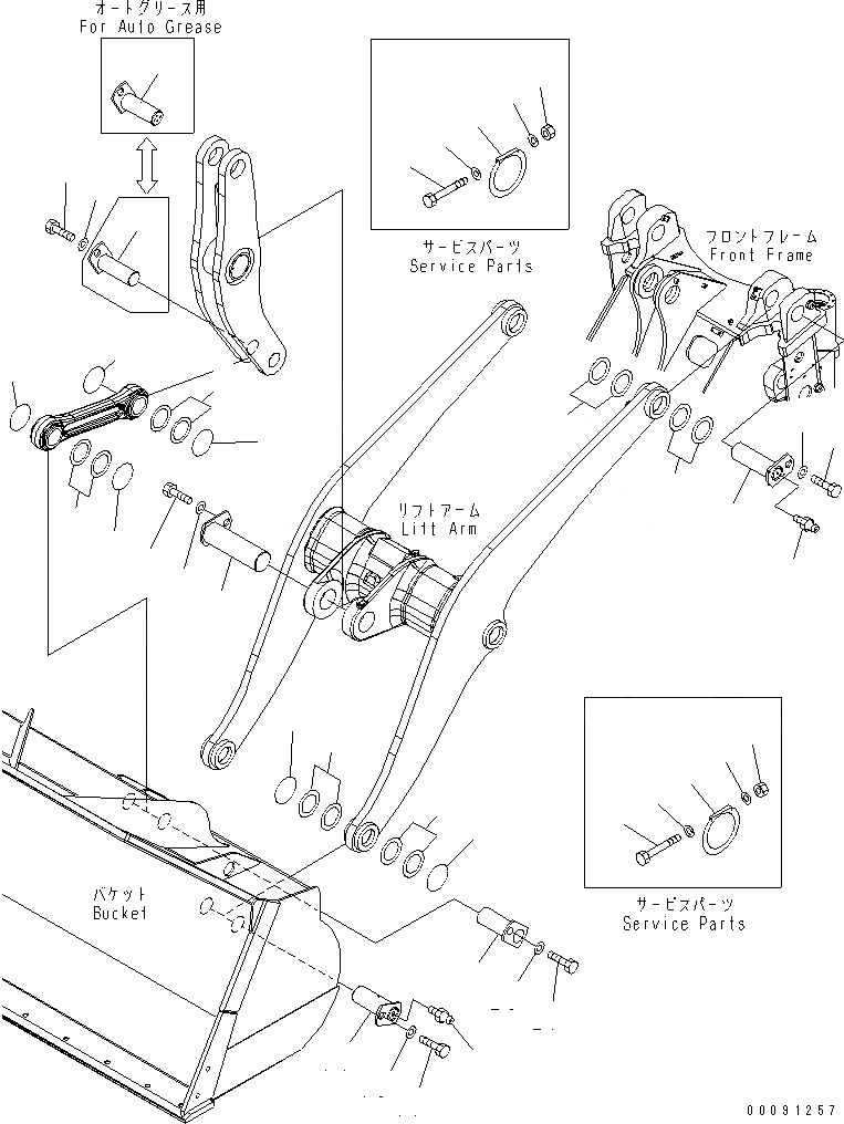
1
2
3
4
4
5
6
6
7
8
9
10
11
11
12
13
14
15
15
16
16
17
18
19
20
21
21
22
23
24
25
26
26
27
28
29
30
30
31
32
FIT
1:1
100%

Артикул

Название

Примечание

Количество

1

424-70-11960

PIN

SN: 60001-UP

1шт.

2

01010-81630

BOLT

SN: 60001-UP

1шт.

3

421-70-11280

WASHER

SN: 60001-UP

1шт.

4

424-70-11720

PIN

SN: 60001-UP

1шт.

4

423-S95-2921

PIN,AUTO GREASE

SN: 60001-UP

1шт.

5

423-70-11711

SHIM, 1.5MM

SN: 62319-UP

1шт.

5

423-70-11811

SHIM, 3.0MM

SN: 62319-UP

1шт.

6

0

O-RING

SN: 60001-UP

2шт.

7

01010-81630

BOLT

SN: 60001-UP

1шт.

8

421-70-11280

WASHER

SN: 60001-UP

1шт.

9

424-70-11712

PIN

SN: 60001-UP

2шт.

10

07020-00675

FITTING,GREASE

SN: 60001-UP

2шт.

11

423-70-11781

SHIM, 1.5MM

SN: 60001-UP

2шт.

11

423-70-11881

SHIM, 3.0MM

SN: 60001-UP

4шт.

11

423-70-41960

SHIM, 1.0MM

SN: 60001-UP

2шт.

12

01010-81630

BOLT

SN: 60001-UP

2шт.

13

421-70-11280

WASHER

SN: 60001-UP

2шт.

14

424-70-11910

PIN

SN: 60001-UP

2шт.

15

423-70-11711

SHIM, 1.5MM

SN: 60001-UP

2шт.

15

423-70-11811

SHIM, 3.0MM

SN: 60001-UP

2шт.

16

0

O-RING

SN: 60001-UP

4шт.

17

01010-81630

BOLT

SN: 60001-UP

2шт.

18

421-70-11280

WASHER

SN: 60001-UP

2шт.

19

07020-00000

FITTING,GREASE

SN: 60001-UP

2шт.

20

01596-00606

NUT,SERVICE PARTS

SN: 60001-UP

4шт.

21

01641-20608

WASHER,SERVICE PARTS

SN: 60001-UP

8шт.

22

236-46-13620

BOLT,SERVICE PARTS

SN: 60001-UP

4шт.

23

421-70-11410

O-RING,SERVICE PARTS

SN: 60001-UP

4шт.

24

424-70-11922

PIN

SN: 60001-UP

1шт.

25

423-70-11711

SHIM, 1.5MM

SN: 60001-UP

1шт.

25

423-70-11811

SHIM, 3.0MM

SN: 60001-UP

1шт.

26

0

O-RING

SN: 60001-UP

2шт.

27

01010-81630

BOLT

SN: 60001-UP

1шт.

28

421-70-11280

WASHER

SN: 60001-UP

1шт.

29

01596-00606

NUT,SERVICE PARTS

SN: 60001-UP

4шт.

30

01641-20608

WASHER,SERVICE PARTS

SN: 60001-UP

8шт.

31

236-46-13620

BOLT,SERVICE PARTS

SN: 60001-UP

4шт.

32

421-70-11410

O-RING,SERVICE PARTS

SN: 60001-UP

4шт.

Выбрано товаров: 0