Запчасти Komatsu WA380-5 ГИДРОТРАНСФОРМАТОР И ТРАНСМИССИЯ (МОНТАЖНЫЙ КАРКАС) СИЛОВАЯ ПЕРЕДАЧА

Схема запчастей Komatsu WA380-5 - ГИДРОТРАНСФОРМАТОР И ТРАНСМИССИЯ (МОНТАЖНЫЙ КАРКАС) СИЛОВАЯ ПЕРЕДАЧА
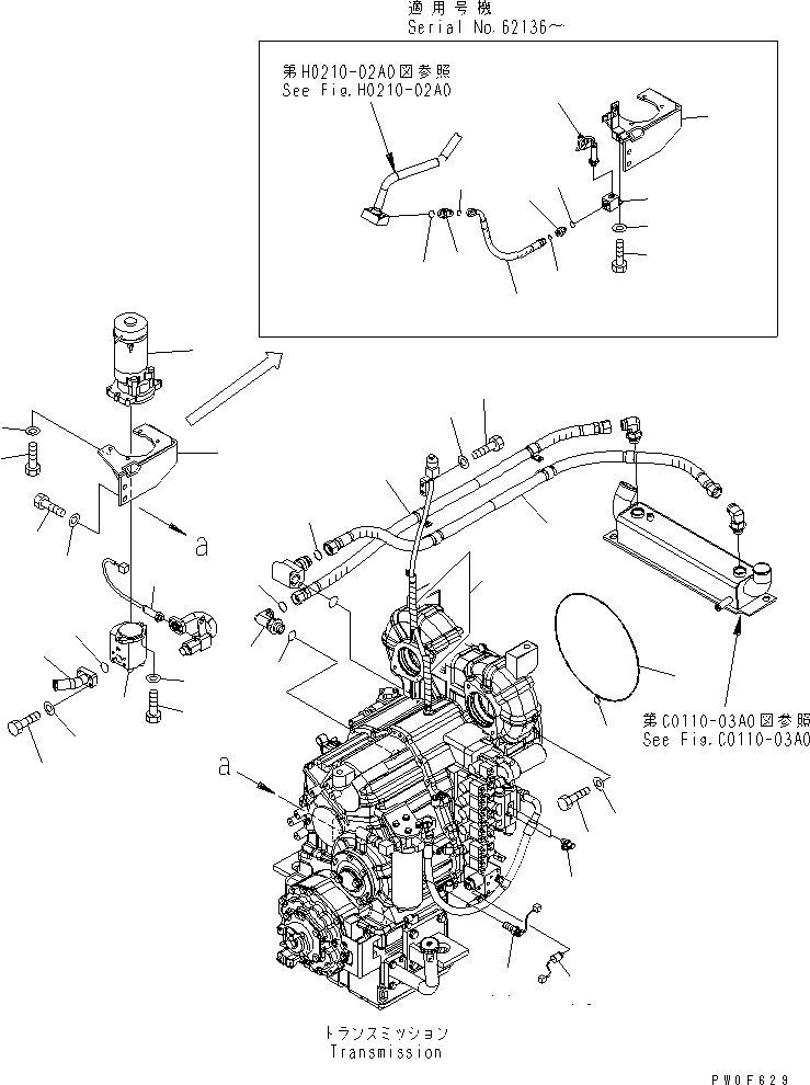
1
2
3
4
5
6
7
8
9
9
10
11
12
13
14
15
16
17
18
19
20
21
22
22
23
24
25
26
27
28
28
29
30
31
32
33
34
35
36
37
38
39
FIT
1:1
100%

Артикул

Название

Примечание

Количество

|$$1

SERIAL NO. IN ( ) INDICATES TRANSMISSION SERIAL NO.

-1шт.

1

01010-61040

BOLT

SN: 60001-UP

12шт.

2

01643-31032

WASHER

SN: 60001-UP

12шт.

3

424-13-11110

O-RING

SN: 60001-UP

1шт.

4

07000-12012

O-RING

SN: (10320)-UP

1шт.

5

423-09-31211

HOSE, 1780MM

SN: 62223-UP

1шт.

5

0

HOSE, 1780MM

SN: 60001-62222

1шт.

6

423-09-31221

HOSE, 1430MM

SN: 62223-UP

1шт.

6

0

HOSE, 1430MM

SN: 60001-62222

1шт.

7

421-09-31210

ELBOW

SN: 60001-UP

1шт.

8

07002-23334

O-RING

SN: 60001-UP

1шт.

9

421-09-31140

O-RING

SN: 60001-UP

2шт.

10

42C-43-12941

SWITCH,PRESSURE

SN: 60001-UP

1шт.

11

7861-93-2330

SENSOR

SN: 60001-UP

1шт.

12

01010-81020

BOLT

SN: 60001-UP

2шт.

13

01643-31032

WASHER

SN: 60001-UP

2шт.

14

08210-01802

SPIRAL TUBE

SN: 60001-UP

2шт.

15

195-49-36120

NIPPLE

SN: 60001-62345

2шт.

16

421-62-32700

MOTOR ASS'Y

SN: 60001-UP

1шт.

17

01010-81035

BOLT

SN: 60001-UP

4шт.

18

01643-31032

WASHER

SN: 60001-UP

4шт.

19

705-40-01020

PUMP ASS'Y,EMERGENCY STEERING

SN: 60001-UP

1шт.

20

01010-81030

BOLT

SN: 60001-UP

2шт.

21

01643-31032

WASHER

SN: 60001-UP

2шт.

22

423-62-32141

BRACKET

SN: 62136-UP

1шт.

22

423-62-32140

BRACKET

SN: 60001-62135

1шт.

23

01010-81640

BOLT

SN: 60001-UP

2шт.

24

01643-31645

WASHER

SN: 60001-UP

2шт.

25

424-62-32140

NIPPLE

SN: 62136-UP

1шт.

26

415-62-11560

O-RING

SN: 62136-UP

1шт.

27

424-62-32150

HOSE, 325MM

SN: 62136-UP

1шт.

28

02896-11008

O-RING

SN: 62136-UP

2шт.

29

20Y-62-41970

NIPPLE

SN: 62136-UP

1шт.

30

07002-11423

O-RING

SN: 62136-UP

1шт.

31

424-62-32160

ELBOW

SN: 62136-UP

1шт.

32

01010-81016

BOLT

SN: 62136-UP

1шт.

33

01643-31032

WASHER

SN: 62136-UP

1шт.

34

08034-20519

BAND

SN: 62136-UP

1шт.

35

421-06-35111

SWITCH,PRESSURE

SN: 60001-UP

1шт.

36

423-62-32130

TUBE

SN: 60001-UP

1шт.

37

07000-13032

O-RING

SN: 60001-UP

1шт.

38

07372-21040

BOLT

SN: 60001-UP

4шт.

39

01643-31032

WASHER

SN: 60001-UP

4шт.

Выбрано товаров: 43