Запчасти Komatsu WA380-5 РУКОЯТЬ И КОЛЕНЧАТЫЙ РЫЧАГ (С 3-Х СЕКЦ. КОНТР. КЛАПАНОМ) (P.A.P) РАБОЧЕЕ ОБОРУДОВАНИЕ

Схема запчастей Komatsu WA380-5 - РУКОЯТЬ И КОЛЕНЧАТЫЙ РЫЧАГ (С 3-Х СЕКЦ. КОНТР. КЛАПАНОМ) (P.A.P) РАБОЧЕЕ ОБОРУДОВАНИЕ
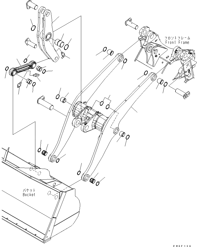
1
1
2
2
3
3
4
5
5
5
5
6
6
6
6
6
6
6
7
8
9
9
10
11
12
12
13
13
13
13
14
14
FIT
1:1
100%

Артикул

Название

Примечание

Количество

|1

423-904-3761

BOOM ASS'Y

SN: 60202-UP

1шт.

|1

423-904-3760

BOOM ASS'Y

SN: 60001-60201

1шт.

1

423-70-21810

BUSHING

SN: 60001-UP

2шт.

2

424-70-11770

BUSHING

SN: 60001-UP

2шт.

3

424-70-11890

BUSHING

SN: 60001-UP

2шт.

4

0

BOOM

SN: 60001-UP

1шт.

5

424-09-12320

SEAL,DUST

SN: 60001-UP

4шт.

6

421-09-11310

SEAL,DUST

SN: 60001-UP

8шт.

|7

423-70-31202

BELLCRANK ASS'Y

SN: 60304-UP

1шт.

|7

423-70-31201

BELLCRANK ASS'Y

SN: 60001-60303

1шт.

7

0

BELLCRANK

SN: 60304-UP

1шт.

|7

0

BELLCRANK

SN: 60001-60303

1шт.

8

424-70-11860

BUSHING

SN: 60001-UP

1шт.

9

421-09-11350

SEAL,DUST

SN: 60001-UP

2шт.

10

07020-00900

FITTING,GREASE

SN: 60001-UP

1шт.

|11

423-70-31300

LINK ASS'Y

SN: 60001-UP

1шт.

11

0

LINK

SN: 60001-UP

1шт.

12

424-70-11820

BUSHING

SN: 60001-UP

2шт.

13

424-09-12320

SEAL,DUST

SN: 60001-UP

4шт.

14

07020-00000

FITTING,GREASE

SN: 60001-UP

2шт.

Выбрано товаров: 0