Запчасти Komatsu WA380-5 ОТВАЛ (НЕСУЩИЙ ЭЛЕМЕНТ) (С SHOCK CANCEL ОТВАЛ)(№-7) РАБОЧЕЕ ОБОРУДОВАНИЕ

Схема запчастей Komatsu WA380-5 - ОТВАЛ (НЕСУЩИЙ ЭЛЕМЕНТ) (С SHOCK CANCEL ОТВАЛ)(№-7) РАБОЧЕЕ ОБОРУДОВАНИЕ
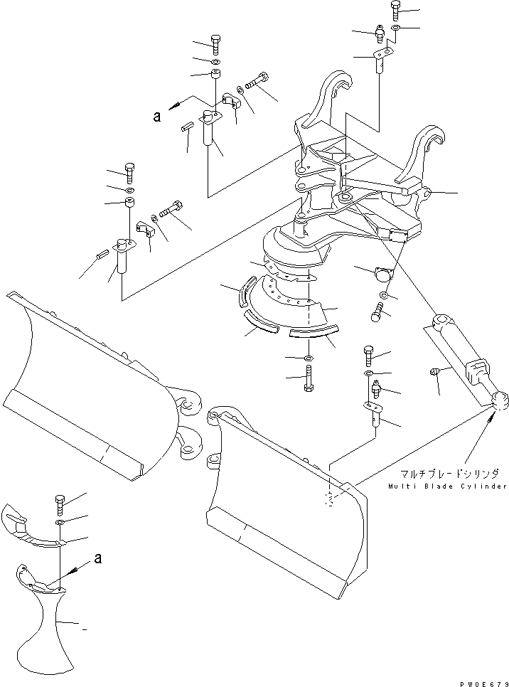
1
2
3
4
5
6
6
7
7
8
8
9
9
10
10
11
11
12
12
13
13
14
15
16
17
18
19
20
21
22
23
24
24
25
25
26
26
27
27
28
FIT
1:1
100%

Артикул

Название

Примечание

Количество

1

423-S72-1151

CARRIER

SN: 60001-60174

1шт.

2

418-S72-1130

COVER

SN: 60001-@

1шт.

3

419-S72-1131

COVER,UPPER

SN: 60001-60174

1шт.

4

01010-81230

BOLT

SN: 60001-@

3шт.

5

01643-31232

WASHER

SN: 60001-@

3шт.

6

419-S72-1180

BLOCK

SN: 60001-@

2шт.

7

04025-01280

PIN,SPRING

SN: 60001-@

2шт.

8

01010-81265

BOLT

SN: 60001-@

4шт.

9

01643-31232

WASHER

SN: 60001-@

4шт.

10

419-S72-1161

PIN

SN: 60001-@

2шт.

11

419-S72-2410

BUSHING

SN: 60001-@

2шт.

12

175-54-34170

WASHER

SN: 60001-@

2шт.

13

01010-81230

BOLT

SN: 60001-@

2шт.

14

419-S72-1210

PLATE

SN: 60001-@

1шт.

15

419-S72-1141

EDGE

SN: 60001-60174

1шт.

16

419-S72-1270

EDGE,(SERVICE PARTS) (WELDED)

SN: 60001-60174

1шт.

17

419-S72-1280

EDGE,(SERVICE PARTS) (WELDED)

SN: 60001-60174

1шт.

18

419-S72-1290

EDGE,(SERVICE PARTS) (WELDED)

SN: 60001-60174

1шт.

19

01010-82070

BOLT

SN: 60001-@

7шт.

20

01643-32060

WASHER

SN: 60001-@

7шт.

21

418-S72-1191

STOPPER

SN: 60001-@

2шт.

22

01010-81230

BOLT

SN: 60001-@

8шт.

23

01643-31232

WASHER

SN: 60001-@

8шт.

24

418-70-11990

PIN

SN: 60001-@

4шт.

25

421-70-11280

WASHER

SN: 60001-@

4шт.

26

01010-81635

BOLT

SN: 60001-@

4шт.

27

07020-00000

FITTING,GREASE

SN: 60001-@

4шт.

28

07042-20108

PLUG

SN: 60001-60174

4шт.

Выбрано товаров: 28