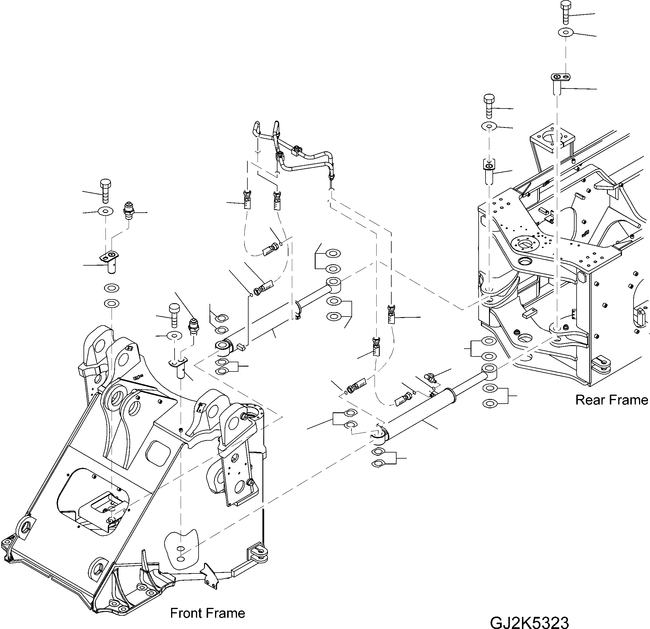
Запчасти Komatsu WA380-5 ЦИЛИНДР РУЛЕВ. УПР-Я (ПАТРУБКИ ЦИЛИНДРА РУЛЕВ. УПРАВЛ-Я) J ОСНОВНАЯ РАМА И ЕЕ ЧАСТИ

Схема запчастей Komatsu WA380-5 - ЦИЛИНДР РУЛЕВ. УПР-Я (ПАТРУБКИ ЦИЛИНДРА РУЛЕВ. УПРАВЛ-Я) J ОСНОВНАЯ РАМА И ЕЕ ЧАСТИ
7
8
6
7
8
6
7
4
11
8
5
9
3
6
5
11
10
7
4
8
9
1
9
3
10
12
2
5
5
6
9
1
10
10
FIT
1:1
100%

Артикул

Название

Примечание

Количество

1

423-63-H1200

CYLINDER

SN: H50051-UP

2шт.

|$2

707-00-0A340

STEERING CYLINDER ALTERNATIV

SN: H50051-UP

2шт.

2

07040-11007

PLUG

SN: H50051-UP

1шт.

3

02765-004A5

HOSE

SN: H50051-UP

2шт.

4

02765-00405

HOSE

SN: H50051-UP

2шт.

5

02896-11012

O-RING

SN: H50051-UP

4шт.

6

423-46-21180

PIN

SN: H50051-UP

1шт.

7

01010-81220

BOLT

SN: H50051-UP

4шт.

8

175-54-34170

WASHER

SN: H50051-UP

4шт.

9

416-70-11351

SHIM

SN: H50763-UP

8шт.

|$11

416-70-11350

SHIM

SN: H50051-H50762

8шт.

|$12

424-46-12541

SHIM, 0.5MM

SN: H50763-UP

8шт.

|$13

424-46-12540

SHIM

SN: H50051-H50762

8шт.

10

423-46-22171

SHIM

SN: H50763-UP

8шт.

|$15

423-46-22170

SHIM

SN: H50051-H50762

8шт.

|$16

423-46-22181

SHIM, 0.5MM

SN: H50763-UP

8шт.

|$17

423-46-22180

SHIM

SN: H50051-H50762

8шт.

11

423-09-12110

CONNECTOR

SN: H50051-UP

2шт.

12

07002-11023

O-RING

SN: H50051-UP

1шт.

Выбрано товаров: 19