Запчасти Komatsu WA380-5 ОСНОВН. КОНСТРУКЦИЯ (УПРАВЛЕНИЕ ПОГРУЗКОЙ) K OPERATORґS ОБСТАНОВКА И СИСТЕМА УПРАВЛЕНИЯ

Схема запчастей Komatsu WA380-5 - ОСНОВН. КОНСТРУКЦИЯ (УПРАВЛЕНИЕ ПОГРУЗКОЙ) K OPERATORґS ОБСТАНОВКА И СИСТЕМА УПРАВЛЕНИЯ
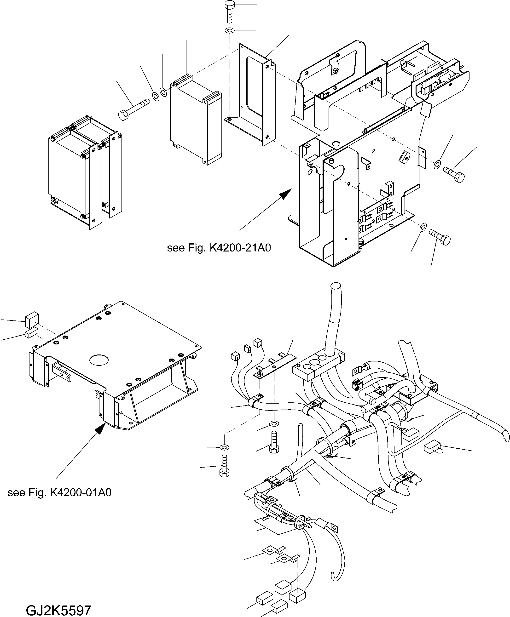
6
5
1
7
11
13
4
3
2
9
8
7
6
20
14
19
11
17
16
23
15
17
12
10
17
18
21
22
FIT
1:1
100%

Артикул

Название

Примечание

Количество

1

7823-33-2006

CONTROLLER

SN: H50389-UP

1шт.

|$2

7823-33-2005

CONTROLLER

SN: H50051-H50388

1шт.

2

419-70-11490

BOLT

SN: H50051-UP

4шт.

3

01643-30623

WASHER

SN: H50051-UP

4шт.

4

01643-31032

WASHER

SN: H50051-UP

4шт.

5

421-06-32111

BRACKET

SN: H50051-UP

1шт.

6

01010-81020

BOLT

SN: H50051-UP

2шт.

7

01643-31032

WASHER

SN: H50051-UP

2шт.

8

01010-81020

BOLT

SN: H50051-UP

1шт.

9

01643-31032

WASHER

SN: H50051-UP

1шт.

10

424-06-31172

WIRING HARNESS

SN: H50051-UP

1шт.

11

04434-52310

CLIP

SN: H50051-UP

2шт.

12

01010-81020

BOLT

SN: H50051-UP

1шт.

13

01643-31032

WASHER

SN: H50051-UP

1шт.

14

424-06-31120

BRACKET

SN: H50051-UP

1шт.

15

01010-81020

BOLT

SN: H50051-UP

1шт.

16

01643-31032

WASHER

SN: H50051-UP

1шт.

17

08034-20834

BAND

SN: H50051-UP

6шт.

18

08034-40521

BAND

SN: H50051-UP

2шт.

19

08192-29104

CONNECTOR

SN: H50051-UP

1шт.

20

08192-28103

CONNECTOR

SN: H50051-UP

1шт.

21

08192-22100

CONNECTOR

SN: H50051-UP

1шт.

22

08192-26100

CONNECTOR

SN: H50051-UP

1шт.

23

421-06-31410

WIRING HARNESS

SN: H50051-UP

1шт.

Выбрано товаров: 24