Запчасти Komatsu WA380-5 БЛОК ЦИЛИНДРОВ AA ДВИГАТЕЛЬ

Схема запчастей Komatsu WA380-5 - БЛОК ЦИЛИНДРОВ AA ДВИГАТЕЛЬ
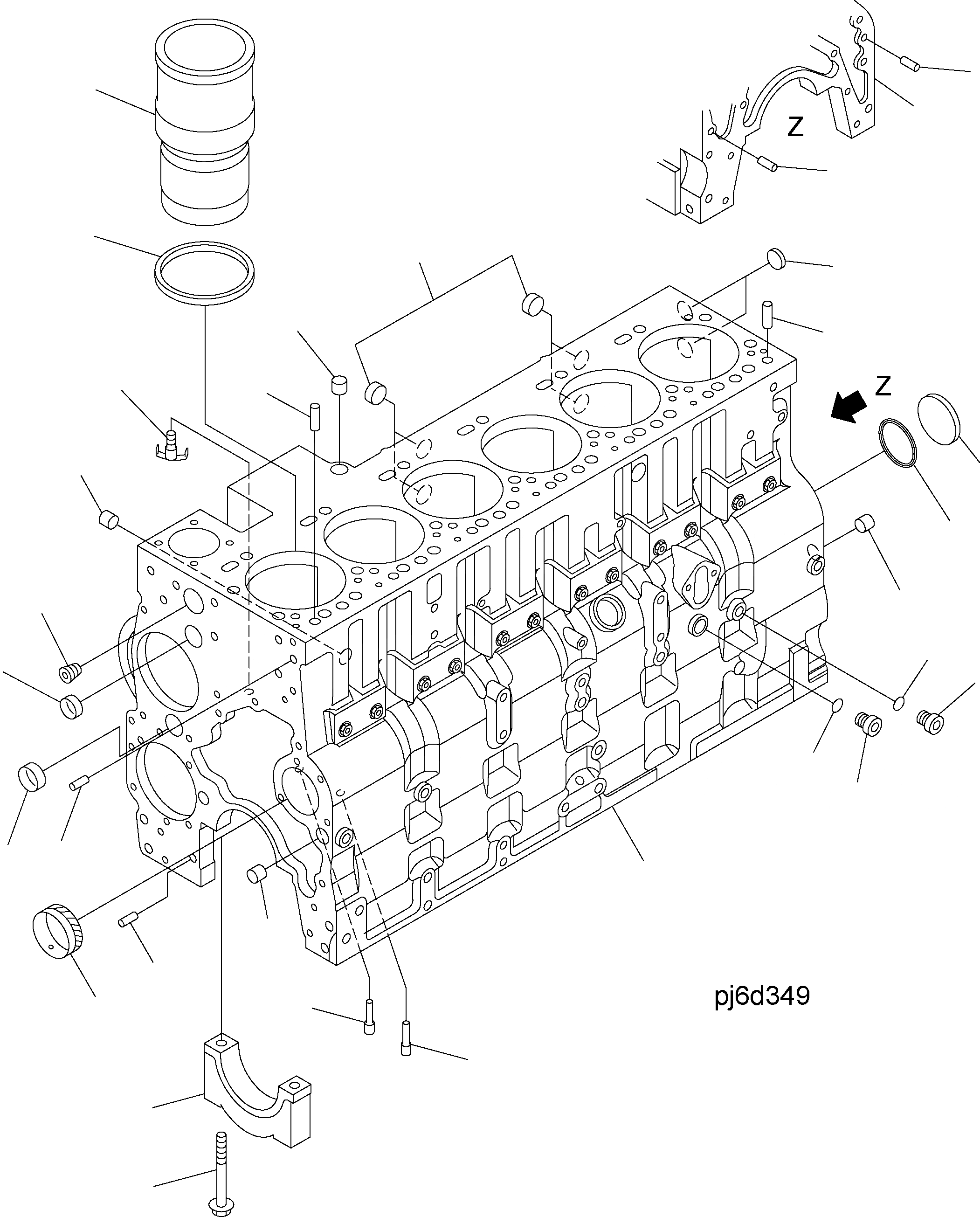
11
8
1
11
9
4
21
3
11
13
11
3
19
20
14
3
16
2
15
18
17
10
2
1
3
10
12
5
12
6
7
FIT
1:1
100%

Артикул

Название

Примечание

Количество

|$1

6741-21-1190

KIT

SN: 26800003-UP

1шт.

|$2

0

CYLINDER BLOCK ASSEMBLY

SN: 26803329-UP

1шт.

|$3

0

CYLINDER BLOCK ASSEMBLY

SN: 26801836-26803328

1шт.

|$4

0

CYLINDER BLOCK ASSEMBLY

SN: 26800003-26801835

1шт.

1

6741-21-1123

BLOCK

SN: 26803329-UP

1шт.

|$6

0

BLOCK

SN: 26801836-26803328

1шт.

|$7

0

BLOCK

SN: 26800003-26801835

1шт.

2

6742-01-1360

PLUG

SN: 26800003-UP

2шт.

3

6742-01-1370

PLUG

SN: 26800003-UP

4шт.

4

6742-01-1420

PLUG

SN: 26800003-UP

4шт.

5

6742-01-5160

BUSHING

SN: 26800003-UP

7шт.

6

0

CAP

SN: 26803329-UP

7шт.

|$13

0

CAP

SN: 26800003-26803328

7шт.

7

6741-21-1140

BOLT

SN: 26803329-UP

14шт.

|$15

0

BOLT

SN: 26800003-26803328

14шт.

|$16

6742-01-5159

LINER KIT

SN: 26800003-UP

6шт.

8

0

LINER

SN: 26800003-UP

1шт.

9

6742-01-1520

SEA

SN: 26800003-UP

1шт.

|$19

6741-21-1290

KIT

SN: 26800003-UP

1шт.

10

6732-21-6120

PIN

SN: 26800003-UP

2шт.

11

6742-01-1470

PIN

SN: 26800003-UP

4шт.

12

0

NOZZLE

SN: 26800003-UP

12шт.

13

6216-94-3450

COCK

SN: 26800003-UP

1шт.

14

6742-01-1460

PLUG

SN: 26800003-UP

1шт.

|$25

6732-21-1960

PLUG ASSEMBLY

SN: 26800003-UP

6шт.

15

6215-81-9510

PLUG

SN: 26800003-UP

1шт.

16

6215-81-9710

O-RING

SN: 26800003-UP

1шт.

|$28

6735-21-1910

PLUG ASSEMBLY

SN: 26800003-UP

2шт.

17

6735-21-1920

PLUG

SN: 26800003-UP

1шт.

18

6735-21-1930

O-RING

SN: 26800003-UP

1шт.

19

6742-01-1480

PLUG

SN: 26800003-UP

1шт.

20

6742-01-4080

O-RING

SN: 26800003-UP

1шт.

21

6742-01-1380

PLUG

SN: 26800003-UP

2шт.

Выбрано товаров: 0