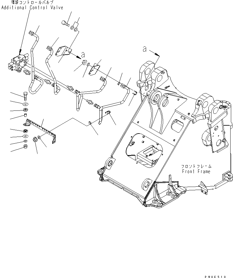
Запчасти Komatsu WA380-5-SN ГИДРОЛИНИЯ (ТРУБКА) (С ДОПОЛН. 2-Х СЕКЦИОНН. КЛАПАН) ГИДРАВЛИКА

Схема запчастей Komatsu WA380-5-SN - ГИДРОЛИНИЯ (ТРУБКА) (С ДОПОЛН. 2-Х СЕКЦИОНН. КЛАПАН) ГИДРАВЛИКА
1
2
3
4
5
6
7
8
9
9
10
11
12
13
14
15
16
17
18
19
20
21
22
23
24
FIT
1:1
100%

Артикул

Название

Примечание

Количество

1

423-V88-3430

TUBE

SN: 60001-UP

1шт.

2

423-V88-3440

TUBE

SN: 60001-UP

1шт.

3

423-V88-3450

TUBE

SN: 60001-UP

1шт.

4

423-V88-3460

TUBE

SN: 60001-UP

1шт.

5

423-877-2210

BRACKET

SN: 60001-UP

1шт.

6

419-43-17930

CUSHION

SN: 60001-UP

2шт.

7

417-54-13470

SPACER

SN: 60001-UP

2шт.

8

415-64-13130

CUSHION

SN: 60001-UP

2шт.

9

415-64-13120

WASHER

SN: 60001-UP

4шт.

10

01010-81050

BOLT

SN: 60001-UP

2шт.

11

01580-11008

NUT

SN: 60001-UP

1шт.

12

01643-31032

WASHER

SN: 60001-UP

1шт.

13

07283-32746

CLIP

SN: 60001-UP

4шт.

14

07283-52737

SEAT

SN: 60001-UP

4шт.

15

01643-31032

WASHER

SN: 60001-UP

8шт.

16

01597-01009

NUT

SN: 60001-UP

8шт.

17

423-V88-3470

PLATE,L.H.

SN: 60001-UP

1шт.

18

423-V88-3480

PLATE,R.H.

SN: 60001-UP

1шт.

19

01010-81025

BOLT

SN: 60001-UP

4шт.

20

01643-31032

WASHER

SN: 60001-UP

8шт.

21

07283-32738

CLIP

SN: 60001-UP

4шт.

22

07283-52737

SEAT

SN: 60001-UP

4шт.

23

01643-31032

WASHER

SN: 60001-UP

8шт.

24

01597-01009

NUT

SN: 60001-UP

8шт.

Выбрано товаров: 24