Запчасти Komatsu WA380-5-SN ОТВАЛ (S.P.A.P.) (БОКОВ. СДВИГ ЛИНИЯ ЦИЛИНДРА) (С СОЕДИНИТ. УСТР-ВО) РАБОЧЕЕ ОБОРУДОВАНИЕ

Схема запчастей Komatsu WA380-5-SN - ОТВАЛ (S.P.A.P.) (БОКОВ. СДВИГ ЛИНИЯ ЦИЛИНДРА) (С СОЕДИНИТ. УСТР-ВО) РАБОЧЕЕ ОБОРУДОВАНИЕ
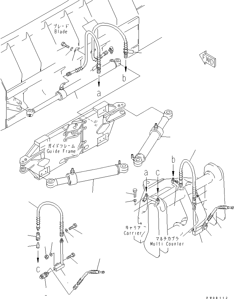
1
1
2
2
3
4
5
6
7
8
8
9
9
10
11
12
12
13
14
15
16
17
18
19
20
21
22
22
23
24
25
FIT
1:1
100%

Артикул

Название

Примечание

Количество

1

423-915-1271

HOSE

SN: 60001-UP

2шт.

2

41H-62-13300

JOINT,SWIVEL

SN: 60001-UP

2шт.

3

423-915-1251

TUBE,L.H.

SN: 60001-UP

1шт.

4

423-915-1261

TUBE,R.H.

SN: 60001-UP

1шт.

5

01010-81045

BOLT

SN: 60001-UP

4шт.

6

01643-31032

WASHER

SN: 60001-UP

4шт.

7

01596-01009

NUT

SN: 60001-UP

4шт.

8

423-915-1240

HOSE

SN: 60001-UP

2шт.

9

581-04-22290

CLIP

SN: 60001-UP

2шт.

10

01010-81016

BOLT

SN: 60001-UP

2шт.

11

01643-31032

WASHER

SN: 60001-UP

2шт.

|12

423-915-1310

JOINT ASS'Y

SN: 60001-UP

2шт.

12

423-915-1320

ADAPTER

SN: 60001-UP

1шт.

13

423-915-1330

COUPLING

SN: 60001-UP

1шт.

14

423-915-1210

TUBE,L.H.

SN: 60001-UP

1шт.

15

423-915-1230

TUBE,R.H.

SN: 60001-UP

1шт.

16

01010-81020

BOLT

SN: 60001-UP

4шт.

17

01643-31032

WASHER

SN: 60001-UP

4шт.

18

07123-20615

HOSE

SN: 60001-UP

2шт.

19

423-905-1390

CLAMP

SN: 60001-UP

2шт.

20

01010-80816

BOLT

SN: 60001-UP

4шт.

21

01602-20825

WASHER,SPRING

SN: 60001-UP

4шт.

22

08034-20536

BAND

SN: 60001-UP

4шт.

23

707-00-X7620

CYLINDER GROUP,L.H.

SN: 60001-UP

1шт.

24

707-00-X7630

CYLINDER GROUP,R.H.

SN: 60001-UP

1шт.

25

707-00-X7680

CYLINDER GROUP

SN: 60001-UP

1шт.

Выбрано товаров: 26