Запчасти Komatsu WA380-5-SN ГИДРОТРАНСФОРМАТОР И ТРАНСМИССИЯ (МОНТАЖНЫЙ КАРКАС) ТРАНСМИССИЯ

Схема запчастей Komatsu WA380-5-SN - ГИДРОТРАНСФОРМАТОР И ТРАНСМИССИЯ (МОНТАЖНЫЙ КАРКАС) ТРАНСМИССИЯ
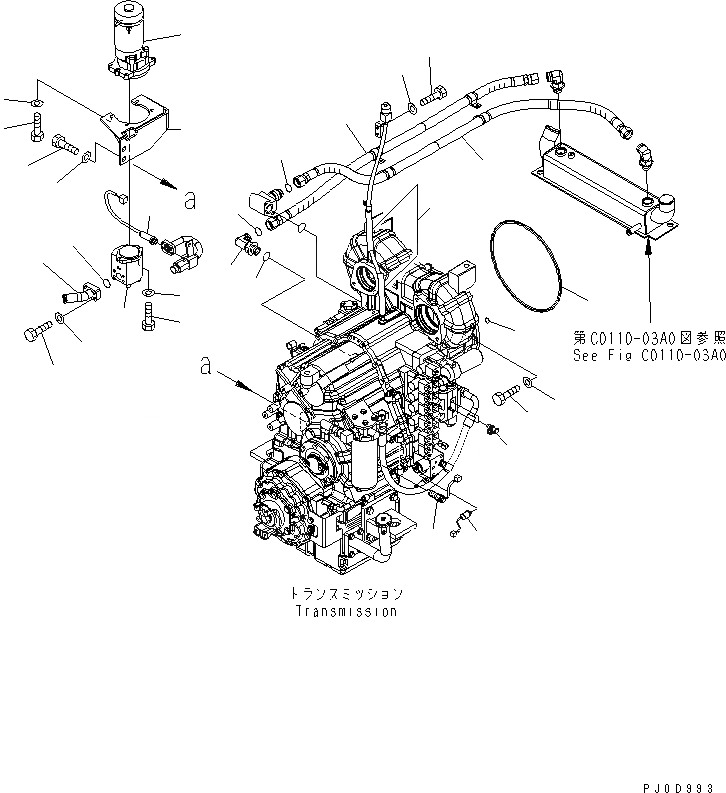
1
2
3
3A
4
5
6
7
8
8
9
10
11
12
13
14
15
16
17
18
19
20
21
22
23
24
25
26
27
28
FIT
1:1
100%

Артикул

Название

Примечание

Количество

|$$1

SERIAL NO. IN ( ) INDICATES TRANSMISSION SERIAL NO.

-1шт.

1

01010-61040

BOLT

SN: 60001-UP

12шт.

2

01643-31032

WASHER

SN: 60001-UP

12шт.

3

424-13-11110

O-RING

SN: 60001-UP

1шт.

3A

07000-12012

O-RING

SN: (10320)-UP

1шт.

4

423-09-31210

HOSE

SN: 60001-UP

1шт.

5

423-09-31220

HOSE

SN: 60001-UP

1шт.

6

421-09-31210

ELBOW

SN: 60001-UP

1шт.

7

07002-23334

O-RING

SN: 60001-UP

1шт.

8

421-09-31140

O-RING

SN: 60001-UP

2шт.

9

42C-43-12941

SWITCH,PRESSURE

SN: 60001-UP

1шт.

10

7861-93-2330

SENSOR

SN: 60001-UP

1шт.

11

01010-81020

BOLT

SN: 60001-UP

2шт.

12

01643-31032

WASHER

SN: 60001-UP

2шт.

13

08210-01802

SPIRAL TUBE

SN: 60001-UP

2шт.

14

195-49-36120

NIPPLE

SN: 60001-UP

2шт.

15

421-62-32700

MOTOR ASS'Y

SN: 60001-UP

1шт.

16

01010-81035

BOLT

SN: 60001-UP

4шт.

17

01643-31032

WASHER

SN: 60001-UP

4шт.

18

705-40-01020

PUMP ASS'Y,EMERGENCY STEERING

SN: 60001-UP

1шт.

19

01010-81030

BOLT

SN: 60001-UP

2шт.

20

01643-31032

WASHER

SN: 60001-UP

2шт.

21

423-62-32140

BRACKET

SN: 60001-UP

1шт.

22

01010-81640

BOLT

SN: 60001-UP

2шт.

23

01643-31645

WASHER

SN: 60001-UP

2шт.

24

421-06-35111

SWITCH,PRESSURE

SN: 60001-UP

1шт.

25

423-62-32130

TUBE

SN: 60001-UP

1шт.

26

07000-13032

O-RING

SN: 60001-UP

1шт.

27

07372-21040

BOLT

SN: 60001-UP

4шт.

28

01643-31032

WASHER

SN: 60001-UP

4шт.

Выбрано товаров: 30