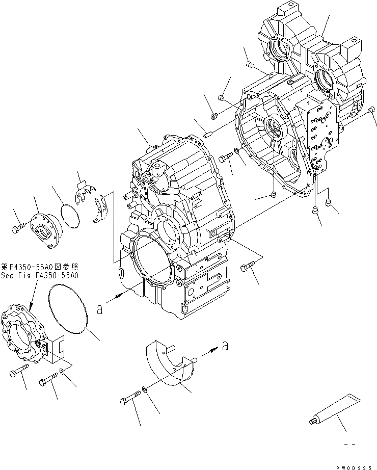
Запчасти Komatsu WA380-5-TN ТРАНСМИССИЯ (КОРПУС ТРАНСМИССИИ) ТРАНСМИССИЯ

Схема запчастей Komatsu WA380-5-TN - ТРАНСМИССИЯ (КОРПУС ТРАНСМИССИИ) ТРАНСМИССИЯ
1
2
3
3
3
3
4
5
6
7
8
9
10
11
12
13
14
15
16
17
18
19
20
21
22
FIT
1:1
100%

Артикул

Название

Примечание

Количество

|$$1

SERIAL NO. IN ( ) INDICATES TRANSMISSION SERIAL NO.

-1шт.

|1

714-12-20001

TRANSMISSION ASS'Y

SN: (10320)-UP

1шт.

|1

714-12-20000

TRANSMISSION ASS'Y

SN: 60001-(10319)

1шт.

|1

714-12-20011

TRANSMISSION ASS'Y

SN: (10320)-UP

1шт.

|1

714-12-20010

TRANSMISSION ASS'Y,(WITH LOCK-UP)

SN: 60001-(10319)

1шт.

|1

714-12-20101

TRANSMISSION ASS'Y

SN: (10320)-UP

1шт.

|1

714-12-20100

TRANSMISSION ASS'Y,(FOR TACHOGRAPH)

SN: 60001-(10319)

1шт.

|1

714-12-20111

TRANSMISSION ASS'Y

SN: (10320)-UP

1шт.

|1

714-12-20110

TRANSMISSION ASS'Y,(FOR TACHOGRAPH AND LOCK-UP)

SN: 60001-(10319)

1шт.

|$$10

THESE ASSEMBLIES CONSISTS OF ALL PARTS SHOWN IN FIGS.F4350-51A0 TO F4350-63A0.

-1шт.

1

714-12-28111

CASE,FRONT

SN: 60001-UP

1шт.

|2

714-12-21122

CASE,COMP.R

SN: (10320)-UP

1шт.

|2

714-12-21121

CASE,REAR

SN: 60001-(10319)

1шт.

2

0

CASE,REAR

SN: (10320)-UP

1шт.

|2

0

CASE

SN: 60001-(10319)

1шт.

3

07043-70617

PLUG

SN: 60001-UP

4шт.

4

07043-70415

PLUG

SN: 60001-UP

1шт.

5

07043-70312

PLUG

SN: 60001-UP

1шт.

6

07043-70211

PLUG

SN: 60001-UP

1шт.

7

04020-01228

PIN,DOWEL

SN: 60001-UP

2шт.

8

01010-81240

BOLT

SN: 60001-UP

20шт.

9

01010-81270

BOLT

SN: 60001-UP

6шт.

10

01643-51232

WASHER

SN: 60001-UP

6шт.

11

07000-15285

O-RING (K1)

SN: 60001-UP

1шт.

12

01011-81205

BOLT

SN: 60001-UP

7шт.

13

01011-81210

BOLT

SN: 60001-UP

2шт.

14

01643-31232

WASHER

SN: 60001-UP

2шт.

15

714-07-28141

CAGE

SN: 60001-UP

1шт.

16

714-07-28211

SHIM¤ 0.05MM (K1)

SN: 60001-UP

6шт.

|16

714-07-28221

SHIM¤ 0.5MM (K1)

SN: 60001-UP

4шт.

|16

714-07-28231

SHIM¤ 0.2MM (K1)

SN: 60001-UP

4шт.

17

07000-15130

O-RING (K1)

SN: 60001-UP

1шт.

18

01010-81235

BOLT

SN: 60001-UP

6шт.

19

714-12-24910

COVER,GEAR

SN: 60001-UP

1шт.

20

01011-81200

BOLT

SN: 60001-UP

3шт.

21

01643-31232

WASHER

SN: 60001-UP

3шт.

22

419-15-18131

LIQUID GASKET (K1)

SN: 60001-UP

1шт.

Выбрано товаров: 37