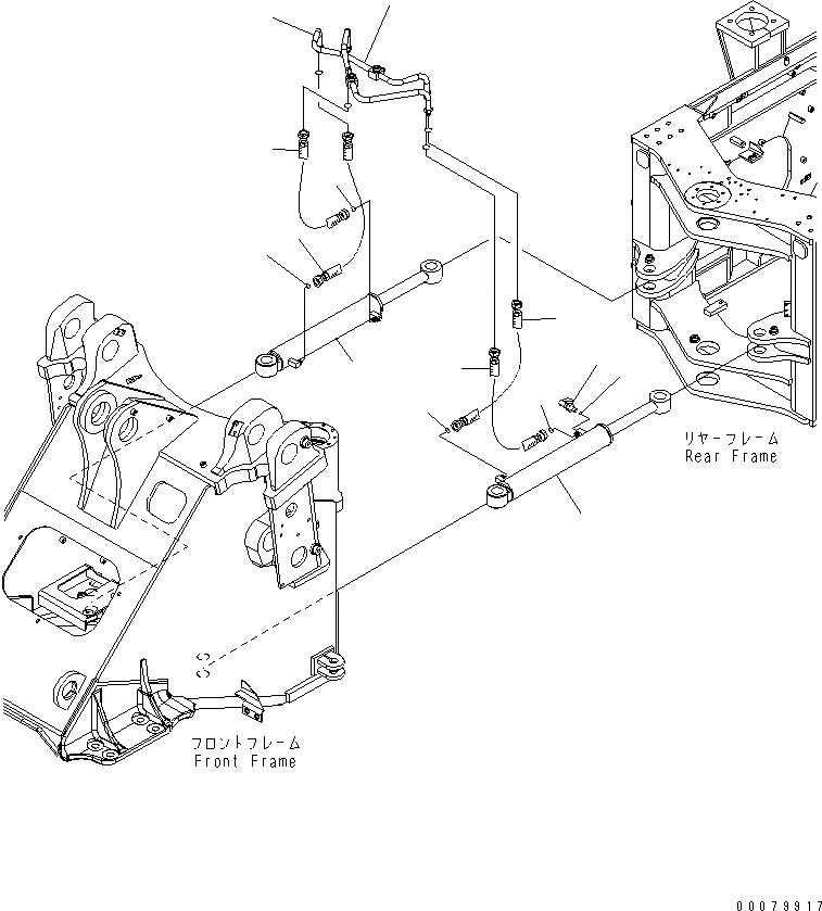
Запчасти Komatsu WA380-5L ЦИЛИНДР РУЛЕВ. УПР-Я (ПАТРУБКИ ЦИЛИНДРА РУЛЕВ. УПРАВЛ-Я) ОСНОВНАЯ РАМА И ЕЕ ЧАСТИ

Схема запчастей Komatsu WA380-5L - ЦИЛИНДР РУЛЕВ. УПР-Я (ПАТРУБКИ ЦИЛИНДРА РУЛЕВ. УПРАВЛ-Я) ОСНОВНАЯ РАМА И ЕЕ ЧАСТИ
1
1
2
3
3
4
4
5
5
5
5
6
7
8
FIT
1:1
100%

Артикул

Название

Примечание

Количество

1

CYLINDER ASS'Y,(SEE FIG. H4410-06A0)

SN: A52001-UP

-1шт.

2

799-101-5220

NIPPLE

SN: A52001-UP

1шт.

3

02765-004A5

HOSE

SN: A52001-UP

2шт.

4

02765-00405

HOSE

SN: A52001-UP

2шт.

5

02896-11012

O-RING

SN: A52001-UP

4шт.

6

07002-11023

O-RING

SN: A52001-UP

1шт.

7

TUBE,(SEE FIG. H4410-01A0)

SN: A52001-UP

-1шт.

8

TUBE,(SEE FIG. H4410-01A0)

SN: A52001-UP

-1шт.

Выбрано товаров: 8