Запчасти Komatsu WA380-5L ОСНОВН. КОНСТРУКЦИЯ (ПОЛ Э/ПРОВОДКА) КАБИНА ОПЕРАТОРА И СИСТЕМА УПРАВЛЕНИЯ

Схема запчастей Komatsu WA380-5L - ОСНОВН. КОНСТРУКЦИЯ (ПОЛ Э/ПРОВОДКА) КАБИНА ОПЕРАТОРА И СИСТЕМА УПРАВЛЕНИЯ
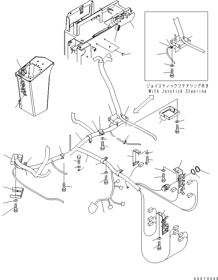
1
2
3
4
4
5
6
7
8
9
10
11
12
13
14
15
15
16
17
17
18
19
20
21
22
23
23
23
24
25
26
27
28
29
30
31
31
32
32
33
33
34
34
35
36
37
38
FIT
1:1
100%

Артикул

Название

Примечание

Количество

1

423-06-A1480

WIRING HARNESS

SN: A52001-UP

1шт.

2

08191-50808

NUT

SN: A52001-UP

1шт.

3

08191-50809

WASHER, LOCK

SN: A52001-UP

1шт.

4

08192-24100

CONNECTOR

SN: A52001-UP

2шт.

5

363-54-32220

PLUG

SN: A52001-UP

2шт.

6

423-06-31141

BRACKET

SN: A52001-UP

1шт.

7

01010-81020

BOLT

SN: A52001-UP

2шт.

8

01643-31032

WASHER

SN: A52001-UP

2шт.

9

423-06-31152

BRACKET

SN: A52001-UP

1шт.

10

01010-81020

BOLT

SN: A52001-UP

2шт.

11

01643-31032

WASHER

SN: A52001-UP

2шт.

12

423-06-31161

BRACKET

SN: A52001-UP

1шт.

13

01010-81020

BOLT

SN: A52001-UP

2шт.

14

01643-31032

WASHER

SN: A52001-UP

2шт.

15

155-61-15350

CLIP

SN: A52001-UP

2шт.

16

01435-01016

BOLT

SN: A52001-UP

4шт.

|$16

01010-81020

BOLT,(FOR JOY STICK STEERING)

SN: A52001-UP

4шт.

17

04434-53411

CLIP

SN: A52001-UP

2шт.

18

01435-01016

BOLT

SN: A52001-UP

2шт.

|$19

01010-81020

BOLT,(FOR JOY STICK STEERING)

SN: A52001-UP

2шт.

|$20

01643-31032

WASHER,(FOR JOY STICK STEERING)

SN: A52001-UP

2шт.

19

42C-06-11281

SHEET

SN: A52001-UP

1шт.

20

42C-06-11290

PLATE

SN: A52001-UP

1шт.

21

01010-80612

BOLT

SN: A52001-UP

2шт.

22

01643-30623

WASHER

SN: A52001-UP

2шт.

23

423-06-31210

SHEET

SN: A52001-UP

2шт.

|$$27

QUANTITY OF 1 FOR JOYSTICK STEERING WIRING HARNESS.

-1шт.

|$27

421-06-32541

SHEET,(FOR JOY STICK STEERING)

SN: A52001-UP

1шт.

24

42C-06-11250

PLATE

SN: A52001-UP

2шт.

25

01010-80612

BOLT

SN: A52001-UP

4шт.

26

01643-30623

WASHER

SN: A52001-UP

4шт.

27

BOX,(SEE FIG. K4200-17A0)

SN: A52001-UP

-1шт.

28

01010-81020

BOLT

SN: A52001-UP

1шт.

29

01643-31032

WASHER

SN: A52001-UP

1шт.

30

22M-62-13660

CUSHION

SN: A52001-UP

4шт.

31

438-03-11150

CLIP

SN: A52001-UP

1шт.

32

419-62-13470

RUBBER

SN: A52001-UP

1шт.

33

01010-81020

BOLT

SN: A52001-UP

1шт.

34

01643-31032

WASHER

SN: A52001-UP

1шт.

35

424-06-31111

WIRING HARNESS

SN: A52001-UP

1шт.

36

04434-52310

CLIP

SN: A52001-UP

1шт.

37

01643-31032

WASHER,(FOR JOY STICK STEERING)

SN: A52001-UP

2шт.

38

421-06-31410

WIRING HARNESS

SN: A52001-UP

1шт.

Выбрано товаров: 43