Запчасти Komatsu WA380-5L ЗАДН. Э/ПРОВОДКА (КОРПУС КРЕПЛЕНИЯ) ЭЛЕКТРИКА

Схема запчастей Komatsu WA380-5L - ЗАДН. Э/ПРОВОДКА (КОРПУС КРЕПЛЕНИЯ) ЭЛЕКТРИКА
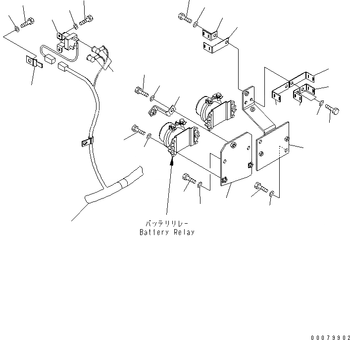
1
1
1
2
2
2
3
3
4
4
5
6
7
8
9
10
11
12
13
14
15
16
17
18
19
20
21
22
23
FIT
1:1
100%

Артикул

Название

Примечание

Количество

1

421-06-22910

BRACKET

SN: A52001-UP

3шт.

2

421-06-22920

BRACKET

SN: A52001-UP

3шт.

3

01010-80820

BOLT

SN: A52001-UP

3шт.

4

01643-30823

WASHER

SN: A52001-UP

3шт.

5

01010-80830

BOLT,(FOR AUXILIARY STEERING)

SN: A52001-UP

4шт.

|$5

01010-80835

BOLT

SN: A52001-UP

2шт.

6

01643-31032

WASHER,(FOR AUXILIARY STEERING)

SN: A52001-UP

4шт.

|$7

01643-30823

WASHER

SN: A52001-UP

2шт.

7

423-06-32290

BRACKET

SN: A52001-UP

1шт.

8

01010-81020

BOLT

SN: A52001-UP

2шт.

9

01643-31032

WASHER

SN: A52001-UP

2шт.

10

421-06-31171

BRACKET

SN: A52001-UP

1шт.

11

01010-81020

BOLT

SN: A52001-UP

2шт.

12

01643-31032

WASHER

SN: A52001-UP

2шт.

13

421-06-31351

PLATE

SN: A52001-UP

1шт.

14

01010-81020

BOLT

SN: A52001-UP

1шт.

15

01643-31032

WASHER

SN: A52001-UP

1шт.

16

600-815-7870

RELAY

SN: A52001-UP

1шт.

17

01010-80610

BOLT

SN: A52001-UP

2шт.

18

01643-30623

WASHER

SN: A52001-UP

2шт.

19

08193-20010

CLIP

SN: A52001-UP

1шт.

20

01010-81016

BOLT

SN: A52001-UP

1шт.

21

01643-31032

WASHER

SN: A52001-UP

1шт.

22

08038-00519

CAP,(FOR AUXILIARY STEERING)

SN: A52001-UP

2шт.

23

WIRING HARNESS,(SEE FIG. E0202-01A0)

SN: A52001-UP

-1шт.

Выбрано товаров: 25