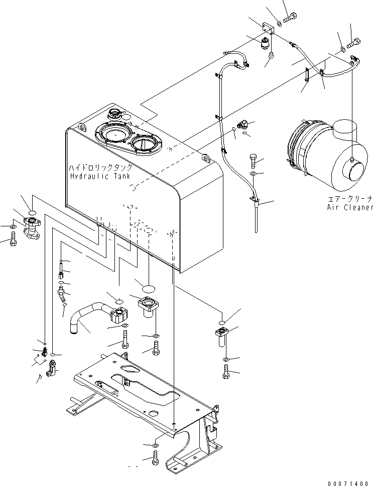
Запчасти Komatsu WA380-6 ГИДР. БАК. (ВСАСЫВАЮЩАЯ ЛИНИЯAND КРЕПЛЕНИЕ) (ДЛЯ ЭКСТРЕННОГО УПРАВЛЕНИЯ И КРОМЕ ЯПОН.)(№-) ГИДРАВЛИКА

Схема запчастей Komatsu WA380-6 - ГИДР. БАК. (ВСАСЫВАЮЩАЯ ЛИНИЯAND КРЕПЛЕНИЕ) (ДЛЯ ЭКСТРЕННОГО УПРАВЛЕНИЯ И КРОМЕ ЯПОН.)(№-) ГИДРАВЛИКА
1
2
3
4
5
6
7
8
9
10
11
12
13
14
15
16
17
18
19
20
21
22
23
24
25
26
27
28
29
30
31
32
33
34
35
36
37
38
39
40
41
42
43
44
45
46
FIT
1:1
100%

Артикул

Название

Примечание

Количество

1

423-60-45510

TUBE

SN: 65001-UP

1шт.

2

07000-13042

O-RING

SN: 65001-UP

1шт.

3

01010-81275

BOLT

SN: 65001-UP

4шт.

4

01643-31232

WASHER

SN: 65001-UP

4шт.

5

423-60-35530

TUBE

SN: 65001-UP

1шт.

6

07000-12075

O-RING

SN: 65001-UP

1шт.

7

01010-81245

BOLT

SN: 65001-UP

4шт.

8

01643-31232

WASHER

SN: 65001-UP

4шт.

9

423-62-41281

TUBE

SN: 65001-UP

1шт.

10

07000-13045

O-RING

SN: 65001-UP

1шт.

11

01010-81240

BOLT

SN: 65001-UP

2шт.

12

01643-31232

WASHER

SN: 65001-UP

2шт.

13

423-06-42720

BLOCK

SN: 65001-UP

1шт.

14

08672-01000

INDICATOR

SN: 65001-UP

1шт.

15

01010-81040

BOLT

SN: 65001-UP

2шт.

16

01643-31032

WASHER

SN: 65001-UP

2шт.

17

6743-81-7530

ADAPTER

SN: 65001-UP

1шт.

18

08671-50090

HOSE

SN: 65001-UP

1шт.

19

421-62-11940

PLATE

SN: 65001-UP

1шт.

20

01010-81020

BOLT

SN: 65001-UP

2шт.

21

01643-31032

WASHER

SN: 65001-UP

2шт.

22

04434-51410

CLIP

SN: 65001-UP

1шт.

23

02720-20204

PLUG

SN: 65001-UP

1шт.

24

02782-10628

ELBOW

SN: 65001-UP

1шт.

25

07002-12434

O-RING

SN: 65001-UP

1шт.

26

02896-11018

O-RING

SN: 65001-UP

1шт.

27

02782-10630

ELBOW

SN: 65001-UP

1шт.

28

07002-12434

O-RING

SN: 65001-UP

1шт.

29

02896-11018

O-RING

SN: 65001-UP

1шт.

30

423-62-42121

NIPPLE

SN: 65558-UP

1шт.

30

0

ELBOW

SN: 65001-65557

1шт.

31

07002-11423

O-RING

SN: 65001-UP

1шт.

32

02896-11008

O-RING

SN: 65001-UP

1шт.

33

11Y-62-12330

ELBOW

SN: 65001-UP

1шт.

34

07002-11423

O-RING

SN: 65001-UP

1шт.

35

02896-11008

O-RING

SN: 65001-UP

2шт.

36

02782-10210

ELBOW

SN: 65558-UP

1шт.

37

07002-11423

O-RING

SN: 65558-UP

1шт.

38

01010-81630

BOLT

SN: 65001-UP

4шт.

39

01643-31645

WASHER

SN: 65001-UP

4шт.

40

423-60-45480

GUIDE

SN: 65001-UP

1шт.

41

01010-81020

BOLT

SN: 65001-UP

1шт.

42

01643-31032

WASHER

SN: 65001-UP

1шт.

43

423-60-35520

TUBE

SN: 65001-UP

1шт.

44

07000-13032

O-RING

SN: 65001-UP

1шт.

45

01010-81040

BOLT

SN: 65001-UP

4шт.

46

01643-31032

WASHER

SN: 65001-UP

4шт.

Выбрано товаров: 0