Запчасти Komatsu WA380-6 ОСНОВН. КЛАПАН (ДЛЯ 2-Х СЕКЦИОНН. УПРАВЛЯЮЩ. КЛАПАН) (ECSS LESS)(№-) ГИДРАВЛИКА

Схема запчастей Komatsu WA380-6 - ОСНОВН. КЛАПАН (ДЛЯ 2-Х СЕКЦИОНН. УПРАВЛЯЮЩ. КЛАПАН) (ECSS LESS)(№-) ГИДРАВЛИКА
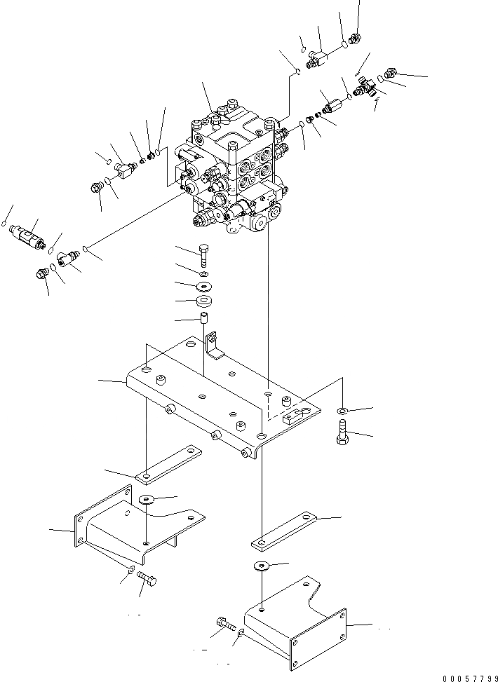
1
2
3
4
5
6
7
7
7
8
9
10
10
11
12
13
14
15
16
17
18
18
19
20
21
22
23
24
25
26
27
28
29
30
31
31
32
33
34
35
36
37
37
37
37
38
38
38
38
FIT
1:1
100%

Артикул

Название

Примечание

Количество

1

723-53-16302

CONTROL VALVE,(SEE FIG. Y1663-11A0)

SN: 65445-UP

1шт.

1

0

CONTROL VALVE,(SEE FIG. Y1663-11A0)

SN: 65180-65444

1шт.

1

0

CONTROL VALVE,(SEE FIG. Y1663-11A0)

SN: 65001-65179

1шт.

2

423-64-45120

BRACKET

SN: 65001-UP

1шт.

3

01010-81635

BOLT

SN: 65001-UP

4шт.

4

01643-31645

WASHER

SN: 65001-UP

4шт.

5

419-43-17930

CUSHION

SN: 65001-UP

4шт.

6

417-54-13470

SPACER

SN: 65001-UP

4шт.

7

419-43-17920

WASHER

SN: 65001-UP

8шт.

8

01010-81255

BOLT

SN: 65001-UP

4шт.

9

01643-31232

WASHER

SN: 65001-UP

4шт.

10

424-64-23130

CUSHION

SN: 65001-UP

2шт.

11

423-64-35530

BRACKET

SN: 65001-UP

1шт.

12

01010-D1225

BOLT

SN: 65001-UP

4шт.

13

01643-71232

WASHER

SN: 65001-UP

4шт.

14

423-64-35520

BRACKET

SN: 65001-UP

1шт.

15

01010-D1225

BOLT

SN: 65001-UP

4шт.

16

01643-71232

WASHER

SN: 65001-UP

4шт.

17

423-62-34290

ELBOW

SN: 65001-UP

1шт.

18

01583-51408

NUT

SN: 65001-UP

1шт.

18

07002-11423

O-RING

SN: 65001-UP

1шт.

19

02896-11009

O-RING

SN: 65001-UP

1шт.

|$31

423-62-35440

VALVE ASS'Y

SN: 65001-UP

1шт.

20

418-62-34490

ELBOW

SN: 65001-UP

1шт.

21

203-60-62320

POPPET

SN: 65001-UP

1шт.

22

423-62-35450

PLUG

SN: 65001-UP

1шт.

23

07002-11423

O-RING

SN: 65001-UP

1шт.

24

02896-11009

O-RING

SN: 65001-UP

1шт.

25

423-62-43640

VALVE ASS'Y

SN: 65001-UP

1шт.

26

21W-973-3420

POPPET

SN: 65001-UP

1шт.

27

21Y-62-11591

PLUG

SN: 65001-UP

1шт.

28

07002-11423

O-RING

SN: 65001-UP

1шт.

29

423-62-34591

TEE

SN: 65001-UP

1шт.

30

07002-11423

O-RING

SN: 65001-UP

1шт.

31

02896-11009

O-RING

SN: 65001-UP

2шт.

32

22F-62-11990

TEE

SN: 65001-UP

1шт.

33

07002-11423

O-RING

SN: 65001-UP

1шт.

34

702-19-35101

VALVE ASS'Y,(SEE FIG. Y1679-01A0)

SN: 65001-UP

1шт.

35

02896-11009

O-RING

SN: 65001-UP

1шт.

36

07002-11423

O-RING

SN: 65001-UP

1шт.

37

708-8E-16150

PLUG

SN: 65001-UP

4шт.

38

07002-11023

O-RING

SN: 65001-UP

4шт.

Выбрано товаров: 0