Запчасти Komatsu WA380-6 ОСНОВН. КЛАПАН (ПАТРУБОК) (ДЛЯ 3-Х СЕКЦИОНН. КОНТРОЛЬН. КЛАПАН) (ECSS LESS)(№-) ГИДРАВЛИКА

Схема запчастей Komatsu WA380-6 - ОСНОВН. КЛАПАН (ПАТРУБОК) (ДЛЯ 3-Х СЕКЦИОНН. КОНТРОЛЬН. КЛАПАН) (ECSS LESS)(№-) ГИДРАВЛИКА
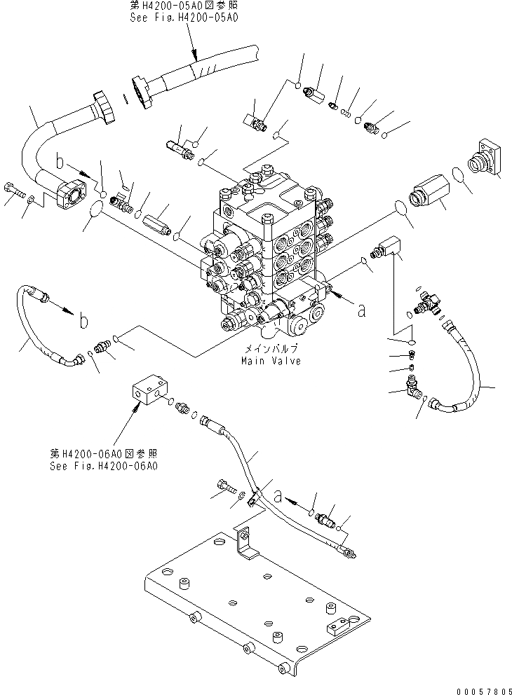
1
2
3
4
5
6
7
8
9
10
11
12
13
14
15
16
17
18
19
20
21
22
23
24
25
26
27
28
29
30
31
32
33
34
35
36
37
38
39
40
41
42
43
44
45
FIT
1:1
100%

Артикул

Название

Примечание

Количество

1

203-62-63740

JOINT

SN: 65001-UP

1шт.

2

07002-13334

O-RING

SN: 65001-UP

1шт.

3

203-973-5750

NIPPLE

SN: 65001-UP

1шт.

4

07002-13334

O-RING

SN: 65001-UP

1шт.

5

20Y-62-23541

ELBOW

SN: 65001-UP

1шт.

6

07002-11423

O-RING

SN: 65001-UP

1шт.

|$8

20Y-62-41701

VALVE ASS'Y

SN: 65001-UP

1шт.

7

20Y-60-22210

BODY

SN: 65001-UP

1шт.

8

20Y-60-22270

POPPET

SN: 65001-UP

1шт.

9

701-20-61230

SPRING

SN: 65001-UP

1шт.

10

07002-11423

O-RING

SN: 65001-UP

1шт.

11

20Y-62-47630

NIPPLE

SN: 65001-UP

1шт.

12

07002-11423

O-RING

SN: 65001-UP

1шт.

13

02896-11008

O-RING

SN: 65001-UP

1шт.

14

02782-10212

ELBOW

SN: 65001-UP

1шт.

15

07002-11423

O-RING

SN: 65001-UP

1шт.

16

02896-11008

O-RING

SN: 65001-UP

1шт.

17

423-62-34190

TUBE

SN: 65001-UP

1шт.

18

07000-13035

O-RING

SN: 65001-UP

1шт.

19

07372-21040

BOLT

SN: 65001-UP

4шт.

20

01643-51032

WASHER

SN: 65001-UP

4шт.

21

21W-62-35820

ELBOW

SN: 65001-UP

1шт.

22

07002-11423

O-RING

SN: 65001-UP

1шт.

|$26

423-62-43990

VALVE ASS'Y

SN: 65001-UP

1шт.

23

423-62-44110

ELBOW

SN: 65001-UP

1шт.

24

203-60-62320

POPPET

SN: 65001-UP

1шт.

25

423-62-35310

PLUG

SN: 65001-UP

1шт.

26

02896-11009

O-RING

SN: 65001-UP

1шт.

27

07002-11423

O-RING

SN: 65001-UP

1шт.

28

02761-00303

HOSE

SN: 65001-UP

1шт.

29

02782-10210

ELBOW

SN: 65001-UP

1шт.

30

02896-11008

O-RING

SN: 65001-UP

1шт.

31

07002-11423

O-RING

SN: 65001-UP

1шт.

32

423-62-43620

HOSE, 600MM

SN: 65001-UP

1шт.

33

04434-51010

CLIP

SN: 65001-UP

1шт.

34

01010-81020

BOLT

SN: 65001-UP

1шт.

35

01643-31032

WASHER

SN: 65001-UP

1шт.

36

02781-0021D

UNION

SN: 65001-UP

1шт.

37

02896-11008

O-RING

SN: 65001-UP

1шт.

38

07002-11423

O-RING

SN: 65001-UP

1шт.

39

423-62-43740

HOSE, 450MM

SN: 65001-UP

1шт.

40

20Y-62-45710

TEE

SN: 65001-UP

1шт.

41

07002-11423

O-RING

SN: 65001-UP

1шт.

42

02896-11009

O-RING

SN: 65001-UP

1шт.

43

02896-11008

O-RING

SN: 65001-UP

1шт.

44

207-62-62460

ADAPTER

SN: 65001-UP

1шт.

45

07002-11423

O-RING

SN: 65001-UP

1шт.

Выбрано товаров: 47