Запчасти Komatsu WA380-6 ГИДРОЛИНИЯ (ЛИНИЯ ПОДАЧИ) (ДЛЯ 4-Х СЕКЦИОНН. УПРАВЛЯЮЩ. КЛАПАН)(№-) ГИДРАВЛИКА

Схема запчастей Komatsu WA380-6 - ГИДРОЛИНИЯ (ЛИНИЯ ПОДАЧИ) (ДЛЯ 4-Х СЕКЦИОНН. УПРАВЛЯЮЩ. КЛАПАН)(№-) ГИДРАВЛИКА
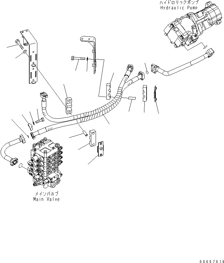
1
2
2
3
4
5
6
7
8
8
9
9
10
10
11
11
12
12
FIT
1:1
100%

Артикул

Название

Примечание

Количество

1

423-62-41480

HOSE, 1450MM

SN: 65001-UP

1шт.

2

07000-13032

O-RING

SN: 65001-UP

2шт.

3

07371-31049

FLANGE

SN: 65001-UP

4шт.

4

07372-21035

BOLT

SN: 65001-UP

8шт.

5

01643-51032

WASHER

SN: 65001-UP

8шт.

6

423-62-43221

PLATE

SN: 65001-UP

1шт.

7

423-62-43211

PLATE

SN: 65001-UP

1шт.

8

01010-81090

BOLT

SN: 65001-UP

4шт.

9

01643-31032

WASHER

SN: 65001-UP

4шт.

10

423-62-34250

RUBBER

SN: 65001-UP

2шт.

11

423-62-35270

RUBBER

SN: 65001-UP

2шт.

12

417-62-23690

SPACER

SN: 65001-UP

4шт.

Выбрано товаров: 0