Запчасти Komatsu WA380-6 РУЛЕВ. УПРАВЛЕНИЕ ЛИНИЯ (ORBITROL КЛАПАН ЛИНИЯ)(№-) ГИДРАВЛИКА

Схема запчастей Komatsu WA380-6 - РУЛЕВ. УПРАВЛЕНИЕ ЛИНИЯ (ORBITROL КЛАПАН ЛИНИЯ)(№-) ГИДРАВЛИКА
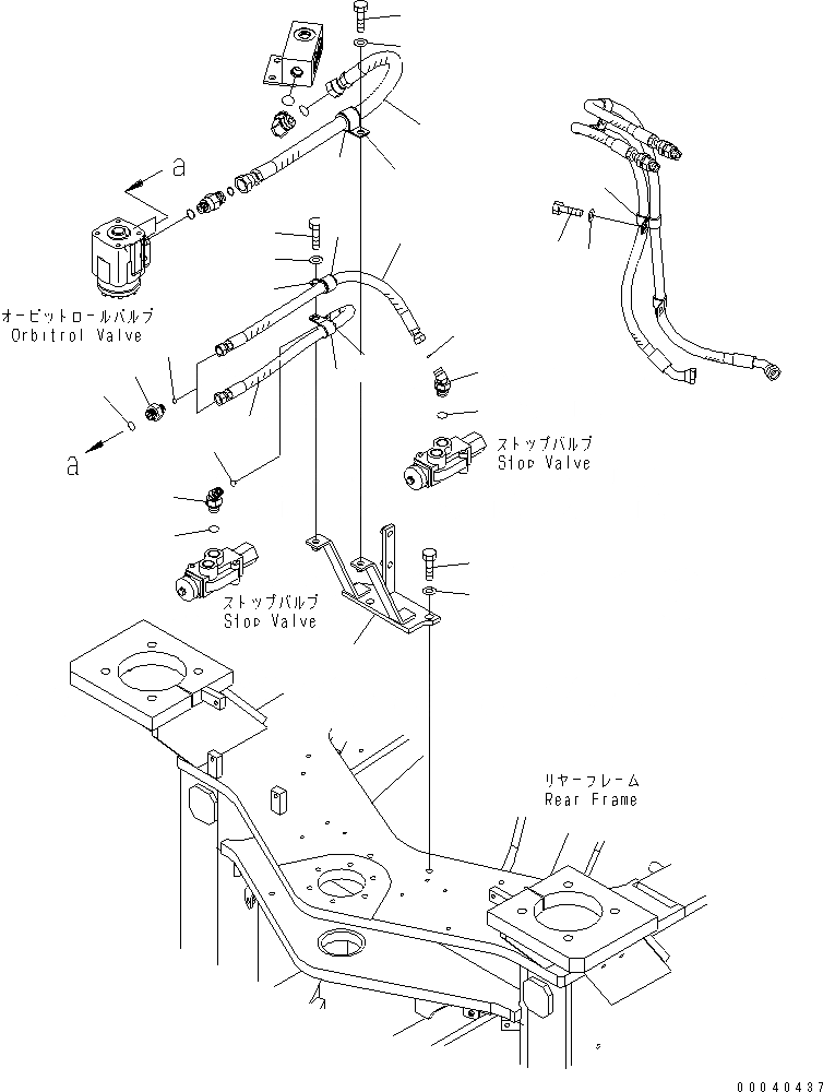
1
2
3
4
5
6
7
8
9
10
11
12
13
14
15
15
16
16
17
17
18
18
19
20
21
22
23
24
FIT
1:1
100%

Артикул

Название

Примечание

Количество

1

424-62-31170

NIPPLE

SN: 65001-UP

2шт.

2

415-62-11560

O-RING

SN: 65001-UP

2шт.

3

02896-11009

O-RING

SN: 65001-UP

2шт.

4

423-62-41690

HOSE

SN: 65001-UP

1шт.

5

423-62-41680

HOSE

SN: 65001-UP

1шт.

6

02783-10315

ELBOW

SN: 65001-UP

1шт.

7

07002-12034

O-RING

SN: 65001-UP

1шт.

8

02896-11009

O-RING

SN: 65001-UP

1шт.

9

02783-10315

ELBOW

SN: 65001-UP

1шт.

10

07002-12034

O-RING

SN: 65001-UP

1шт.

11

02896-11009

O-RING

SN: 65001-UP

1шт.

12

04434-51510

CLIP

SN: 65001-UP

1шт.

13

01010-81020

BOLT

SN: 65001-UP

1шт.

14

01643-31032

WASHER

SN: 65001-UP

1шт.

15

04434-52312

CLIP

SN: 65001-UP

3шт.

16

07095-20314

CUSHION

SN: 65001-UP

3шт.

17

01010-81025

BOLT

SN: 65001-UP

2шт.

18

01643-31032

WASHER

SN: 65001-UP

2шт.

19

423-62-41270

BRACKET

SN: 65001-UP

1шт.

20

01010-81435

BOLT

SN: 65001-UP

2шт.

21

01643-31445

WASHER

SN: 65001-UP

2шт.

22

423-62-41670

HOSE, 800MM

SN: 65001-UP

1шт.

23

04434-53212

CLIP

SN: 65001-UP

1шт.

24

07095-20523

CUSHION

SN: 65001-UP

1шт.

Выбрано товаров: 24