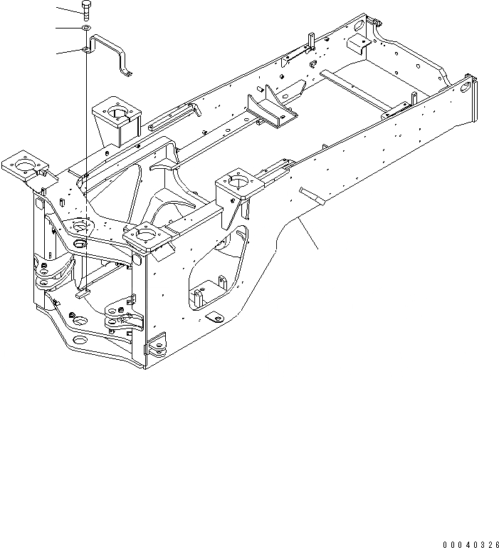
Запчасти Komatsu WA380-6 ЗАДН. РАМА (ЕС NOISE REGULATION ARRANGEMENT )(№-) ОСНОВНАЯ РАМА И ЕЕ ЧАСТИ

Схема запчастей Komatsu WA380-6 - ЗАДН. РАМА (ЕС NOISE REGULATION ARRANGEMENT )(№-) ОСНОВНАЯ РАМА И ЕЕ ЧАСТИ
1
2
3
4
FIT
1:1
100%

Артикул

Название

Примечание

Количество

1

423-Z90-5113

FRAME,REAR

SN: 65558-UP

1шт.

1

0

FRAME,REAR

SN: 65054-65557

1шт.

1

0

FRAME,REAR

SN: 65001-65053

1шт.

2

423-46-42190

GUARD

SN: 65001-UP

1шт.

3

01010-81435

BOLT

SN: 65001-UP

2шт.

4

01643-31445

WASHER

SN: 65001-UP

2шт.

Выбрано товаров: 6