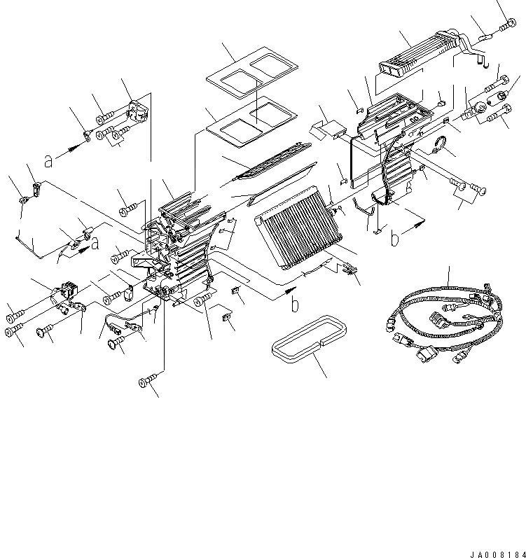
Запчасти Komatsu WA380-6 КАБИНА ROPS (КОНДИЦ. ВОЗДУХА) (ВНУТР. ЧАСТИ)(№78-) КАБИНА ОПЕРАТОРА И СИСТЕМА УПРАВЛЕНИЯ

Схема запчастей Komatsu WA380-6 - КАБИНА ROPS (КОНДИЦ. ВОЗДУХА) (ВНУТР. ЧАСТИ)(№78-) КАБИНА ОПЕРАТОРА И СИСТЕМА УПРАВЛЕНИЯ
1
2
3
4
5
6
7
8
9
10
11
11
12
13
14
15
16
17
18
19
20
21
22
23
24
25
26
27
28
28
28
28
28
28
28
28
29
29
30
30
31
31
32
32
32
32
33
33
33
33
34
34
35
36
37
38
39
FIT
1:1
100%

Артикул

Название

Примечание

Количество

|$10

423-07-31533

UNIT ASS'Y

SN: 65738-UP

1шт.

1

ANTKS-B210A0

CONTROLLER

SN: 65738-UP

1шт.

2

AN51141-10431

HEATER CORE ASS'Y

SN: 65738-UP

1шт.

3

AN51150-12720

CASE ASS'Y

SN: 65738-UP

1шт.

4

AN51150-12602

CASE ASS'Y

SN: 65738-UP

1шт.

5

AN51159-41840

OUTLET

SN: 65738-UP

1шт.

6

AN51184-40820

GROMMET

SN: 65738-UP

1шт.

7

AN51191-58720

PACKING

SN: 65738-UP

1шт.

8

AN51191-58830

PACKING

SN: 65738-UP

1шт.

9

AN51191-59410

PACKING

SN: 65738-UP

1шт.

10

AN51243-41500

PIPE

SN: 65738-UP

1шт.

11

AN51259-41750

BRACKET

SN: 65738-UP

2шт.

12

AN51502-15130

MOTOR ACTUATOR

SN: 65738-UP

1шт.

13

AN51436-D0580

EXPANSION VALVE

SN: 65738-UP

1шт.

14

AN51515-A0490

EXPANSION VALVE

SN: 65738-UP

1шт.

15

AN51532-41240

THERMISTOR

SN: 65738-UP

1шт.

16

AN51550-18780

HARNESS

SN: 65738-UP

1шт.

17

AN51571-43580

LEVER

SN: 65738-UP

1шт.

18

AN51571-43590

LEVER

SN: 65738-UP

1шт.

19

AN51571-44120

LEVER

SN: 65738-UP

1шт.

20

AN51571-44320

ROD

SN: 65738-UP

1шт.

21

AN51571-44330

ROD

SN: 65738-UP

1шт.

22

AN51573-11552

DAMPER

SN: 65738-UP

1шт.

23

AN51573-11562

DAMPER

SN: 65738-UP

1шт.

24

AN51580-41010

RELAY

SN: 65738-UP

1шт.

25

AN51700-A0380

EVAPORATOR ASS'Y

SN: 65738-UP

2шт.

26

AN51439-D0041

O-RING

SN: 65738-UP

1шт.

27

AN51439-D0051

O-RING

SN: 65738-UP

1шт.

28

ANTB105160T1

SCREW

SN: 65738-UP

1шт.

29

ANTN104300T1

SCREW

SN: 65738-UP

3шт.

30

AN51581-42250

BOLT

SN: 65738-UP

2шт.

31

AN51852-40770

SCREW

SN: 65738-UP

2шт.

32

AN51853-41521

NUT

SN: 65738-UP

4шт.

33

AN51870-40040

CLAMP

SN: 65738-UP

6шт.

34

AN51870-40910

CLAMP

SN: 65738-UP

2шт.

35

AN51871-40280

BAND

SN: 65738-UP

1шт.

36

AN51873-40250

HOLDER

SN: 65738-UP

1шт.

37

AN51436-10320

CAP

SN: 65738-UP

1шт.

38

AN51151-47700

PLATE

SN: 65738-UP

1шт.

39

ANKT+0410BA1

SCREW

SN: 65738-UP

2шт.

Выбрано товаров: 0