Запчасти Komatsu WA380-6 ТОПЛИВН. БАК. (ФИЛЬТР.)(№-) ТОПЛИВН. БАК. AND КОМПОНЕНТЫ

Схема запчастей Komatsu WA380-6 - ТОПЛИВН. БАК. (ФИЛЬТР.)(№-) ТОПЛИВН. БАК. AND КОМПОНЕНТЫ
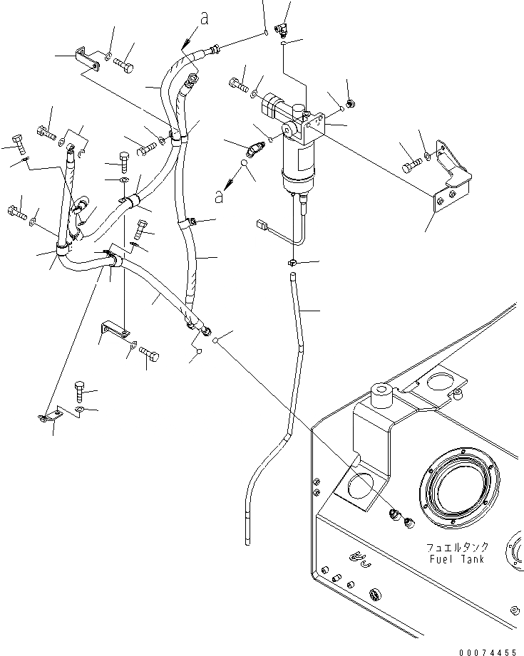
1
2
3
4
5
6
7
8
9
10
11
12
13
14
15
16
17
18
19
20
21
21
22
23
24
24
25
25
26
26
27
28
29
30
30
31
31
31
32
32
32
33
33
34
34
35
35
36
36
37
38
FIT
1:1
100%

Артикул

Название

Примечание

Количество

1

423-04-41241

BRACKET

SN: 65653-UP

1шт.

1

423-04-41240

BRACKET

SN: 65001-65652

1шт.

2

01010-81025

BOLT

SN: 65001-UP

2шт.

3

01643-31032

WASHER

SN: 65001-UP

2шт.

4

6754-71-7402

FILTER ASS'Y

SN: 65812-UP

1шт.

4

6754-71-7401

FILTER ASS'Y

SN: 65038-65811

1шт.

4

6754-71-7400

FILTER ASS'Y

SN: 65001-65037

1шт.

5

01010-81035

BOLT

SN: 65001-UP

2шт.

6

01643-31032

WASHER

SN: 65001-UP

2шт.

7

07040-11409

PLUG

SN: 65001-UP

1шт.

8

07002-11423

O-RING

SN: 65001-UP

1шт.

9

17M-03-46530

ELBOW

SN: 65001-UP

1шт.

10

07002-11423

O-RING

SN: 65001-UP

1шт.

11

02896-11012

O-RING

SN: 65001-UP

1шт.

12

02782-10311

ELBOW

SN: 65001-UP

1шт.

13

07002-11423

O-RING

SN: 65001-UP

1шт.

14

423-04-41261

HOSE, 1400MM

SN: 65001-UP

1шт.

15

02896-11009

O-RING

SN: 65001-UP

1шт.

16

07206-30812

BOLT

SN: 65001-UP

1шт.

17

07005-01212

SEAL, WASHER

SN: 65001-UP

2шт.

18

423-04-41271

HOSE, 1120MM

SN: 65001-UP

1шт.

19

02896-11009

O-RING

SN: 65001-UP

1шт.

20

07206-30812

BOLT

SN: 65001-UP

1шт.

21

07005-01212

SEAL, WASHER

SN: 65001-UP

2шт.

22

423-04-41250

HOSE, 870MM

SN: 65001-UP

1шт.

23

02896-11012

O-RING

SN: 65001-UP

1шт.

24

23S-44-14540

PLATE

SN: 65001-UP

2шт.

25

01010-D1030

BOLT

SN: 65001-UP

2шт.

26

01643-71032

WASHER

SN: 65001-UP

2шт.

27

423-04-41290

BRACKET

SN: 65001-UP

1шт.

28

01010-81020

BOLT

SN: 65001-UP

1шт.

29

01643-31032

WASHER

SN: 65001-UP

1шт.

30

04434-52312

CLIP

SN: 65001-UP

3шт.

31

04434-52712

CLIP

SN: 65001-UP

4шт.

32

07095-20420

CUSHION

SN: 65001-UP

4шт.

33

01010-81020

BOLT

SN: 65001-UP

3шт.

34

01643-31032

WASHER

SN: 65001-UP

3шт.

35

01010-81025

BOLT

SN: 65001-UP

2шт.

36

01643-31032

WASHER

SN: 65001-UP

2шт.

37

07270-61010

TUBE

SN: 65001-UP

1шт.

38

07285-00125

CLIP

SN: 65001-UP

1шт.

Выбрано товаров: 41