Запчасти Komatsu WA380-6 KOMTRAX(№-) КАБИНА ОПЕРАТОРА И СИСТЕМА УПРАВЛЕНИЯ

Схема запчастей Komatsu WA380-6 - KOMTRAX(№-) КАБИНА ОПЕРАТОРА И СИСТЕМА УПРАВЛЕНИЯ
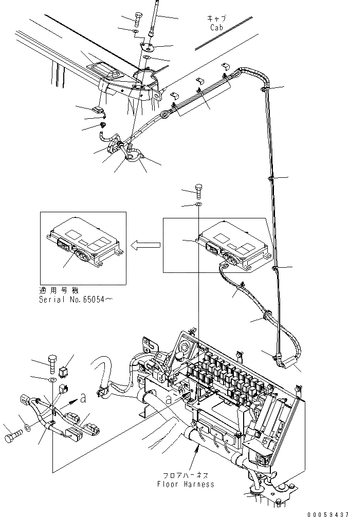
1
2
3
4
5
6
7
8
9
10
11
11
11
11
11
11
12
13
14
15
16
17
18
18
19
20
21
22
23
24
25
26
27
28
FIT
1:1
100%

Артикул

Название

Примечание

Количество

1

423-06-45311

ANTENNA ASS'Y

SN: 65001-UP

1шт.

2

08037-10610

GROMMET

SN: 65001-UP

1шт.

3

08055-00060

GROMMET

SN: 65001-UP

1шт.

4

423-06-45332

CABLE ASS'Y

SN: 65001-UP

1шт.

5

08037-10610

GROMMET

SN: 65001-UP

1шт.

6

8A13-10-2100

ANTENNA

SN: 65001-UP

1шт.

7

01640-21626

WASHER

SN: 65001-UP

1шт.

8

175-06-81610

GROMMET

SN: 65001-UP

1шт.

9

08034-40521

BAND

SN: 65001-UP

1шт.

10

08034-20519

BAND

SN: 65001-UP

1шт.

11

08059-00515

CLIP

SN: 65001-UP

8шт.

12

423-925-4980

DUCT

SN: 65001-UP

1шт.

13

08037-02512

GROMMET

SN: 65001-UP

1шт.

14

425-926-3921

COVER

SN: 65001-UP

1шт.

15

426-06-32791

PLATE

SN: 65001-UP

1шт.

16

01010-81020

BOLT

SN: 65001-UP

2шт.

17

01643-31032

WASHER

SN: 65001-UP

2шт.

18

7826-20-7035

CONTROLLER

SN: 65793-UP

1шт.

18

7826-20-7034

CONTROLLER

SN: 65711-65792

1шт.

18

0

CONTROLLER

SN: 65289-65710

1шт.

18

0

CONTROLLER

SN: 65075-65288

1шт.

18

0

CONTROLLER

SN: 65054-65074

1шт.

18

7826-20-7022

CONTROLLER

SN: 65001-65053

1шт.

19

01010-80825

BOLT

SN: 65001-UP

4шт.

20

01643-30823

WASHER

SN: 65001-UP

4шт.

21

423-06-45342

WIRING HARNESS

SN: 65711-UP

1шт.

21

423-06-45341

WIRING HARNESS

SN: 65001-65710

1шт.

22

04434-51410

CLIP

SN: 65001-UP

1шт.

23

01010-81020

BOLT

SN: 65001-UP

1шт.

24

01643-31032

WASHER

SN: 65001-UP

1шт.

25

569-06-61960

RELAY

SN: 65001-UP

1шт.

26

04434-51010

CLIP

SN: 65001-UP

1шт.

27

01010-81016

BOLT

SN: 65001-UP

1шт.

28

01643-31032

WASHER

SN: 65001-UP

1шт.

Выбрано товаров: 34