Запчасти Komatsu WA380-6 12В КОНВЕРТЕР(№-) КАБИНА ОПЕРАТОРА И СИСТЕМА УПРАВЛЕНИЯ

Схема запчастей Komatsu WA380-6 - 12В КОНВЕРТЕР(№-) КАБИНА ОПЕРАТОРА И СИСТЕМА УПРАВЛЕНИЯ
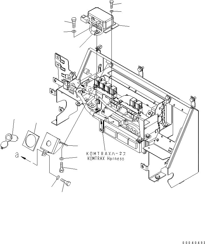
1
2
3
4
5
6
6
7
7
8
9
10
11
FIT
1:1
100%

Артикул

Название

Примечание

Количество

1

22U-06-22251

CONVERTER

SN: 65253-UP

1шт.

1

0

CONVERTER

SN: 65001-65252

1шт.

2

01010-80616

BOLT

SN: 65001-UP

2шт.

3

01643-30623

WASHER

SN: 65001-UP

2шт.

4

198-Z11-2640

SOCKET ASS'Y

SN: 65001-UP

1шт.

5

423-06-42611

BRACKET

SN: 65001-UP

1шт.

6

01010-81020

BOLT

SN: 65001-UP

2шт.

7

01643-31032

WASHER

SN: 65001-UP

2шт.

8

423-06-42871

SHEET (BONDED)

SN: 65001-UP

1шт.

9

04434-50810

CLIP

SN: 65001-UP

1шт.

10

01010-81020

BOLT

SN: 65001-UP

1шт.

11

01643-31032

WASHER

SN: 65001-UP

1шт.

Выбрано товаров: 0