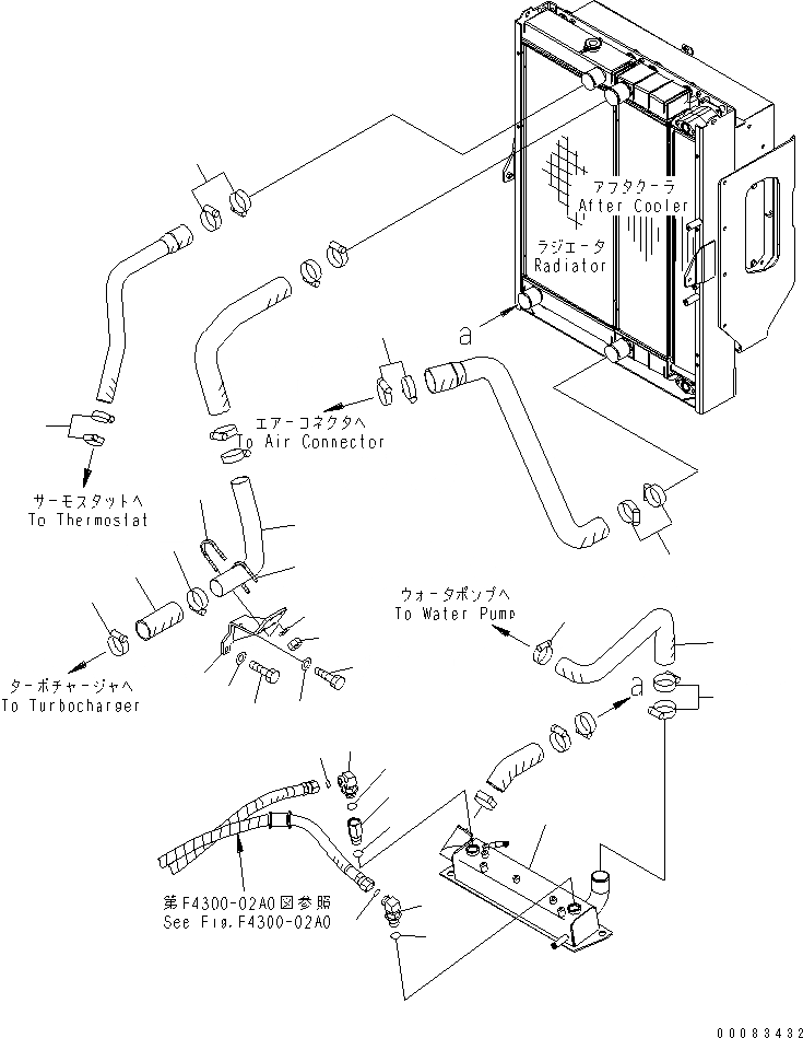
Запчасти Komatsu WA380-6 РАДИАТОР (ТРУБЫ) (ДЛЯ ГЕНЕРАТОРА 90А)(№-) СИСТЕМА ОХЛАЖДЕНИЯ

Схема запчастей Komatsu WA380-6 - РАДИАТОР (ТРУБЫ) (ДЛЯ ГЕНЕРАТОРА 90А)(№-) СИСТЕМА ОХЛАЖДЕНИЯ
1
2
2
3
3
4
5
6
7
7
7
8
9
9
10
11
11
11
12
13
14
14
15
16
17
18
19
20
21
FIT
1:1
100%

Артикул

Название

Примечание

Количество

1

423-03-41760

HOSE

SN: 65001-UP

1шт.

2

07289-00070

CLAMP

SN: 65001-UP

4шт.

3

07289-00055

CLAMP

SN: 65001-UP

3шт.

4

423-03-41610

OIL COOLER

SN: 65001-UP

1шт.

5

207-62-71410

ELBOW

SN: 65001-UP

1шт.

6

21W-62-43110

JOINT

SN: 65001-UP

1шт.

7

07002-23334

O-RING

SN: 65001-UP

3шт.

8

207-62-71410

ELBOW

SN: 65001-UP

1шт.

9

421-09-31140

O-RING

SN: 65001-UP

2шт.

10

423-03-41850

HOSE

SN: 65001-UP

1шт.

11

07299-00070

CLAMP

SN: 65001-UP

4шт.

12

07299-00080

CLAMP

SN: 65001-UP

2шт.

13

423-03-41740

TUBE

SN: 65001-UP

1шт.

14

203-01-67580

CLIP

SN: 65001-UP

2шт.

15

01643-31032

WASHER

SN: 65001-UP

4шт.

16

01597-01009

NUT

SN: 65001-UP

4шт.

17

423-Z91-4110

PLATE

SN: 65001-UP

1шт.

18

01010-81035

BOLT

SN: 65001-UP

1шт.

19

01643-31032

WASHER

SN: 65001-UP

1шт.

20

01010-81040

BOLT

SN: 65001-UP

1шт.

21

01643-31032

WASHER

SN: 65001-UP

1шт.

Выбрано товаров: 0