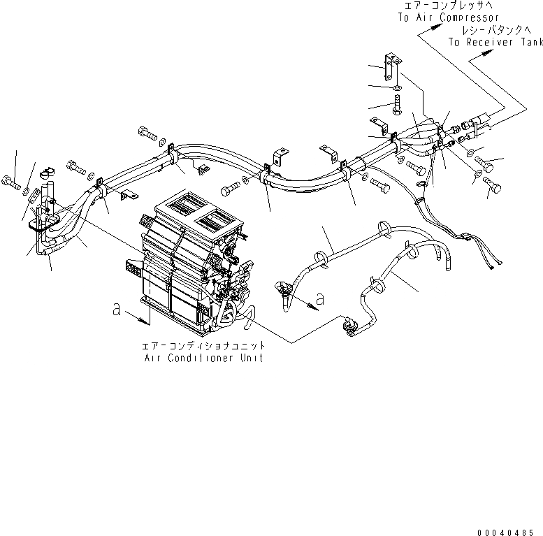
Запчасти Komatsu WA380-6 КАБИНА ROPS (ТРУБКИ КОНДИЦИОНЕРА) (MONOCOQUE ТИП)(№-) КАБИНА ОПЕРАТОРА И СИСТЕМА УПРАВЛЕНИЯ
1
2
3
3
4
4
5
5
6
7
7
7
7
8
9
10
11
12
13
14
15
16
17
18
FIT
1:1
100%
№
Артикул
Название
Примечание
Количество
1
423-07-31340
HOSE,L.H.
SN: 65001-UP
1шт.
2
423-07-31350
HOSE,R.H.
SN: 65001-UP
1шт.
3
423-S62-4161
HOSE
SN: 65001-UP
1шт.
4
423-S62-3510
SWITCH,PRESSURE
SN: 65001-UP
1шт.
5
423-S62-4171
HOSE
SN: 65001-UP
1шт.
6
423-S62-3370
PLATE
SN: 65001-UP
1шт.
7
04435-52210
CLIP
SN: 65001-UP
5шт.
8
423-S62-4320
BRACKET
SN: 65001-UP
1шт.
Выбрано товаров: 18