Запчасти Komatsu WA380-6 ПРОБЛЕСК. МАЯК(№7-) ЭЛЕКТРИКА

Схема запчастей Komatsu WA380-6 - ПРОБЛЕСК. МАЯК(№7-) ЭЛЕКТРИКА
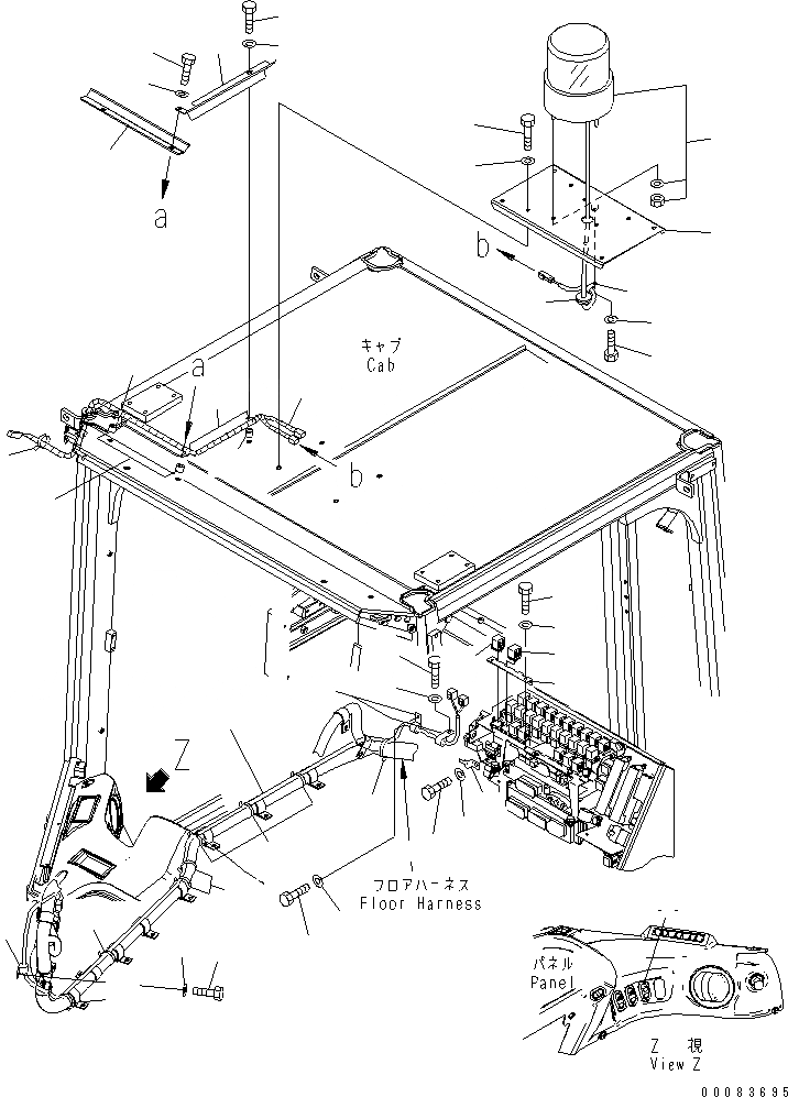
1
2
3
4
5
6
7
8
9
10
11
12
12
13
13
14
14
15
15
16
17
18
18
18
18
18
19
19
20
20
20
21
21
21
22
23
24
25
26
27
28
29
30
FIT
1:1
100%

Артикул

Название

Примечание

Количество

1

423-957-4141

BRACKET

SN: 65001-UP

1шт.

2

01010-80860

BOLT

SN: 65001-UP

4шт.

3

01643-30823

WASHER

SN: 65001-UP

4шт.

4

423-957-4110

LIGHT,BEACON

SN: 65001-UP

1шт.

4

08154-B2455

BULB, 55W

SN: 65001-UP

1шт.

5

423-43-18430

GROMMET

SN: 65001-UP

1шт.

6

04434-51008

CLIP

SN: 65001-UP

1шт.

7

01010-80816

BOLT

SN: 65001-UP

1шт.

8

01643-30823

WASHER

SN: 65001-UP

1шт.

9

423-957-4132

WIRING HARNESS

SN: 65001-UP

1шт.

10

423-957-4151

COVER

SN: 65001-UP

1шт.

11

423-957-4161

COVER

SN: 65001-UP

1шт.

12

421-06-12780

SPACER

SN: 65001-UP

3шт.

13

04434-51012

CLIP

SN: 65001-UP

3шт.

14

01010-80835

BOLT

SN: 65001-UP

3шт.

15

01643-30823

WASHER

SN: 65001-UP

3шт.

16

08034-40521

BAND

SN: 65001-UP

1шт.

17

423-06-45181

WIRING HARNESS

SN: 65001-UP

1шт.

18

08034-40521

BAND

SN: 65001-UP

8шт.

19

04434-51410

CLIP

SN: 65001-UP

3шт.

20

01010-81020

BOLT

SN: 65001-UP

3шт.

21

01643-31032

WASHER

SN: 65001-UP

3шт.

22

08053-01510

CLIP

SN: 65112-UP

1шт.

23

01010-81020

BOLT

SN: 65112-UP

1шт.

24

01643-31032

WASHER

SN: 65112-UP

1шт.

25

569-06-61180

BRACKET

SN: 65112-UP

1шт.

26

01010-80616

BOLT

SN: 65112-UP

2шт.

27

01643-30623

WASHER

SN: 65112-UP

2шт.

28

569-06-61960

RELAY

SN: 65417-UP

1шт.

29

569-06-61970

RELAY

SN: 65417-UP

1шт.

30

423-06-45590

SWITCH

SN: 65001-UP

1шт.

Выбрано товаров: 31