Запчасти Komatsu WA380-6 ТРАНСМИССИЯ (КОРПУС ТРАНСМИССИИ)(№-) ТРАНСМИССИЯ

Схема запчастей Komatsu WA380-6 - ТРАНСМИССИЯ (КОРПУС ТРАНСМИССИИ)(№-) ТРАНСМИССИЯ
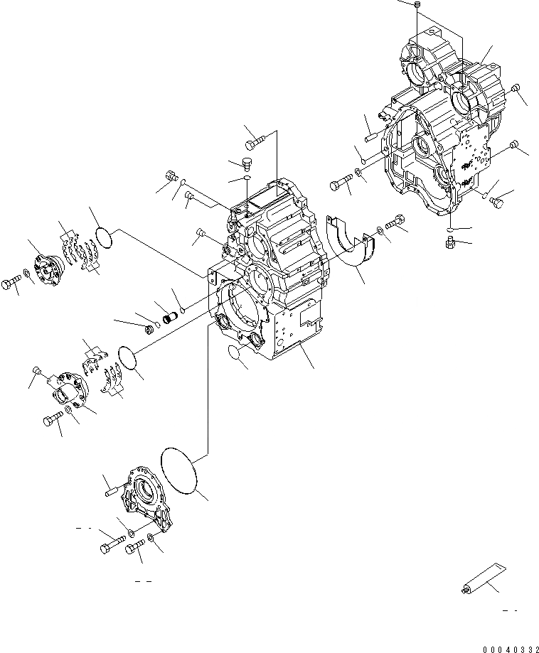
1
2
3
4
5
6
7
8
9
10
11
12
13
14
15
16
17
18
19
20
21
22
23
24
25
26
27
28
29
30
31
32
33
34
34
35
36
37
38
39
40
41
42
43
43
44
45
46
FIT
1:1
100%

Артикул

Название

Примечание

Количество

|$4

714-12-30003

TRANSMISSION ASS'Y

SN: 65628-UP

1шт.

|$5

714-12-30002

TRANSMISSION ASS'Y

SN: 65483-65627

1шт.

|$6

714-12-30001

TRANSMISSION ASS'Y

SN: 65048-65482

1шт.

|$7

714-12-30000

TRANSMISSION ASS'Y

SN: 65001-65047

1шт.

|$$5

THESE ASSEMBLIES CONSISTS OF ALL PARTS SHOWN IN FIGS.F4350-51A0 TO F4350-66A0.

-1шт.

|$16

714-12-31113

CASE,FRONT

SN: 65001-UP

1шт.

1

0

CASE,FRONT

SN: 65001-UP

1шт.

2

07040-11007

PLUG

SN: 65001-UP

1шт.

3

07002-61023

O-RING (K1)

SN: 65001-UP

1шт.

4

07043-70415

PLUG

SN: 65001-UP

2шт.

5

07043-70617

PLUG

SN: 65001-UP

3шт.

6

07040-12412

PLUG

SN: 65001-UP

1шт.

7

07002-62434

O-RING (K1)

SN: 65001-UP

1шт.

|$24

714-12-31123

CASE,REAR

SN: 65048-UP

1шт.

|$25

714-12-31122

CASE,REAR

SN: 65001-65047

1шт.

8

0

CASE,REAR

SN: 65048-UP

1шт.

8

0

CASE,REAR

SN: 65001-65047

1шт.

9

07043-70108

PLUG

SN: 65001-UP

2шт.

10

07043-70617

PLUG

SN: 65001-UP

9шт.

11

07040-11409

PLUG

SN: 65001-UP

2шт.

12

07002-61423

O-RING (K1)

SN: 65001-UP

2шт.

13

07040-11612

PLUG

SN: 65001-UP

3шт.

14

07002-61623

O-RING (K1)

SN: 65001-UP

3шт.

15

714-12-32960

PLUG

SN: 65001-UP

2шт.

16

04020-01228

PIN,DOWEL

SN: 65001-UP

2шт.

17

01010-81260

BOLT

SN: 65001-UP

21шт.

18

01011-81215

BOLT

SN: 65001-UP

6шт.

19

01643-31232

WASHER

SN: 65001-UP

6шт.

20

419-15-18131

LIQUID GASKET

SN: 65001-65627

1шт.

21

07000-75270

O-RING (K1)

SN: 65001-UP

1шт.

22

01010-81235

BOLT

SN: 65001-UP

8шт.

23

01643-31232

WASHER

SN: 65001-UP

8шт.

24

07000-72080

O-RING (K1)

SN: 65001-UP

2шт.

25

01011-81230

BOLT

SN: 65001-UP

7шт.

26

01643-31232

WASHER

SN: 65001-UP

7шт.

27

04020-01228

PIN

SN: 65001-UP

2шт.

28

714-12-38141

CAGE

SN: 65001-UP

1шт.

29

714-12-38161

SLEEVE

SN: 65001-UP

1шт.

30

714-12-38241

ORIFICE

SN: 65001-UP

1шт.

31

07000-73022

O-RING (K1)

SN: 65001-UP

1шт.

32

07000-72021

O-RING (K1)

SN: 65001-UP

1шт.

33

07043-70415

PLUG

SN: 65001-UP

1шт.

34

714-07-00010

SHIM ASS'Y (K1)

SN: 65001-UP

1шт.

34

0

SHIM, 0.05MM

SN: 65001-UP

3шт.

34

0

SHIM, 0.5MM

SN: 65001-UP

3шт.

34

0

SHIM, 0.2MM

SN: 65001-UP

2шт.

34

0

SHIM, 0.05MM

SN: 65001-UP

3шт.

34

0

SHIM, 0.2MM

SN: 65001-UP

2шт.

34

0

SHIM, 0.5MM

SN: 65001-UP

3шт.

35

07000-72135

O-RING (K1)

SN: 65001-UP

1шт.

36

01010-81235

BOLT

SN: 65001-UP

6шт.

37

01643-31232

WASHER

SN: 65001-UP

6шт.

38

714-12-34913

BAFFLE

SN: 65001-UP

1шт.

39

01010-81225

BOLT

SN: 65001-UP

2шт.

40

01643-31232

WASHER

SN: 65001-UP

2шт.

41

07000-73030

O-RING (K1)

SN: 65001-UP

1шт.

42

714-12-38152

CAGE

SN: 65001-UP

1шт.

43

714-12-00020

SHIM ASS'Y (K1)

SN: 65001-UP

1шт.

43

0

SHIM, 0.05MM

SN: 65001-UP

6шт.

43

0

SHIM, 0.5MM

SN: 65001-UP

6шт.

43

0

SHIM, 0.2MM

SN: 65001-UP

4шт.

44

07000-75120

O-RING (K1)

SN: 65001-UP

1шт.

45

01010-81235

BOLT

SN: 65001-UP

6шт.

46

01643-31232

WASHER

SN: 65001-UP

6шт.

Выбрано товаров: 0