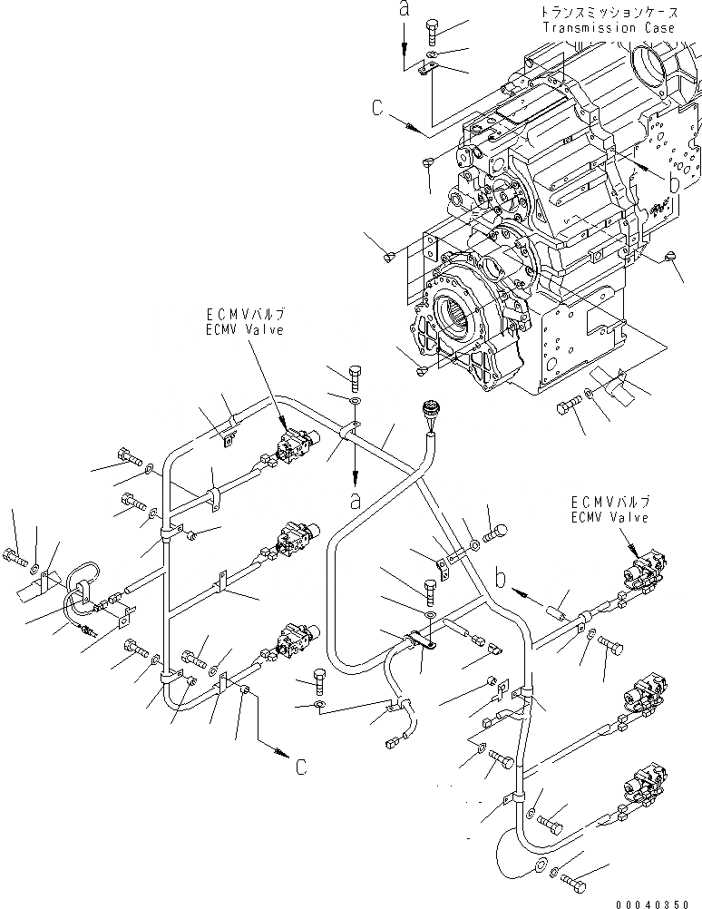
Запчасти Komatsu WA380-6 ТРАНСМИССИЯ (ОНОСЯЩИЕСЯ К НЕЙ ЧАСТИ)(/)(№-) ТРАНСМИССИЯ

Схема запчастей Komatsu WA380-6 - ТРАНСМИССИЯ (ОНОСЯЩИЕСЯ К НЕЙ ЧАСТИ)(/)(№-) ТРАНСМИССИЯ
1
2
3
4
5
6
7
8
9
10
11
12
12
13
13
14
15
16
17
17
18
18
19
20
21
22
23
24
25
26
27
28
28
29
30
31
32
33
34
35
36
37
38
39
40
41
42
43
44
45
46
47
48
49
50
51
52
52
52
52
53
53
54
55
FIT
1:1
100%

Артикул

Название

Примечание

Количество

|$4

714-12-30003

TRANSMISSION ASS'Y

SN: 65628-UP

1шт.

|$5

714-12-30002

TRANSMISSION ASS'Y

SN: 65483-65627

1шт.

|$6

714-12-30001

TRANSMISSION ASS'Y

SN: 65048-65482

1шт.

|$7

714-12-30000

TRANSMISSION ASS'Y

SN: 65001-65047

1шт.

|$$5

THESE ASSEMBLIES CONSISTS OF ALL PARTS SHOWN IN FIGS.F4350-51A0 TO F4350-66A0.

-1шт.

1

714-12-35813

WIRING HARNESS

SN: 65001-UP

1шт.

2

21J-06-13661

DIODE

SN: 65001-UP

1шт.

3

01010-81020

BOLT

SN: 65001-UP

1шт.

4

01643-31032

WASHER

SN: 65001-UP

1шт.

5

600-051-2140

CLIP

SN: 65001-UP

1шт.

6

01010-81020

BOLT

SN: 65001-UP

1шт.

7

01643-31032

WASHER

SN: 65001-UP

1шт.

8

600-051-2180

CLIP

SN: 65001-UP

1шт.

9

195-01-14540

COLLAR

SN: 65001-UP

1шт.

10

01010-81035

BOLT

SN: 65001-UP

1шт.

11

01643-31032

WASHER

SN: 65001-UP

1шт.

12

600-051-2180

CLIP

SN: 65001-UP

2шт.

13

714-12-38760

BRACKET

SN: 65001-UP

2шт.

14

01010-81020

BOLT

SN: 65001-UP

4шт.

15

01643-31032

WASHER

SN: 65001-UP

4шт.

16

600-051-2180

CLIP

SN: 65001-UP

1шт.

17

01010-81020

BOLT

SN: 65001-UP

2шт.

18

01643-31032

WASHER

SN: 65001-UP

2шт.

19

714-12-38770

BRACKET

SN: 65001-UP

1шт.

20

600-051-2180

CLIP

SN: 65001-UP

1шт.

21

195-01-14540

COLLAR

SN: 65001-UP

1шт.

22

01010-81035

BOLT

SN: 65001-UP

1шт.

23

01643-31032

WASHER

SN: 65001-UP

1шт.

24

600-051-2140

CLIP

SN: 65001-UP

1шт.

25

195-01-14540

COLLAR

SN: 65001-UP

1шт.

26

01010-81035

BOLT

SN: 65001-UP

1шт.

27

01643-31032

WASHER

SN: 65001-UP

1шт.

28

600-051-2100

CLIP

SN: 65001-UP

2шт.

29

195-01-14540

COLLAR

SN: 65001-UP

2шт.

30

01010-81035

BOLT

SN: 65001-UP

2шт.

31

01643-31032

WASHER

SN: 65001-UP

2шт.

32

600-051-2100

CLIP

SN: 65001-UP

1шт.

33

01010-81020

BOLT

SN: 65001-UP

1шт.

34

01643-31032

WASHER

SN: 65001-UP

1шт.

35

600-051-2100

CLIP

SN: 65001-UP

1шт.

36

6150-81-6940

SPACER

SN: 65001-UP

1шт.

37

01010-81075

BOLT

SN: 65001-UP

1шт.

38

01643-31032

WASHER

SN: 65001-UP

1шт.

39

600-051-2100

CLIP

SN: 65001-UP

1шт.

40

01010-81020

BOLT

SN: 65001-UP

1шт.

41

01643-31032

WASHER

SN: 65001-UP

1шт.

42

23B-40-43210

CLIP

SN: 65001-UP

1шт.

43

07095-20523

CUSHION

SN: 65001-UP

1шт.

44

01010-81020

BOLT

SN: 65001-UP

1шт.

45

01643-31032

WASHER

SN: 65001-UP

1шт.

46

08193-31012

CLIP

SN: 65001-UP

1шт.

47

7861-93-3320

SENSOR

SN: 65001-UP

1шт.

48

08193-21012

CLIP

SN: 65001-UP

1шт.

49

01010-81020

BOLT

SN: 65001-UP

1шт.

50

01643-31032

WASHER

SN: 65001-UP

1шт.

51

600-051-2050

CLIP

SN: 65001-UP

1шт.

52

07049-01215

PLUG

SN: 65001-UP

10шт.

53

04434-52310

CLIP

SN: 65001-UP

2шт.

54

01010-81020

BOLT

SN: 65001-UP

1шт.

55

01643-31032

WASHER

SN: 65001-UP

1шт.

Выбрано товаров: 0