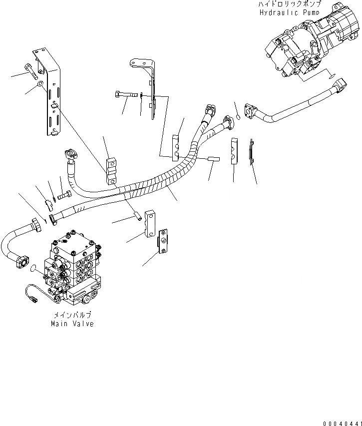
/ / / / / / ГИДРОЛИНИЯ (ЛИНИЯ ПОДАЧИ) (ДЛЯ 3-Х СЕКЦИОНН. КОНТРОЛЬН. КЛАПАН)(№-)
Запчасти Komatsu WA380-6 ГИДРОЛИНИЯ (ЛИНИЯ ПОДАЧИ) (ДЛЯ 3-Х СЕКЦИОНН. КОНТРОЛЬН. КЛАПАН)(№-) ГИДРАВЛИКА
1
2
2
3
4
5
6
7
8
8
9
9
10
10
11
11
12
12
1
423-62-41480
HOSE, 1450MM
SN: 65001-UP
1шт.
2
07000-13032
O-RING
SN: 65001-UP
2шт.
3
07371-31049
FLANGE
SN: 65001-UP
4шт.
4
07372-21035
BOLT
SN: 65001-UP
8шт.
5
01643-51032
WASHER
SN: 65001-UP
8шт.
6
423-62-43221
PLATE
SN: 65001-UP
1шт.
7
423-62-43211
PLATE
SN: 65001-UP
1шт.
8
01010-81090
BOLT
SN: 65001-UP
4шт.
9
01643-31032
WASHER
SN: 65001-UP
4шт.
10
423-62-34250
RUBBER
SN: 65001-UP
2шт.
11
423-62-35270
RUBBER
SN: 65001-UP
2шт.
12
417-62-23690
SPACER
SN: 65001-UP
4шт.
Выбрано товаров: 0