Запчасти Komatsu WA380-6 ГИДРОЛИНИЯ (АККУМУЛЯТОР)(№-) ГИДРАВЛИКА

Схема запчастей Komatsu WA380-6 - ГИДРОЛИНИЯ (АККУМУЛЯТОР)(№-) ГИДРАВЛИКА
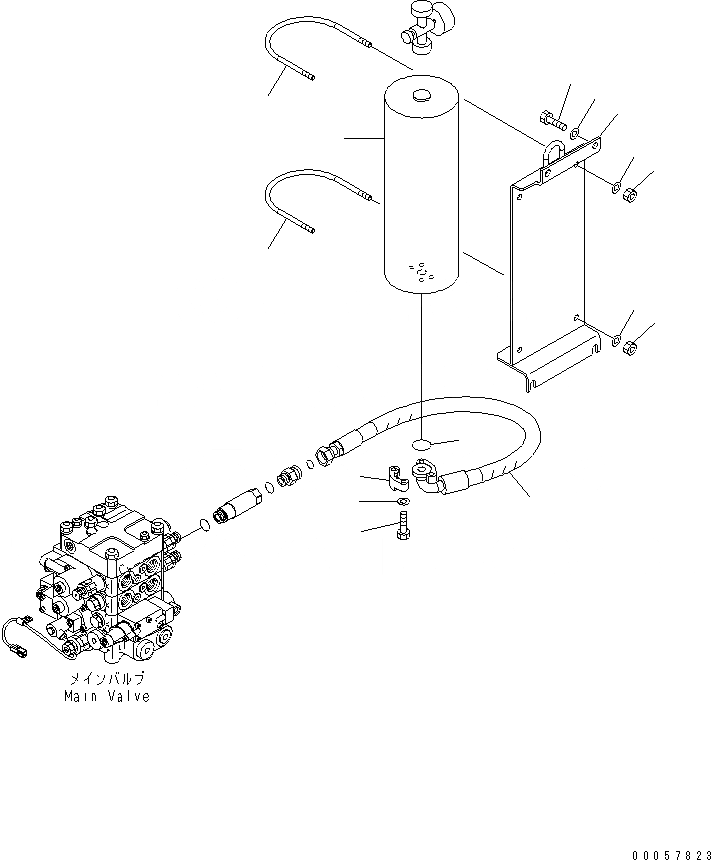
1
2
2
3
3
4
4
5
6
7
8
9
10
11
12
FIT
1:1
100%

Артикул

Название

Примечание

Количество

1

423-S99-3141

ACCUMULATOR ASS'Y

SN: 65001-UP

1шт.

2

423-S99-3120

CLIP

SN: 65001-UP

2шт.

3

01596-01009

NUT

SN: 65001-UP

4шт.

4

01643-31032

WASHER

SN: 65001-UP

4шт.

5

423-S99-4110

BRACKET

SN: 65001-UP

1шт.

6

01010-D1225

BOLT

SN: 65001-UP

4шт.

7

01643-71232

WASHER

SN: 65001-UP

4шт.

8

423-S99-4120

HOSE, 950MM

SN: 65001-UP

1шт.

9

363-18-31380

FLANGE

SN: 65001-UP

2шт.

10

07372-21035

BOLT

SN: 65001-UP

4шт.

11

01643-51032

WASHER

SN: 65001-UP

4шт.

12

363-18-31390

O-RING

SN: 65001-UP

1шт.

Выбрано товаров: 12