Запчасти Komatsu WA380-6 КОНТРОЛЬНЫЙ КЛАПАН (2-Х СЕЦИОНН.) (/8)(№-) ОСНОВН. КОМПОНЕНТЫ И РЕМКОМПЛЕКТЫ

Схема запчастей Komatsu WA380-6 - КОНТРОЛЬНЫЙ КЛАПАН (2-Х СЕЦИОНН.) (/8)(№-) ОСНОВН. КОМПОНЕНТЫ И РЕМКОМПЛЕКТЫ
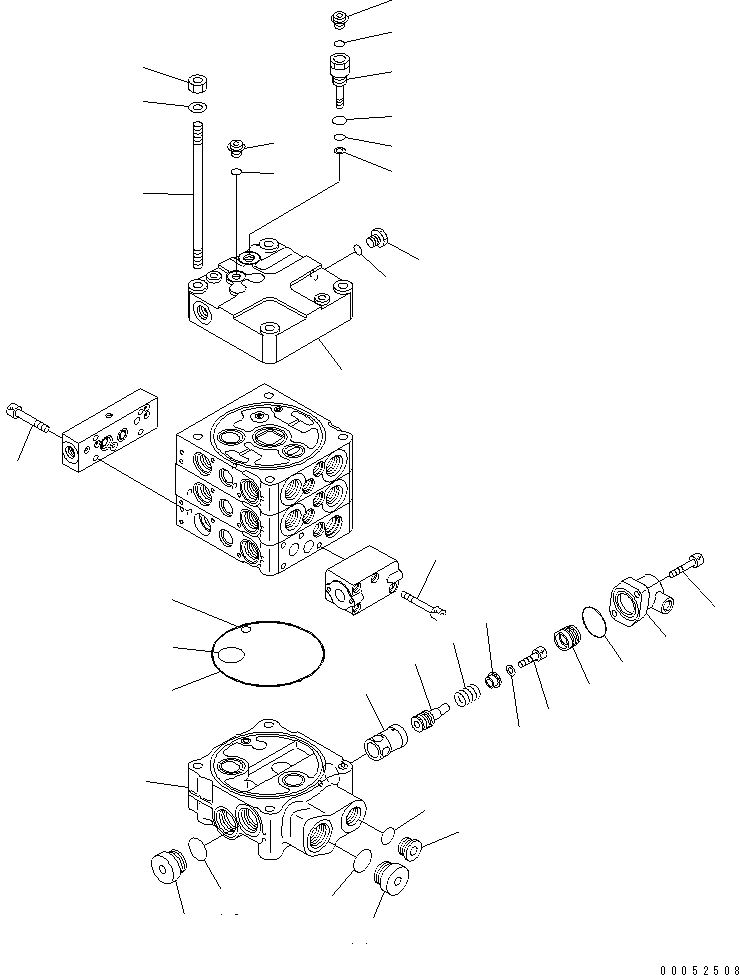
1
2
3
4
5
6
7
8
9
10
11
12
13
14
15
16
17
17
18
18
19
20
21
22
23
24
24
25
25
26
27
28
29
30
31
32
FIT
1:1
100%

Артикул

Название

Примечание

Количество

|$3

723-53-16202

CONTROL VALVE

SN: 65445-UP

1шт.

|$4

723-53-16201

CONTROL VALVE

SN: 65180-65444

1шт.

|$5

723-53-16200

CONTROL VALVE

SN: 65001-65179

1шт.

|$$4

THESE ASSEMBLIES CONSIST OF ALL PARTS SHOWN IN FIGS.Y1663-01A0 TO Y1663-08A0.

-1шт.

|$7

0

BLOCK GROUP

SN: 65001-UP

1шт.

1

0

BLOCK

SN: 65001-UP

1шт.

2

144-14-54610

O-RING

SN: 65001-UP

1шт.

3

723-56-31730

O-RING

SN: 65001-UP

1шт.

4

07000-11010

O-RING

SN: 65001-UP

1шт.

5

0

SLEEVE

SN: 65001-UP

1шт.

6

0

PISTON

SN: 65001-UP

1шт.

7

723-56-33830

SPRING

SN: 65001-UP

1шт.

8

07000-13042

O-RING

SN: 65001-UP

1шт.

9

01643-30623

WASHER

SN: 65001-UP

1шт.

10

01252-60820

BOLT

SN: 65001-UP

2шт.

11

0

CASE

SN: 65001-UP

1шт.

12

01252-60612

BOLT

SN: 65001-UP

1шт.

13

723-56-32970

RETAINER

SN: 65001-UP

1шт.

14

0

PISTON

SN: 65001-UP

1шт.

15

723-26-15230

PLUG

SN: 65001-UP

1шт.

16

07002-12434

O-RING

SN: 65001-UP

1шт.

17

07040-13316

PLUG

SN: 65001-UP

2шт.

18

07002-13334

O-RING

SN: 65001-UP

2шт.

|$26

0

COVER GROUP

SN: 65001-UP

1шт.

19

0

COVER

SN: 65001-UP

1шт.

20

723-50-11311

PLUG

SN: 65001-UP

1шт.

21

07000-11004

O-RING

SN: 65001-UP

1шт.

22

07001-01004

RING

SN: 65001-UP

1шт.

23

07002-11423

O-RING

SN: 65001-UP

1шт.

24

708-8E-16160

PLUG

SN: 65001-UP

2шт.

25

07002-11023

O-RING

SN: 65001-UP

2шт.

26

07040-11409

PLUG

SN: 65001-UP

1шт.

27

07002-11423

O-RING

SN: 65001-UP

1шт.

28

723-50-11130

STUD

SN: 65001-UP

4шт.

29

01643-31232

WASHER

SN: 65001-UP

4шт.

30

01580-11210

NUT

SN: 65001-UP

4шт.

31

01252-60840

BOLT

SN: 65001-UP

4шт.

32

01252-60860

BOLT

SN: 65001-UP

4шт.

Выбрано товаров: 0