Качественные детали и логистика
Оригинальные и аналоговые запчасти с доставкой по России, Казахстану и Беларуси
©2022 PartSell ООО "Система" ИНН 2463123282 ОГРН 1212400004838
Центральный офис: г. Красноярск, Академика Киренского, д.87, пом.4
Телефон: 8 (800) 777-65-74 Email: zakaz@partsell.ru
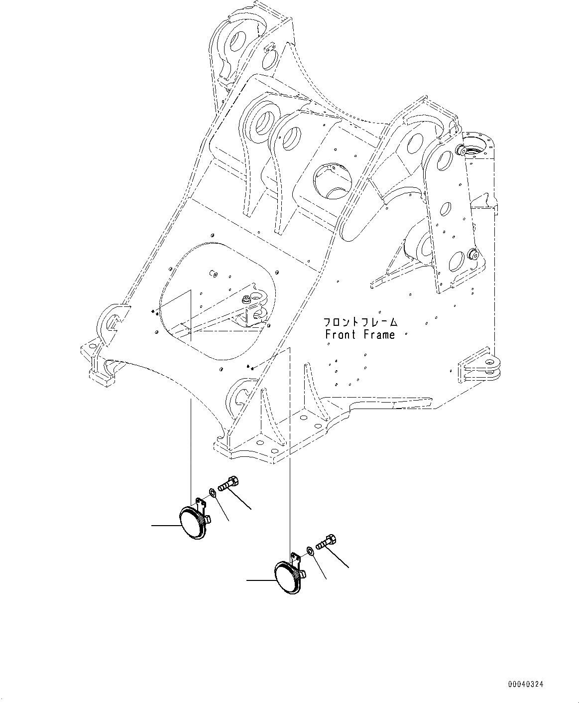
ЗВУК. СИГНАЛ. (№99-)
№
Артикул
Название
Примечание
Количество
1
425-06-31311
Horn, Hi and Low
SN: 65949-UP
1шт.
2
01010-80820
Bolt
4шт.
3
01643-30823
Washer
Выбрано товаров: 0