Запчасти Komatsu WA380-6 ГИДРОТРАНСФОРМАТОР И ТРАНСМИССИЯ, С ЭКСТРЕНН. УПРАВЛ., С ГИДРОТРАНСФОРМАТОР БЛОКИР.UP, ГИДРАВЛ МАСЛ. НАСОС КРЕПЛЕНИЕ (№99-) ГИДРОТРАНСФОРМАТОР И ТРАНСМИССИЯ, С ЭКСТРЕНН. УПРАВЛ., С ГИДРОТРАНСФОРМАТОР БЛОКИР.UP

Схема запчастей Komatsu WA380-6 - ГИДРОТРАНСФОРМАТОР И ТРАНСМИССИЯ, С ЭКСТРЕНН. УПРАВЛ., С ГИДРОТРАНСФОРМАТОР БЛОКИР.UP, ГИДРАВЛ МАСЛ. НАСОС КРЕПЛЕНИЕ (№99-) ГИДРОТРАНСФОРМАТОР И ТРАНСМИССИЯ, С ЭКСТРЕНН. УПРАВЛ., С ГИДРОТРАНСФОРМАТОР БЛОКИР.UP
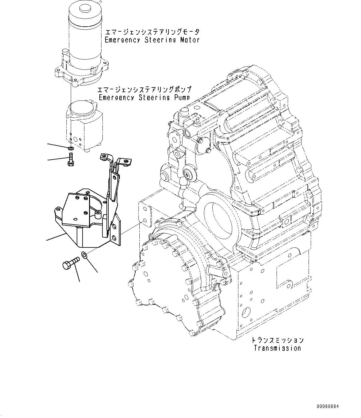
1
2
3
5
4
FIT
1:1
100%

Артикул

Название

Примечание

Количество

1

01010-81030

Bolt

SN: 65949-UP

2шт.

2

01643-31032

Washer

SN: 65949-UP

2шт.

3

423-62-43381

Bracket

SN: 65949-UP

1шт.

4

01010-81640

Bolt

SN: 65949-UP

2шт.

5

01643-31645

Washer

SN: 65949-UP

2шт.

Выбрано товаров: 5