Запчасти Komatsu WA380-6 ГИДРОТРАНСФОРМАТОР И ТРАНСМИССИЯ, С ГИДРОТРАНСФОРМАТОР БЛОКИР.UP, АКСЕССУАРЫ (/) (№99-) ГИДРОТРАНСФОРМАТОР И ТРАНСМИССИЯ, С ГИДРОТРАНСФОРМАТОР БЛОКИР.UP

Схема запчастей Komatsu WA380-6 - ГИДРОТРАНСФОРМАТОР И ТРАНСМИССИЯ, С ГИДРОТРАНСФОРМАТОР БЛОКИР.UP, АКСЕССУАРЫ (/) (№99-) ГИДРОТРАНСФОРМАТОР И ТРАНСМИССИЯ, С ГИДРОТРАНСФОРМАТОР БЛОКИР.UP
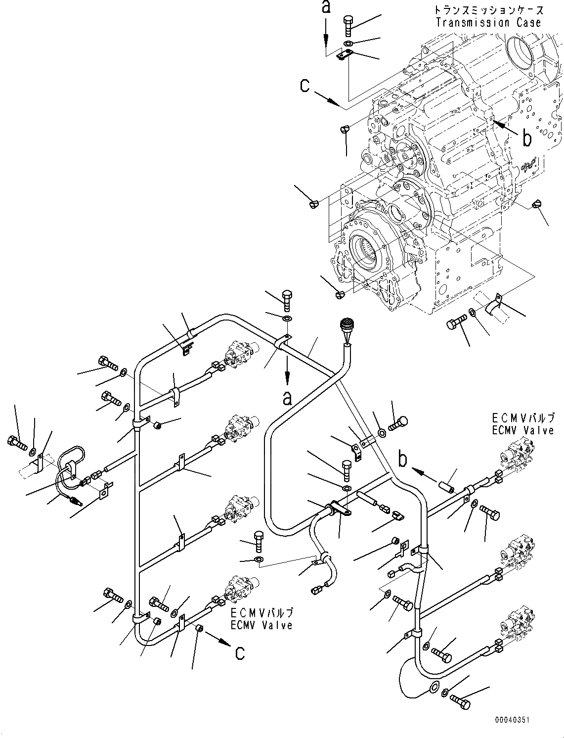
1
2
5
3
4
6
7
8
9
11
10
12
13
14
15
16
17
18
20
21
22
23
24
25
26
27
28
29
30
31
32
33
34
35
36
37
38
39
40
51
53
41
42
44
45
46
47
48
49
50
28
13
12
43
53
56
55
52
19
17
18
54
52
52
52
FIT
1:1
100%

Артикул

Название

Примечание

Количество

|$0

714-12-30013

Transmission Assembly

SN: 65949-UP

1шт.

1

714-12-35822

Wiring Harness

SN: 65949-UP

1шт.

2

21J-06-13661

Diode

SN: 65949-UP

1шт.

3

01010-81020

Bolt

SN: 65949-UP

1шт.

4

01643-31032

Washer

SN: 65949-UP

1шт.

5

600-051-2140

Clip

SN: 65949-UP

1шт.

6

01010-81020

Bolt

SN: 65949-UP

1шт.

7

01643-31032

Washer

SN: 65949-UP

1шт.

8

600-051-2180

Clip

SN: 65949-UP

1шт.

9

195-01-14540

Collar

SN: 65949-UP

1шт.

10

01010-81035

Bolt

SN: 65949-UP

1шт.

11

01643-31032

Washer

SN: 65949-UP

1шт.

12

600-051-2180

Clip

SN: 65949-UP

2шт.

13

714-12-38760

Bracket

SN: 65949-UP

2шт.

14

01010-81020

Bolt

SN: 65949-UP

4шт.

15

01643-31032

Washer

SN: 65949-UP

4шт.

16

600-051-2180

Clip

SN: 65949-UP

1шт.

17

01010-81020

Bolt

SN: 65949-UP

2шт.

18

01643-31032

Washer

SN: 65949-UP

2шт.

19

714-12-38770

Bracket

SN: 65949-UP

1шт.

20

600-051-2180

Clip

SN: 65949-UP

1шт.

21

195-01-14540

Collar

SN: 65949-UP

1шт.

22

01010-81035

Bolt

SN: 65949-UP

1шт.

23

01643-31032

Washer

SN: 65949-UP

1шт.

24

600-051-2140

Clip

SN: 65949-UP

1шт.

25

195-01-14540

Collar

SN: 65949-UP

1шт.

26

01010-81035

Bolt

SN: 65949-UP

1шт.

27

01643-31032

Washer

SN: 65949-UP

1шт.

28

600-051-2100

Clip

SN: 65949-UP

2шт.

29

195-01-14540

Collar

SN: 65949-UP

2шт.

30

01010-81035

Bolt

SN: 65949-UP

2шт.

31

01643-31032

Washer

SN: 65949-UP

2шт.

32

600-051-2100

Clip

SN: 65949-UP

1шт.

33

01010-81020

Bolt

SN: 65949-UP

1шт.

34

01643-31032

Washer

SN: 65949-UP

1шт.

35

600-051-2100

Clip

SN: 65949-UP

1шт.

36

6150-81-6940

Spacer

SN: 65949-UP

1шт.

37

01010-81075

Bolt

SN: 65949-UP

1шт.

38

01643-31032

Washer

SN: 65949-UP

1шт.

39

600-051-2100

Clip

SN: 65949-UP

1шт.

40

01010-81020

Bolt

SN: 65949-UP

1шт.

41

01643-31032

Washer

SN: 65949-UP

1шт.

42

23B-40-43210

Clip

SN: 65949-UP

1шт.

43

07095-20523

Cushion

SN: 65949-UP

1шт.

44

01010-81020

Bolt

SN: 65949-UP

1шт.

45

01643-31032

Washer

SN: 65949-UP

1шт.

46

08193-31012

Clip

SN: 65949-UP

1шт.

47

7861-93-3320

Sensor, Temperature

SN: 65949-UP

1шт.

48

08193-21012

Clip

SN: 65949-UP

1шт.

49

01010-81020

Bolt

SN: 65949-UP

1шт.

50

01643-31032

Washer

SN: 65949-UP

1шт.

51

600-051-2050

Clip

SN: 65949-UP

1шт.

52

07049-01215

Plug

SN: 65949-UP

10шт.

53

600-051-2100

Clip

SN: 65949-UP

1шт.

54

04434-52310

Clip

SN: 65949-UP

2шт.

55

01010-81020

Bolt

SN: 65949-UP

1шт.

56

01643-31032

Washer

SN: 65949-UP

1шт.

Выбрано товаров: 57