Запчасти Komatsu WA380-6 РАДИАТОР, БЕЗ КОНДИЦ. ВОЗДУХА, ВЕНТИЛЯТОР ОХЛАЖДЕНИЯ МОТОР (/) (№99-) РАДИАТОР, БЕЗ КОНДИЦ. ВОЗДУХА

Схема запчастей Komatsu WA380-6 - РАДИАТОР, БЕЗ КОНДИЦ. ВОЗДУХА, ВЕНТИЛЯТОР ОХЛАЖДЕНИЯ МОТОР (/) (№99-) РАДИАТОР, БЕЗ КОНДИЦ. ВОЗДУХА
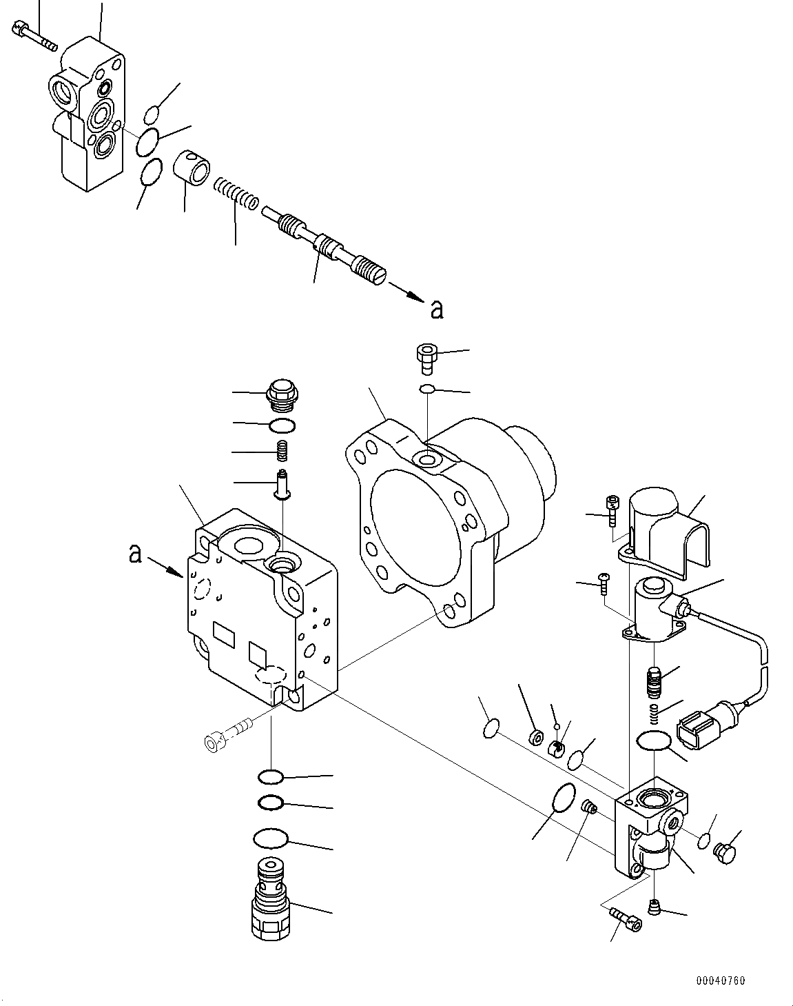
3
1
8
31
19
25
29
30
22
35
28
18
27
24
21
20
17
32
26
23
14
7
4
11
6
10
9
15
13
12
16
5
2
36
39
38
37
34
33
FIT
1:1
100%

Артикул

Название

Примечание

Количество

|$0

708-7S-00550

Motor Assembly

SN: 65949-UP

1шт.

1

708-7S-11740

Case

SN: 65949-UP

1шт.

2

07040-11007

Plug

SN: 65949-UP

1шт.

3

07002-21023

O-ring

SN: 65949-UP

1шт.

3

708-7S-01430

Cover Subassembly

SN: 65949-UP

1шт.

4

Cover

SN: 65949-UP

1шт.

5

708-7R-11210

Valve

SN: 65949-UP

1шт.

6

722-10-91130

Spring

SN: 65949-UP

1шт.

7

709-32-12861

Plug

SN: 65949-UP

1шт.

8

07002-21823

O-ring

SN: 65949-UP

1шт.

9

Spool

SN: 65949-UP

1шт.

10

708-7S-18120

Spring

SN: 65949-UP

1шт.

11

708-7S-18310

Spacer

SN: 65949-UP

1шт.

12

708-7S-18320

Cover

SN: 65949-UP

1шт.

13

07000-E2020

O-ring

SN: 65949-UP

1шт.

14

07000-E2025

O-ring

SN: 65949-UP

1шт.

15

07000-E2012

O-ring

SN: 65949-UP

1шт.

16

01252-60845

Bolt, Hexagon Socket Head

SN: 65949-UP

4шт.

16

708-7S-01440

Valve Assembly, Pilot

SN: 65949-UP

1шт.

17

702-21-56241

Solenoid

SN: 65949-UP

1шт.

18

702-21-55870

O-ring

SN: 65949-UP

1шт.

19

Case

SN: 65949-UP

1шт.

20

Spool

SN: 65949-UP

1шт.

21

702-21-56220

Spring

SN: 65949-UP

1шт.

22

708-21-12541

Plug

SN: 65949-UP

1шт.

23

01252-60616

Bolt, Hexagon Socket Head

SN: 65949-UP

2шт.

24

708-2L-25490

O-ring

SN: 65949-UP

1шт.

25

708-2L-25480

Filter

SN: 65949-UP

1шт.

26

702-21-54180

Screw

SN: 65949-UP

2шт.

27

07000-F1008

O-ring

SN: 65949-UP

1шт.

28

708-7S-18230

O-ring

SN: 65949-UP

1шт.

29

07040-11007

Plug

SN: 65949-UP

1шт.

30

07002-21023

O-ring

SN: 65949-UP

1шт.

31

708-2L-29460

Orifice

SN: 65949-UP

1шт.

32

708-1S-18180

Cover

SN: 65949-UP

1шт.

33

708-7S-18480

Valve

SN: 65949-UP

1шт.

34

Ball

SN: 65949-UP

1шт.

35

01252-60825

Bolt, Hexagon Socket Head

SN: 65949-UP

4шт.

36

708-7T-02281

Valve, Relief

SN: 65949-UP

1шт.

37

07000-F2016

O-ring

SN: 65949-UP

1шт.

38

07001-02016

Ring, Back-up

SN: 65949-UP

1шт.

39

07002-12434

O-ring

SN: 65949-UP

1шт.

Выбрано товаров: 42