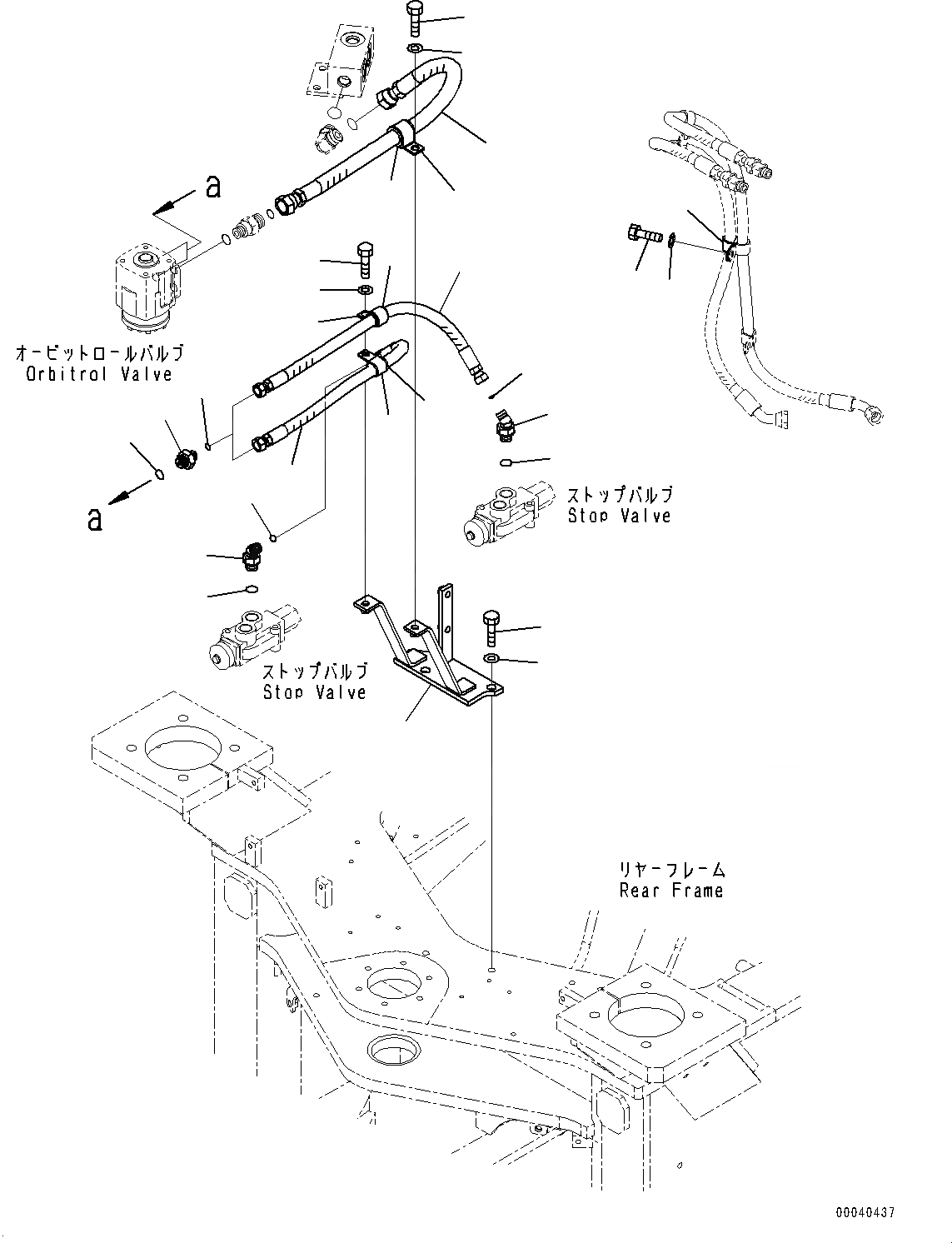
Запчасти Komatsu WA380-6 РУЛЕВ. УПРАВЛЕНИЕ ГИДРОЛИНИЯ, С ДЖОЙСТИК СИСТЕМАУПРАВЛЕНИЯ ПОВОРОТОМ, ORBITROL КЛАПАН ТРУБЫ (№99-) РУЛЕВ. УПРАВЛЕНИЕ ГИДРОЛИНИЯ, С ДЖОЙСТИК СИСТЕМАУПРАВЛЕНИЯ ПОВОРОТОМ

Схема запчастей Komatsu WA380-6 - РУЛЕВ. УПРАВЛЕНИЕ ГИДРОЛИНИЯ, С ДЖОЙСТИК СИСТЕМАУПРАВЛЕНИЯ ПОВОРОТОМ, ORBITROL КЛАПАН ТРУБЫ (№99-) РУЛЕВ. УПРАВЛЕНИЕ ГИДРОЛИНИЯ, С ДЖОЙСТИК СИСТЕМАУПРАВЛЕНИЯ ПОВОРОТОМ
21
17
16
18
20
15
1
2
3
4
5
6
7
8
9
10
11
12
13
14
15
16
17
18
19
22
23
24
FIT
1:1
100%

Артикул

Название

Примечание

Количество

1

424-62-31170

Nipple

SN: 65949-UP

2шт.

2

415-62-11560

O-ring

SN: 65949-UP

2шт.

3

02896-11009

O-ring

SN: 65949-UP

2шт.

4

423-S33-4180

Hose

SN: 65949-UP

1шт.

5

423-S33-4160

Hose

SN: 65949-UP

1шт.

6

02783-10315

Elbow

SN: 65949-UP

1шт.

7

07002-12034

O-ring

SN: 65949-UP

1шт.

8

02896-11009

O-ring

SN: 65949-UP

1шт.

9

02783-10315

Elbow

SN: 65949-UP

1шт.

10

07002-12034

O-ring

SN: 65949-UP

1шт.

11

02896-11009

O-ring

SN: 65949-UP

1шт.

12

04434-51510

Clip

SN: 65949-UP

1шт.

13

01010-81020

Bolt

SN: 65949-UP

1шт.

14

01643-31032

Washer

SN: 65949-UP

1шт.

15

04434-52312

Clip

SN: 65949-UP

3шт.

16

07095-20314

Cushion

SN: 65949-UP

3шт.

17

01010-81025

Bolt

SN: 65949-UP

2шт.

18

01643-31032

Washer

SN: 65949-UP

2шт.

19

423-62-41270

Bracket

SN: 65949-UP

1шт.

20

01010-81435

Bolt

SN: 65949-UP

2шт.

21

01643-31445

Washer, Flat

SN: 65949-UP

2шт.

22

423-S33-4150

Hose

SN: 65949-UP

1шт.

23

04434-53212

Clip

SN: 65949-UP

1шт.

24

07095-20523

Cushion

SN: 65949-UP

1шт.

Выбрано товаров: 24