Запчасти Komatsu WA380-6 СОЧЛ. СОЕД. БЛОКИР. BAR И РАМА COVER, С 2-Х СЕКЦИОНН. УПРАВЛЯЮЩ. КЛАПАН, СИЛОВАЯ ПЕРЕДАЧА ЧАСТИ КОРПУСА, ДЛЯ СТРАН ЕС НОВ. NOISE ARRANGEMENT , ЩИТКИ (№9 СОЧЛ. СОЕД. БЛОКИР. BAR И РАМА COVER, С 2-Х СЕКЦИОНН. УПРАВЛЯЮЩ. КЛАПАН, СИЛО

Схема запчастей Komatsu WA380-6 - СОЧЛ. СОЕД. БЛОКИР. BAR И РАМА COVER, С 2-Х СЕКЦИОНН. УПРАВЛЯЮЩ. КЛАПАН, СИЛОВАЯ ПЕРЕДАЧА ЧАСТИ КОРПУСА, ДЛЯ СТРАН ЕС НОВ. NOISE ARRANGEMENT , ЩИТКИ (№9 СОЧЛ. СОЕД. БЛОКИР. BAR И РАМА COVER, С 2-Х СЕКЦИОНН. УПРАВЛЯЮЩ. КЛА
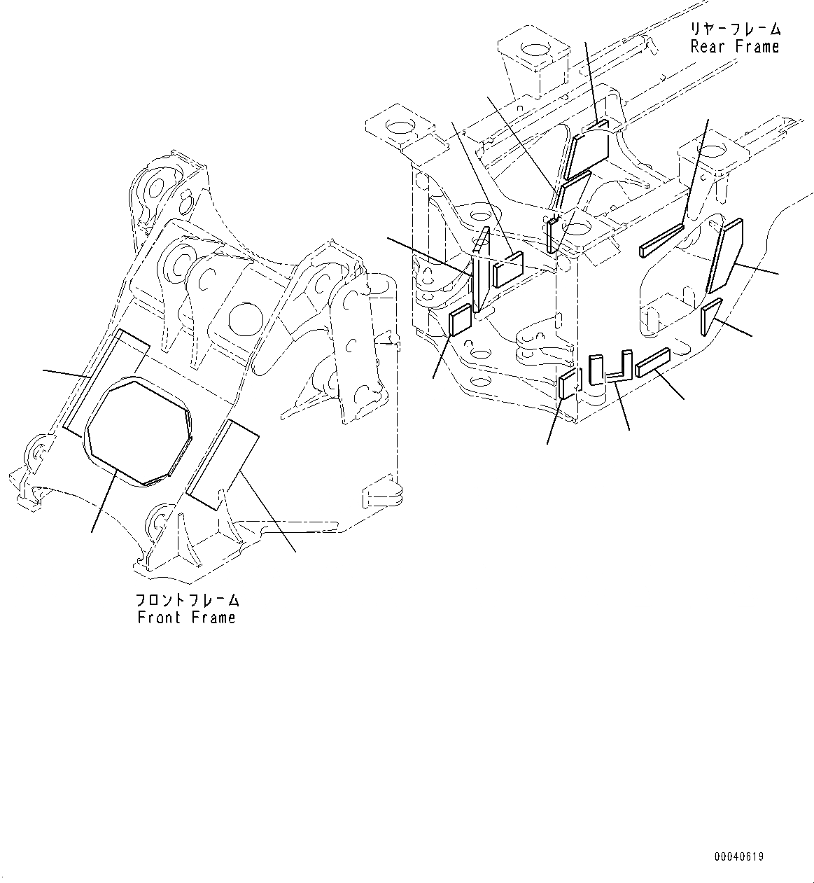
2
8
7
6
5
4
3
4
1
9
13
11
12
10
FIT
1:1
100%

Артикул

Название

Примечание

Количество

1

423-46-34890

Sheet

SN: 65949-UP

1шт.

2

423-46-34910

Sheet

SN: 65949-UP

1шт.

3

423-46-44910

Sheet

SN: 65949-UP

1шт.

4

423-46-34920

Sheet

SN: 65949-UP

2шт.

5

423-46-34930

Sheet

SN: 65949-UP

1шт.

6

423-46-34940

Sheet

SN: 65949-UP

1шт.

7

423-46-34950

Sheet

SN: 65949-UP

1шт.

8

423-46-44870

Sheet

SN: 65949-UP

1шт.

9

423-46-34970

Sheet

SN: 65949-UP

1шт.

10

423-46-44880

Sheet

SN: 65949-UP

1шт.

11

423-46-34650

Sheet

SN: 65949-UP

1шт.

12

423-46-34991

Sheet

SN: 65949-UP

1шт.

13

423-46-44890

Sheet

SN: 65949-UP

1шт.

Выбрано товаров: 13