Запчасти Komatsu WA380-6 СОЧЛ. СОЕД. БЛОКИР. BAR И РАМА COVER, С 2-Х СЕКЦИОНН. УПРАВЛЯЮЩ. КЛАПАН, ДЛЯ СТРАН ЕС НОВ. NOISE ARRANGEMENT , ПЕРЕДН. КРЫШКА(№99-) СОЧЛ. СОЕД. БЛОКИР. BAR И РАМА COVER, С 2-Х СЕКЦИОНН. УПРАВЛЯЮЩ. КЛАПАН, ДЛЯ СТРАН ЕС НОВ. NOISE A

Схема запчастей Komatsu WA380-6 - СОЧЛ. СОЕД. БЛОКИР. BAR И РАМА COVER, С 2-Х СЕКЦИОНН. УПРАВЛЯЮЩ. КЛАПАН, ДЛЯ СТРАН ЕС НОВ. NOISE ARRANGEMENT , ПЕРЕДН. КРЫШКА(№99-) СОЧЛ. СОЕД. БЛОКИР. BAR И РАМА COVER, С 2-Х СЕКЦИОНН. УПРАВЛЯЮЩ. КЛАПАН, ДЛЯ СТРАН ЕС НОВ
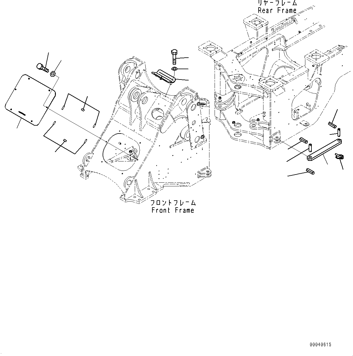
8
7
6
9
9
11
12
10
4
3
2
1
5
3
2
FIT
1:1
100%

Артикул

Название

Примечание

Количество

1

421-46-12920

Bar

SN: 65949-UP

1шт.

2

421-46-12721

Pin

SN: 65949-UP

2шт.

3

04025-01065

Pin, Spring

SN: 65949-UP

1шт.

4

04025-01065

Pin, Spring

SN: 65949-UP

1шт.

5

421-46-12740

Pin, Linch

SN: 65949-UP

1шт.

6

423-46-44170

Cover

SN: 65949-UP

1шт.

7

01010-D1230

Bolt

SN: 65949-UP

6шт.

8

01643-71232

Washer

SN: 65949-UP

6шт.

9

421-09-21420

Sheet

SN: 65949-UP

6шт.

10

423-46-44440

Cover

SN: 65949-UP

1шт.

11

01010-81050

Bolt

SN: 65949-UP

3шт.

12

01643-31032

Washer

SN: 65949-UP

3шт.

Выбрано товаров: 12