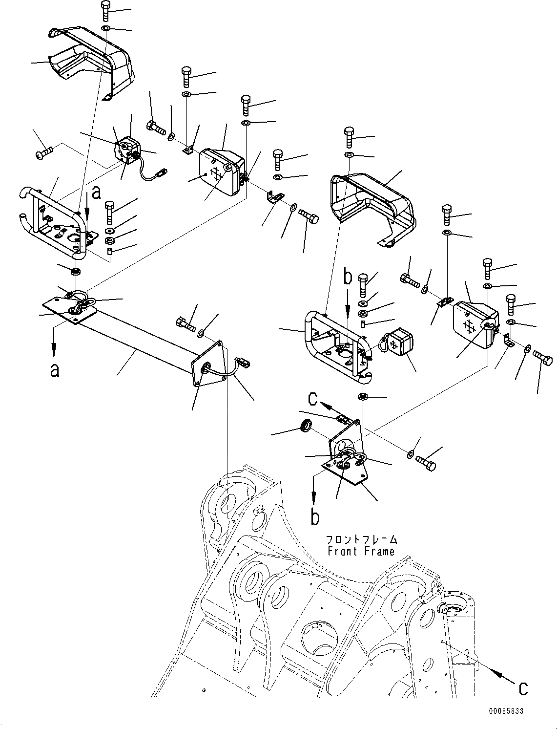
Запчасти Komatsu WA380-6 ПЕРЕДН. ОСВЕЩЕНИЕ (№99-8) ПЕРЕДН. ОСВЕЩЕНИЕ, БЕЗ ПЕРЕДН. ЛАМПА РАБОЧ. ОСВЕЩЕНИЯ

Схема запчастей Komatsu WA380-6 - ПЕРЕДН. ОСВЕЩЕНИЕ (№99-8) ПЕРЕДН. ОСВЕЩЕНИЕ, БЕЗ ПЕРЕДН. ЛАМПА РАБОЧ. ОСВЕЩЕНИЯ
8
9
11
12
20
21
25
26
27
28
29
31
17
16
15
13
14
24
19
23
22
36
37
11
12
23
22
10
35
33
32
24
23
22
19
17
16
15
14
13
35
36
7
6
5
3
4
6
23
22
7
37
30
32
33
40
34
41
2
1
1
2
38
41
40
1
39
34
1
18
18
FIT
1:1
100%

Артикул

Название

Примечание

Количество

1

424-06-43151

Wiring Harness

SN: 65949-66081

2шт.

2

08037-03614

Grommet

SN: 65949-66081

2шт.

3

423-06-43130

Bracket,L.H.

SN: 65949-66081

1шт.

4

421-06-23552

Plate

SN: 65949-66081

1шт.

5

421-06-23630

Plate,L.H.

SN: 65949-66081

1шт.

6

01010-81025

Bolt

SN: 65949-66081

2шт.

7

01643-31032

Washer

SN: 65949-66081

2шт.

8

423-06-43140

Bracket,R.H.

SN: 65949-66081

1шт.

9

421-06-23552

Plate

SN: 65949-66081

1шт.

10

421-06-23640

Plate,R.H.

SN: 65949-66081

1шт.

11

01010-81025

Bolt

SN: 65949-66081

2шт.

12

01643-31032

Washer

SN: 65949-66081

2шт.

13

417-54-13470

Spacer

SN: 65949-66081

6шт.

14

419-43-17930

Cushion

SN: 65949-66081

6шт.

15

415-64-13130

Cushion

SN: 65949-66081

6шт.

16

419-43-17920

Washer

SN: 65949-66081

6шт.

17

01010-81250

Bolt

SN: 65949-66081

6шт.

18

08037-03614

Grommet

SN: 65949-66081

2шт.

19

424-06-43211

Lamp

SN: 65949-66081

2шт.

20

424-06-23220

Lens, Clear

SN: 65949-66081

1шт.

21

424-06-23230

Bulb, 75/70watt

SN: 65949-66081

1шт.

22

01010-80825

Bolt

SN: 65949-66081

4шт.

23

01602-20825

Washer

SN: 65949-66081

4шт.

24

424-06-43221

Lamp

SN: 65949-66081

2шт.

25

41G-06-13210

Lens, Orange,Front

SN: 65949-66081

1шт.

26

41G-06-13220

Lens, Orange,Rear

SN: 65949-66081

1шт.

27

41G-06-13230

Bulb, 5watt

SN: 65949-66081

1шт.

28

08105-12420

Bulb, 25watt

SN: 65949-66081

1шт.

29

01220-40425

Screw

SN: 65949-66081

4шт.

30

421-06-23611

Cover,L.H.

SN: 65949-66081

1шт.

31

421-06-23621

Cover,R.H.

SN: 65949-66081

1шт.

32

01010-80616

Bolt

SN: 65949-66081

10шт.

33

01643-30623

Washer

SN: 65949-66081

10шт.

34

04434-51010

Clip

SN: 65949-66081

2шт.

35

04434-50610

Clip

SN: 65949-66081

2шт.

36

01010-80820

Bolt

SN: 65949-66081

2шт.

37

01643-30823

Washer

SN: 65949-66081

2шт.

38

423-06-43111

Support,L.H.

SN: 65949-66081

1шт.

39

423-06-43121

Support,R.H.

SN: 65949-66081

1шт.

40

01010-81230

Bolt

SN: 65949-66081

6шт.

41

01643-31232

Washer

SN: 65949-66081

6шт.

Выбрано товаров: 0