Запчасти Komatsu WA380-6 ГИДРОТРАНСФОРМАТОР И ТРАНСМИССИЯ, КРЕПЛЕНИЕ ТРАНСМИССИИ (№99-) ГИДРОТРАНСФОРМАТОР И ТРАНСМИССИЯ, С ГИДРОТРАНСФОРМАТОР БЛОКИР.UP

Схема запчастей Komatsu WA380-6 - ГИДРОТРАНСФОРМАТОР И ТРАНСМИССИЯ, КРЕПЛЕНИЕ ТРАНСМИССИИ (№99-) ГИДРОТРАНСФОРМАТОР И ТРАНСМИССИЯ, С ГИДРОТРАНСФОРМАТОР БЛОКИР.UP
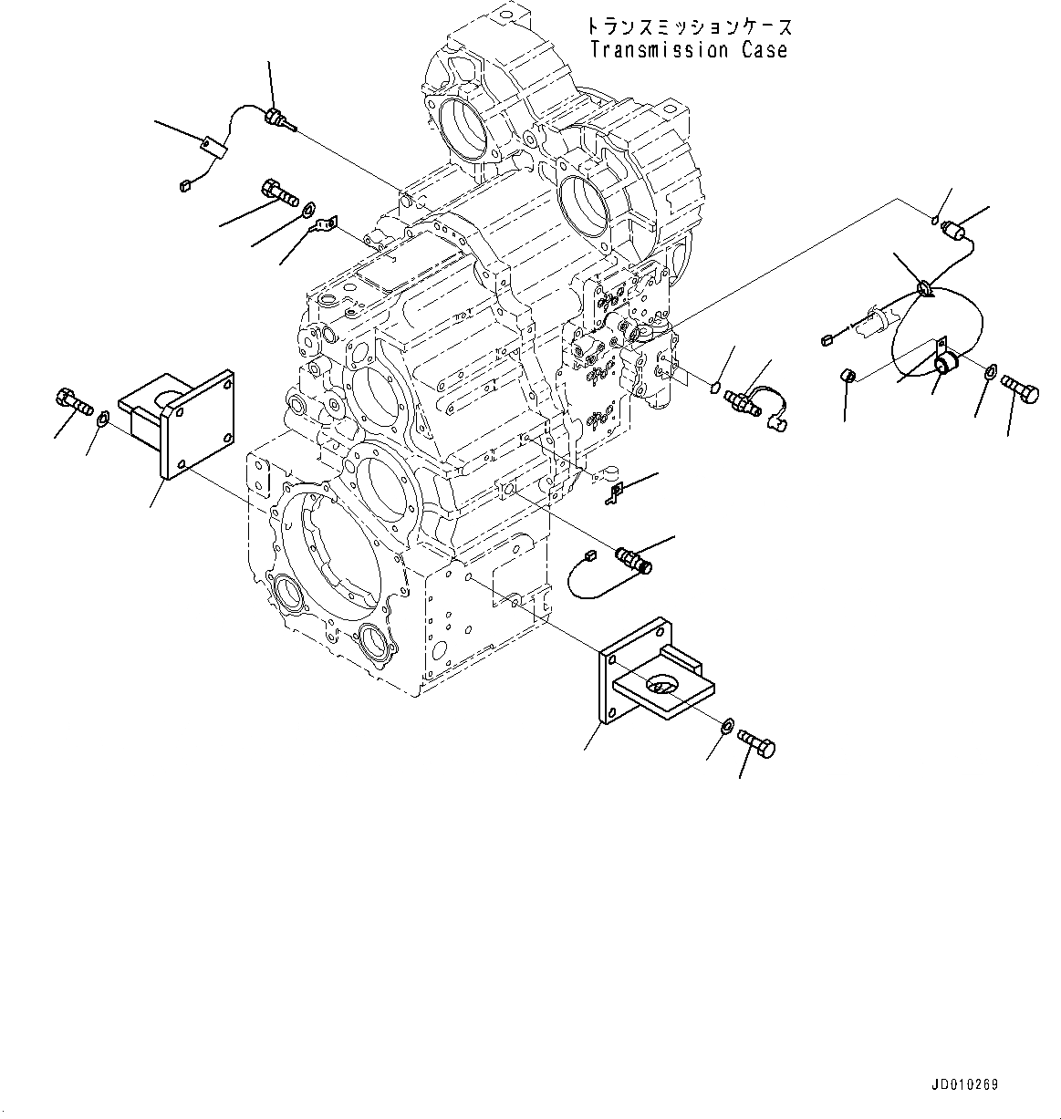
8
4
1
2
3
5
6
7
19
18
10
9
2
3
1
20
17
16
14
13
11
12
15
FIT
1:1
100%

Артикул

Название

Примечание

Количество

1

423-01-41150

Bracket

SN: 65949-UP

2шт.

2

01010-61650

Bolt

SN: 65949-UP

8шт.

3

01643-31645

Washer

SN: 65949-UP

8шт.

4

7861-93-3320

Sensor, Oil Temperature

SN: 65949-UP

1шт.

5

08193-21012

Clip

SN: 65949-UP

1шт.

6

01010-81020

Bolt

SN: 65949-UP

1шт.

7

01643-31032

Washer

SN: 65949-UP

1шт.

8

08193-21012

Clip

SN: 65949-UP

1шт.

9

799-101-5220

Nipple

SN: 65949-UP

2шт.

10

07002-61023

O-ring

SN: 65949-UP

2шт.

11

04434-51710

Clip

SN: 65949-UP

1шт.

12

07095-20211

Cushion

SN: 65949-UP

1шт.

13

01010-81035

Bolt

SN: 65949-UP

1шт.

14

01643-31032

Washer

SN: 65949-UP

1шт.

15

195-01-14540

Collar

SN: 65949-UP

1шт.

16

418-43-37681

Switch, Pressure

SN: 65949-UP

1шт.

17

07002-61423

O-ring

SN: 65949-UP

1шт.

18

600-051-2050

Clip

SN: 65949-UP

1шт.

19

7861-93-2330

Sensor, Magnetic Pick-Up

SN: 65949-UP

1шт.

20

08034-20519

Band

SN: 65949-UP

1шт.

Выбрано товаров: 20