Запчасти Komatsu WA380-6 ГИДРАВЛ МАСЛ. НАСОС, НАСОС РУЛЕВ. УПРАВЛ-Я (/) (№99-) ГИДРАВЛ МАСЛ. НАСОС

Схема запчастей Komatsu WA380-6 - ГИДРАВЛ МАСЛ. НАСОС, НАСОС РУЛЕВ. УПРАВЛ-Я (/) (№99-) ГИДРАВЛ МАСЛ. НАСОС
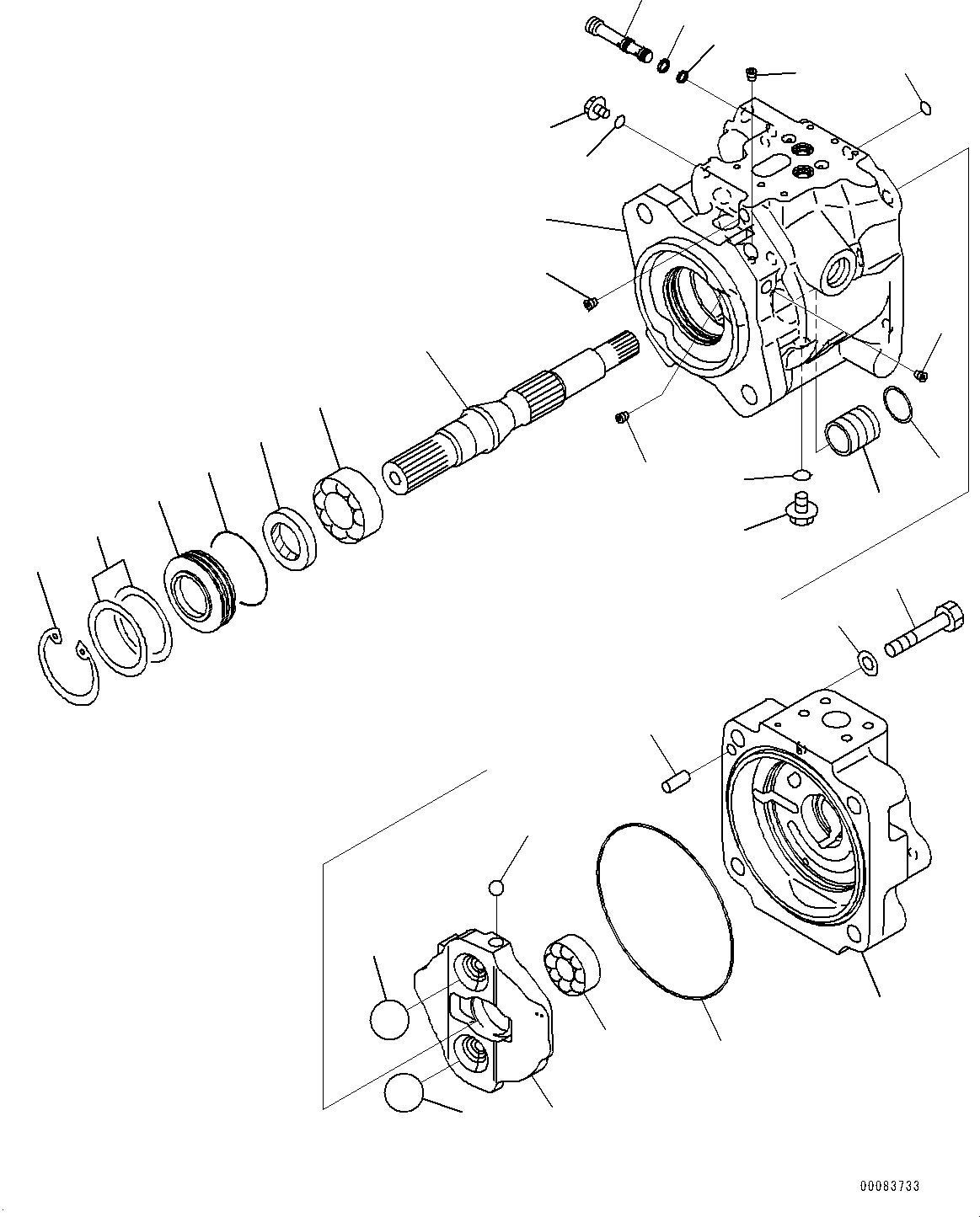
2
2
2
19
1
2
5
6
7
8
9
10
11
12
13
15
14
16
17
18
19
20
21
22
23
24
25
26
28
27
3
4
FIT
1:1
100%

Артикул

Название

Примечание

Количество

|$0

708-1U-00152

Pump Assembly

SN: 66067-66106

1шт.

|$1

708-1U-00151

Pump Assembly

SN: 65949-66066

1шт.

|$2

708-1U-01155

Pump Subassembly

SN: 66067-66106

1шт.

|$3

708-1U-01154

Pump Subassembly

SN: 65949-66066

1шт.

|$4

708-1U-04171

Case Assembly

SN: 65949-66106

1шт.

1

Case, Pump

SN: 65949-66106

1шт.

2

Plug

SN: 65949-66106

4шт.

3

Sleeve

SN: 65949-@

1шт.

4

Ring

SN: 65949-@

1шт.

5

708-8E-16160

Plug

SN: 65949-@

2шт.

6

07002-11023

O-ring

SN: 65949-@

2шт.

7

07040-11409

Plug

SN: 65949-@

1шт.

8

07002-11423

O-ring

SN: 65949-@

1шт.

9

706-73-42370

O-ring

SN: 65949-@

1шт.

10

07000-B1009

O-ring

SN: 65949-@

1шт.

11

04020-01024

Pin, Dowel

SN: 65949-@

1шт.

12

01010-61470

Bolt

SN: 65949-@

4шт.

13

01643-31445

Washer, Flat

SN: 65949-@

4шт.

13

708-1W-03930

Plug Kit

SN: 65949-@

1шт.

14

Plug

SN: 65949-@

1шт.

15

Seal

SN: 65949-@

1шт.

16

Seal

SN: 65949-@

1шт.

17

708-1U-11523

Cap, End, end

SN: 65949-@

1шт.

18

708-1W-42120

Bearing

SN: 65949-@

1шт.

19

708-3T-13421

Ball

SN: 65949-66106

2шт.

20

708-1U-13421

Cam, Rocker

SN: 65949-66106

1шт.

21

04260-01270

Ball

SN: 65949-@

1шт.

22

708-1U-12120

Shaft

SN: 65949-66106

1шт.

23

708-1W-42110

Bearing

SN: 65949-@

1шт.

24

708-1W-42140

Case, Seal

SN: 65949-@

1шт.

25

708-1W-42130

Seal, Oil

SN: 65949-@

1шт.

26

07000-B2060

O-ring

SN: 65949-@

1шт.

27

708-1W-05821

Spacer Kit

SN: 65949-@

1шт.

27

Spacer, T=2.5mm

SN: 65949-@

1шт.

27

Spacer, T=2.55mm

SN: 65949-@

1шт.

27

Spacer, T=2.6mm

SN: 65949-@

1шт.

27

Spacer, T=2.65mm

SN: 65949-@

1шт.

27

Spacer, T=2.7mm

SN: 65949-@

1шт.

27

Spacer, T=2.75mm

SN: 65949-@

1шт.

27

Spacer, T=2.8mm

SN: 65949-@

1шт.

27

Spacer, T=2.85mm

SN: 65949-@

1шт.

27

Spacer, T=2.9mm

SN: 65949-@

1шт.

28

04065-06825

Ring, Snap

SN: 65949-@

1шт.

Выбрано товаров: 0