Запчасти Komatsu WA380-6 ГИДРОЛИНИЯ, ГИДРОЦИЛИНДР КОВША ТРУБЫ (№99-) ГИДРОЛИНИЯ, С ORBIT-ROLL СИСТЕМАУПРАВЛЕНИЯ ПОВОРОТОМ, ДЛЯ 4-Х СЕКЦИОНН. КЛАПАН ARRANGEMENT, С ЭЛЕКТРОНН. УПРАВЛ-ЕLED ПОДВЕСКА СИСТЕМА (

Схема запчастей Komatsu WA380-6 - ГИДРОЛИНИЯ, ГИДРОЦИЛИНДР КОВША ТРУБЫ (№99-) ГИДРОЛИНИЯ, С ORBIT-ROLL СИСТЕМАУПРАВЛЕНИЯ ПОВОРОТОМ, ДЛЯ 4-Х СЕКЦИОНН. КЛАПАН ARRANGEMENT, С ЭЛЕКТРОНН. УПРАВЛ-ЕLED ПОДВЕСКА СИСТЕМА (
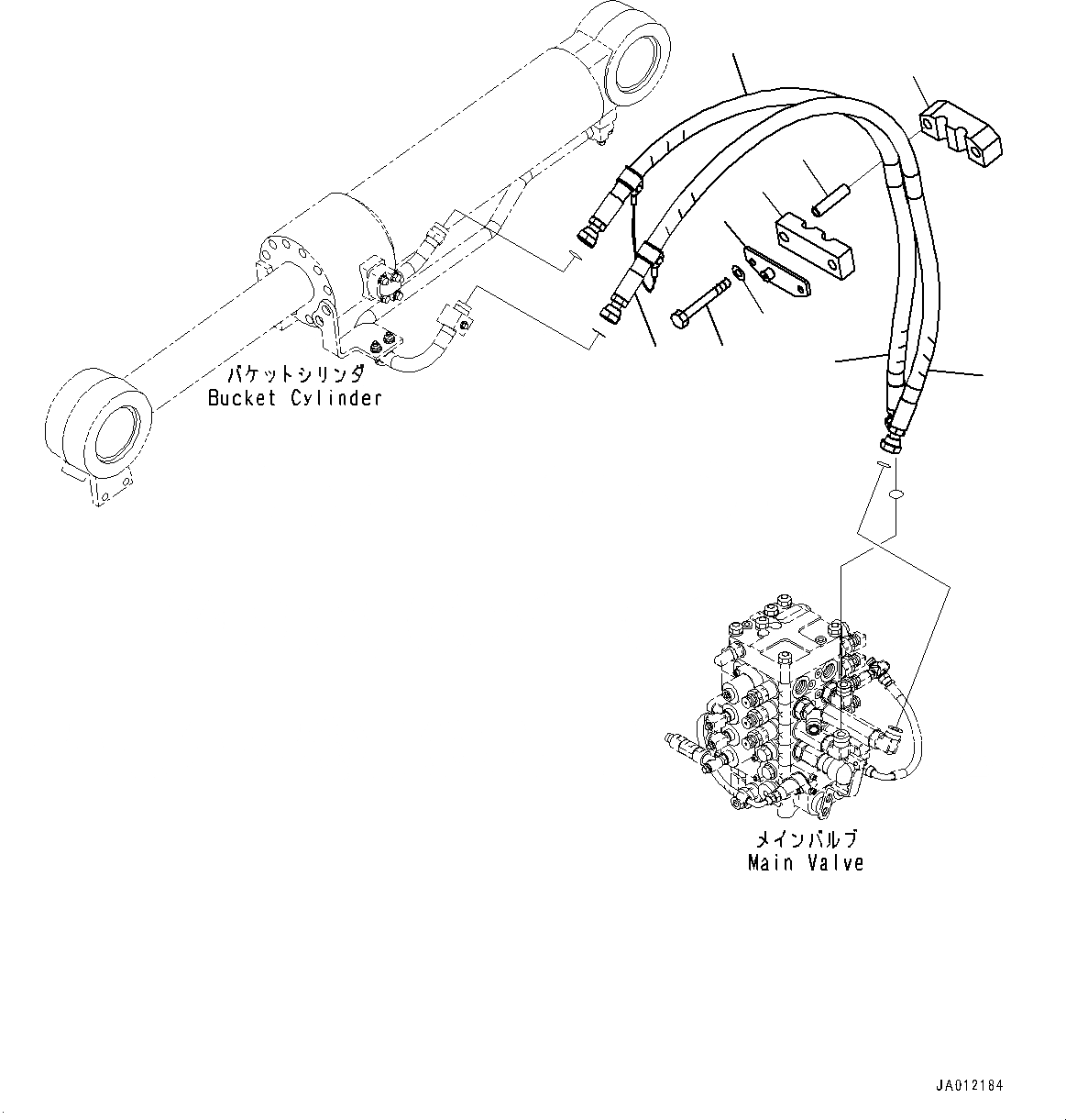
5
4
6
3
8
7
2
1
1
2
FIT
1:1
100%

Артикул

Название

Примечание

Количество

1

02777-00616

Hose, Face Seal Type

SN: 65949-UP

1шт.

2

423-S35-4660

Hose

SN: 65949-UP

1шт.

3

423-62-44170

Rubber

SN: 65949-UP

1шт.

4

423-62-44180

Rubber

SN: 65949-UP

1шт.

5

423-62-44190

Spacer

SN: 65949-UP

2шт.

6

423-62-43650

Plate

SN: 65949-UP

1шт.

7

01011-D1230

Bolt

SN: 65949-UP

2шт.

8

01643-71232

Washer

SN: 65949-UP

2шт.

Выбрано товаров: 0