Качественные детали и логистика
Оригинальные и аналоговые запчасти с доставкой по России, Казахстану и Беларуси
©2022 PartSell ООО "Система" ИНН 2463123282 ОГРН 1212400004838
Центральный офис: г. Красноярск, Академика Киренского, д.87, пом.4
Телефон: 8 (800) 777-65-74 Email: zakaz@partsell.ru
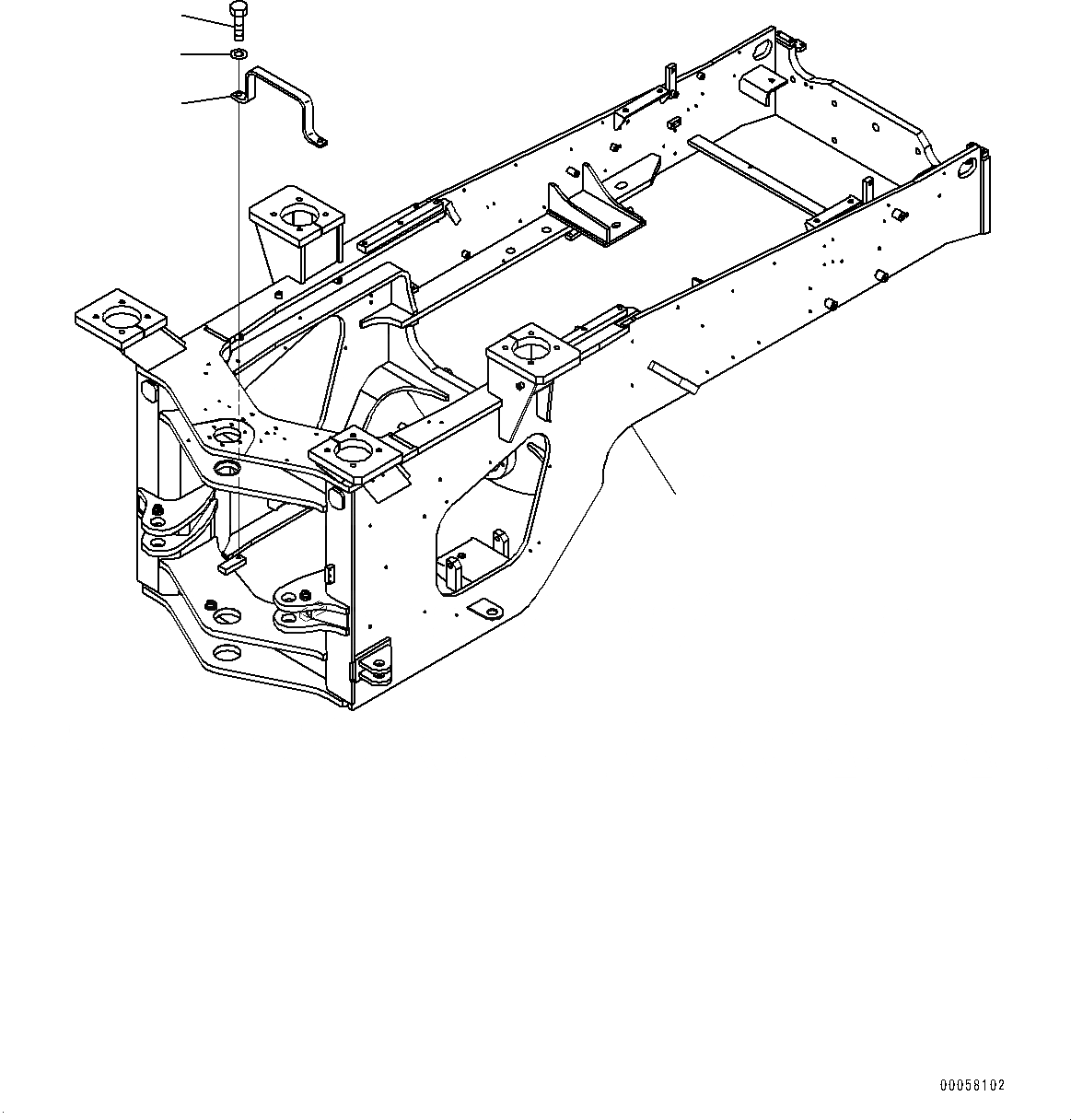
ЗАДН. РАМА (№99-)
№
Артикул
Название
Примечание
Количество
1
423-974-4122
Frame
SN: 66341-UP
1шт.
423-974-4121
SN: 65949-66340
2
423-46-42190
Guard
SN: 65949-UP
3
01010-81435
Bolt
2шт.
4
01643-31445
Washer, Flat
Выбрано товаров: 0