Запчасти Komatsu WA380-6 СОЧЛ. СОЕД. БЛОКИР. BAR И РАМА COVER, ПЕРЕДН. КРЫШКА(№99-) СОЧЛ. СОЕД. БЛОКИР. BAR И РАМА COVER, С 4-Х СЕКЦИОНН. УПРАВЛЯЮЩ. КЛАПАН

Схема запчастей Komatsu WA380-6 - СОЧЛ. СОЕД. БЛОКИР. BAR И РАМА COVER, ПЕРЕДН. КРЫШКА(№99-) СОЧЛ. СОЕД. БЛОКИР. BAR И РАМА COVER, С 4-Х СЕКЦИОНН. УПРАВЛЯЮЩ. КЛАПАН
8
7
6
10
10
12
13
11
9
2
3
5
1
2
3
4
FIT
1:1
100%

Артикул

Название

Примечание

Количество

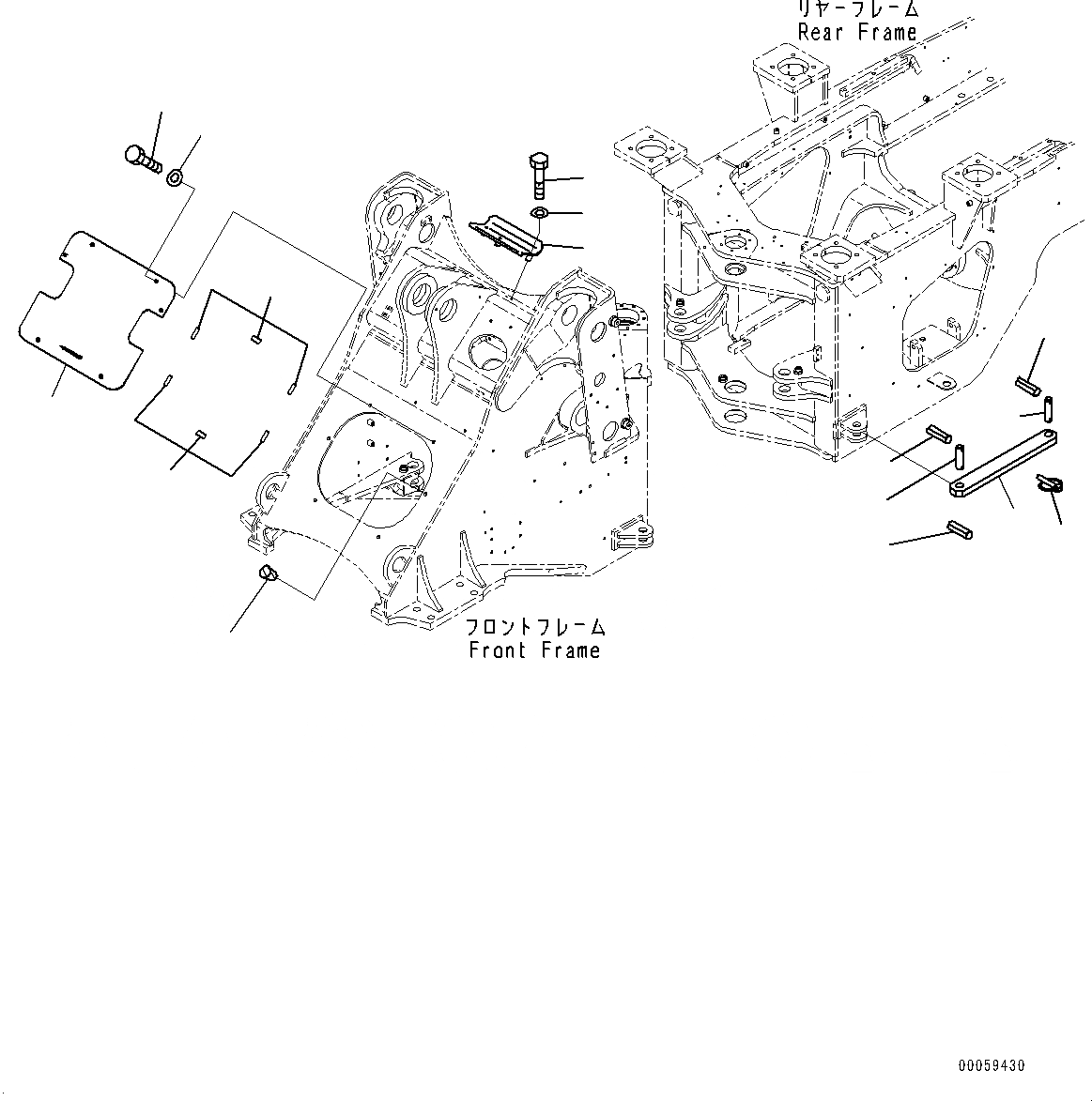
1

421-46-12920

Bar

SN: 65949-UP

1шт.

2

421-46-12721

Pin

SN: 65949-UP

2шт.

3

04025-01065

Pin, Spring

SN: 65949-UP

1шт.

4

04025-01065

Pin, Spring

SN: 65949-UP

1шт.

5

421-46-12740

Pin, Linch

SN: 65949-UP

1шт.

6

423-S35-4110

Cover

SN: 65949-UP

1шт.

7

01010-D1230

Bolt

SN: 65949-UP

4шт.

8

01643-71232

Washer

SN: 65949-UP

4шт.

9

07049-01215

Plug

SN: 65949-UP

2шт.

10

421-09-21420

Sheet

SN: 65949-UP

6шт.

11

423-46-44440

Cover

SN: 65949-UP

1шт.

12

01010-81050

Bolt

SN: 65949-UP

3шт.

13

01643-31032

Washer

SN: 65949-UP

3шт.

Выбрано товаров: 13