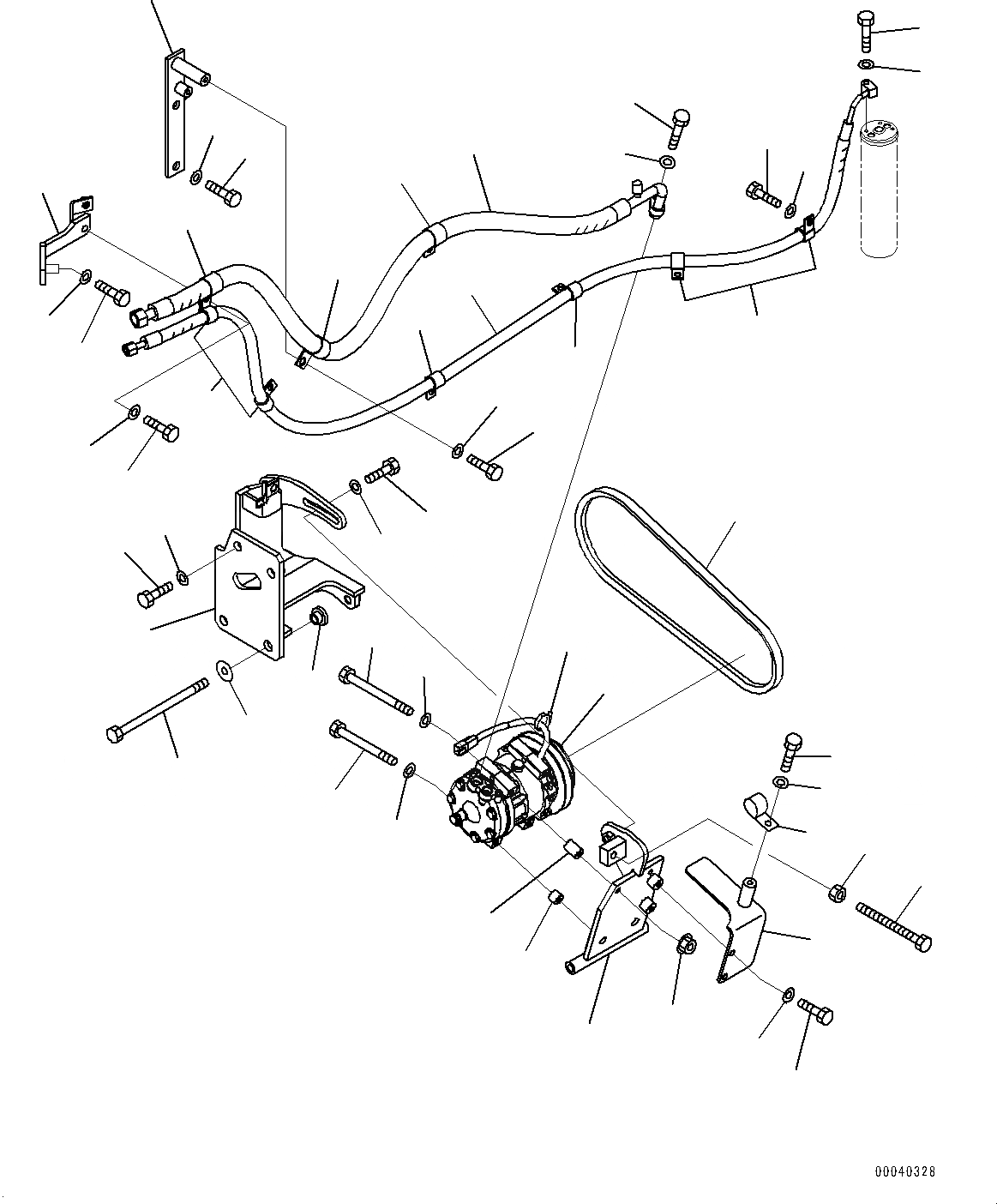
Запчасти Komatsu WA380-6 ТРУБКИ КОНДИЦИОНЕРА (№99-) ТРУБКИ КОНДИЦИОНЕРА, С MONOCOQUE ТИП КАБИНА ROPS

Схема запчастей Komatsu WA380-6 - ТРУБКИ КОНДИЦИОНЕРА (№99-) ТРУБКИ КОНДИЦИОНЕРА, С MONOCOQUE ТИП КАБИНА ROPS
24
26
27
28
30
31
34
35
36
32
33
42
43
26
26
29
29
29
29
41
40
46
45
44
25
11
23
21
20
19
18
17
16
15
14
13
11
10
9
8
7
6
5
4
3
2
37
39
38
1
12
22
FIT
1:1
100%

Артикул

Название

Примечание

Количество

1

423-S62-4330

Compressor Assembly

SN: 65949-UP

1шт.

2

423-S62-4111

Bracket

SN: 65949-UP

1шт.

3

01010-81440

Bolt

SN: 65949-UP

3шт.

4

01643-31445

Washer, Flat

SN: 65949-UP

3шт.

5

423-S62-4121

Bracket

SN: 65949-UP

1шт.

6

419-07-11761

Collar

SN: 65949-UP

1шт.

7

423-S62-3330

Bolt

SN: 65949-UP

1шт.

8

124-54-26540

Washer

SN: 65949-UP

1шт.

9

568-15-15761

Bolt

SN: 65949-UP

2шт.

10

10E-60-25120

Bolt

SN: 65949-UP

2шт.

11

01643-30823

Washer

SN: 65949-UP

4шт.

12

416-07-16110

Spacer

SN: 65949-UP

2шт.

13

416-904-1370

Spacer

SN: 65949-UP

2шт.

14

01584-00806

Nut

SN: 65949-UP

2шт.

15

423-S62-4190

Bolt

SN: 65949-UP

1шт.

16

01580-11411

Nut

SN: 65949-UP

1шт.

17

01010-81235

Bolt

SN: 65949-UP

1шт.

18

01643-31232

Washer

SN: 65949-UP

1шт.

19

423-S62-4510

Bracket

SN: 66070-UP

1шт.

19

423-S62-4130

Bracket

SN: 65949-66069

1шт.

20

01010-81020

Bolt

SN: 65949-UP

2шт.

21

01643-31032

Washer

SN: 65949-UP

2шт.

22

08034-40521

Band

SN: 65949-UP

1шт.

23

04120-21746

V-belt

SN: 65949-UP

1шт.

24

423-S62-4231

Hose

SN: 65949-UP

1шт.

25

423-S62-4241

Hose

SN: 65949-UP

1шт.

26

04434-52712

Clip

SN: 65949-UP

3шт.

27

01010-81025

Bolt

SN: 65949-UP

2шт.

28

01643-31032

Washer

SN: 65949-UP

2шт.

29

04434-51910

Clip

SN: 65949-UP

6шт.

30

01010-81025

Bolt

SN: 65949-UP

5шт.

31

01643-31032

Washer

SN: 65949-UP

5шт.

32

01010-81030

Bolt

SN: 65949-UP

1шт.

33

01643-31032

Washer

SN: 65949-UP

1шт.

34

423-S62-4180

Bracket

SN: 65949-UP

1шт.

35

01010-81225

Bolt

SN: 65949-UP

2шт.

36

01643-31232

Washer

SN: 65949-UP

2шт.

37

04434-52310

Clip

SN: 65949-UP

1шт.

38

01010-81020

Bolt

SN: 65949-UP

1шт.

39

01643-31032

Washer

SN: 65949-UP

1шт.

40

01010-80830

Bolt

SN: 65949-UP

2шт.

41

01643-30823

Washer

SN: 65949-UP

2шт.

42

01010-80630

Bolt

SN: 65949-UP

2шт.

43

01643-30623

Washer

SN: 65949-UP

2шт.

44

423-S62-4250

Bracket

SN: 65949-UP

1шт.

45

01010-81025

Bolt

SN: 65949-UP

2шт.

46

01643-31032

Washer

SN: 65949-UP

2шт.

Выбрано товаров: 0