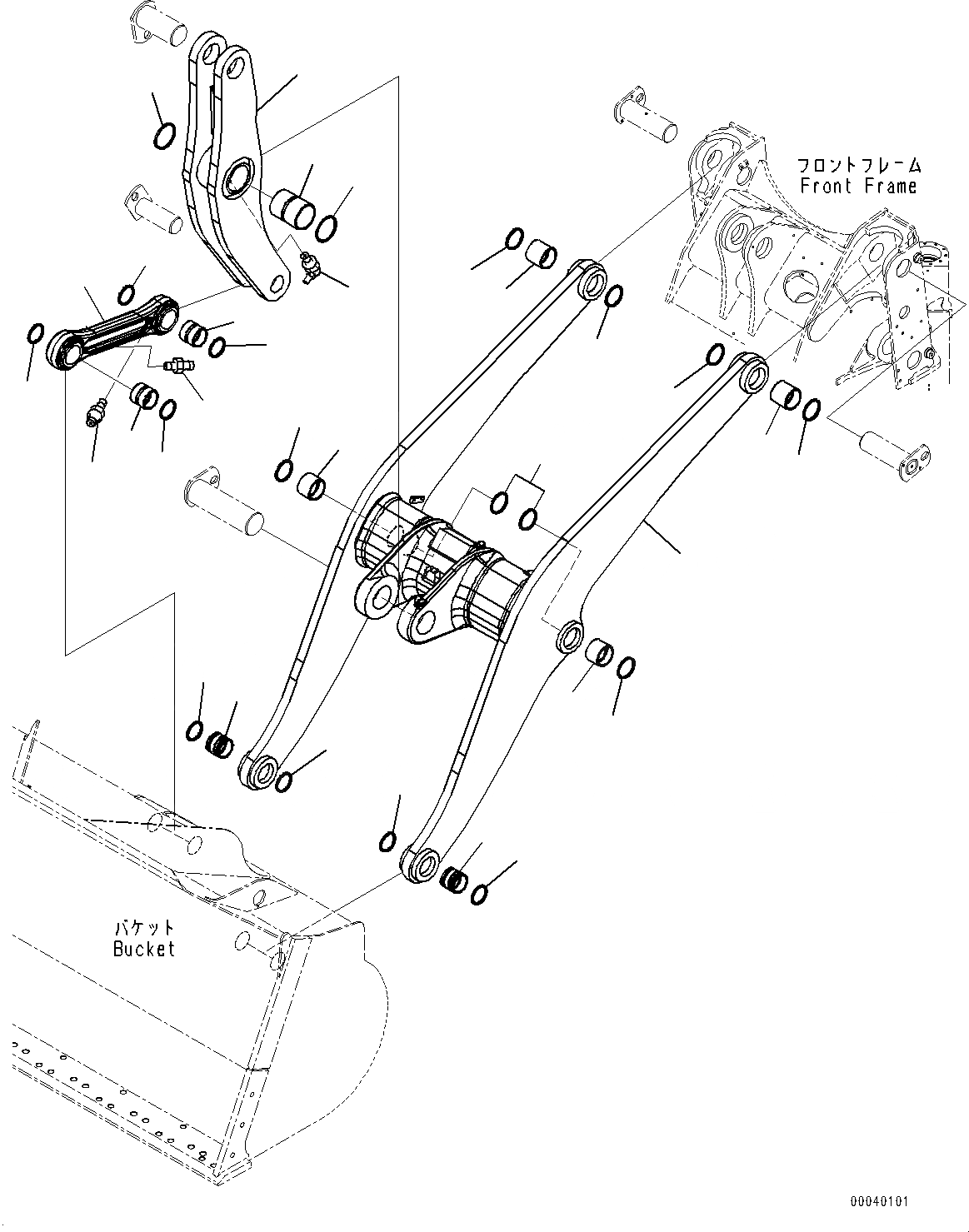
Запчасти Komatsu WA380-6 РУКОЯТЬ И BELL CRANK, СТРЕЛА, BELL CRANK И СОЕДИНИТЕЛЬН. ЗВЕНО (№-) РУКОЯТЬ И BELL CRANK, ДЛЯ 3-Х СЕКЦИОНН. КЛАПАН ARRANGEMENT

Схема запчастей Komatsu WA380-6 - РУКОЯТЬ И BELL CRANK, СТРЕЛА, BELL CRANK И СОЕДИНИТЕЛЬН. ЗВЕНО (№-) РУКОЯТЬ И BELL CRANK, ДЛЯ 3-Х СЕКЦИОНН. КЛАПАН ARRANGEMENT
8
11
13
12
12
13
14
13
13
9
10
14
9
7
6
4
3
6
6
6
6
2
6
6
2
5
5
1
1
5
5
3
FIT
1:1
100%

Артикул

Название

Примечание

Количество

|$0

423-877-4111

Boom

SN: 66024-UP

1шт.

1

423-70-21810

Bushing

SN: 66024-UP

2шт.

2

424-70-11770

Bushing

SN: 66024-UP

2шт.

3

424-70-11890

Bushing

SN: 66024-UP

2шт.

4

Boom

SN: 66024-UP

1шт.

5

424-09-12320

Seal, Dust

SN: 66024-UP

4шт.

6

421-09-11310

Seal, Dust

SN: 66024-UP

8шт.

|$7

423-70-31202

Bell Crank Assembly

SN: 66024-UP

1шт.

7

Bell Crank

SN: 66024-UP

1шт.

8

424-70-11860

Bushing

SN: 66024-UP

1шт.

9

421-09-11350

Seal, Dust

SN: 66024-UP

2шт.

10

07020-00900

Fitting, Grease

SN: 66024-UP

1шт.

10

423-70-31300

Link Assembly

SN: 66024-UP

1шт.

11

Link

SN: 66024-UP

1шт.

12

424-70-11820

Bushing

SN: 66024-UP

2шт.

13

424-09-12320

Seal, Dust

SN: 66024-UP

4шт.

14

07020-00000

Fitting, Grease

SN: 66024-UP

2шт.

Выбрано товаров: 17