Запчасти Komatsu WA380-6 ГИДРОТРАНСФОРМАТОР И ТРАНСМИССИЯ, КОРПУС ТРАНСМИССИИ (№99-) ГИДРОТРАНСФОРМАТОР И ТРАНСМИССИЯ, БЕЗ ЭКСТРЕНН. РУЛЕВ. УПРАВЛЕНИЕ

Схема запчастей Komatsu WA380-6 - ГИДРОТРАНСФОРМАТОР И ТРАНСМИССИЯ, КОРПУС ТРАНСМИССИИ (№99-) ГИДРОТРАНСФОРМАТОР И ТРАНСМИССИЯ, БЕЗ ЭКСТРЕНН. РУЛЕВ. УПРАВЛЕНИЕ
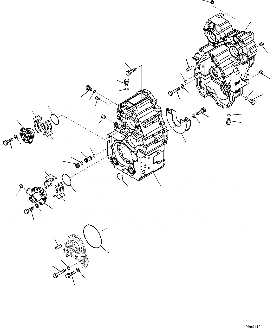
1
2
3
4
5
6
7
27
28
29
33
33
16
17
20
21
22
23
24
25
26
30
31
32
34
35
36
42
41
43
44
45
42
37
15
14
13
12
11
10
9
8
18
19
38
39
40
FIT
1:1
100%

Артикул

Название

Примечание

Количество

|$0

714-12-30003

Transmission Assembly

SN: 65949-UP

1шт.

|$1

714-12-31113

Case,Front

SN: 65949-UP

1шт.

1

Case,Front

SN: 65949-UP

1шт.

2

07040-11007

Plug

SN: 65949-UP

1шт.

3

07002-61023

O-ring, (Kit : K01)

SN: 65949-UP

1шт.

4

07043-70415

Plug

SN: 65949-UP

2шт.

5

07043-70617

Plug

SN: 65949-UP

3шт.

6

07040-12412

Plug

SN: 65949-UP

1шт.

7

07002-62434

O-ring, (Kit : K01)

SN: 65949-UP

1шт.

7

714-12-31123

Case,Rear

SN: 65949-UP

1шт.

8

Case,Rear

SN: 65949-UP

1шт.

9

07043-70108

Plug

SN: 65949-UP

2шт.

10

07043-70617

Plug

SN: 65949-UP

9шт.

11

07040-11409

Plug

SN: 65949-UP

2шт.

12

07002-61423

O-ring, (Kit : K01)

SN: 65949-UP

2шт.

13

07040-11612

Plug

SN: 65949-UP

3шт.

14

07002-61623

O-ring, (Kit : K01)

SN: 65949-UP

3шт.

15

714-12-32960

Plug

SN: 65949-UP

2шт.

16

04020-01228

Pin, Dowel

SN: 65949-UP

2шт.

17

01010-81260

Bolt

SN: 65949-UP

21шт.

18

01011-81215

Bolt

SN: 65949-UP

6шт.

19

01643-31232

Washer

SN: 65949-UP

6шт.

20

07000-75270

O-ring, (Kit : K01)

SN: 65949-UP

1шт.

21

01010-81235

Bolt

SN: 65949-UP

8шт.

22

01643-31232

Washer

SN: 65949-UP

8шт.

23

07000-72080

O-ring, (Kit : K01)

SN: 65949-UP

2шт.

24

01011-81230

Bolt

SN: 65949-UP

7шт.

25

01643-31232

Washer

SN: 65949-UP

7шт.

26

04020-01228

Pin, Dowel

SN: 65949-UP

2шт.

27

714-12-38141

Cage

SN: 65949-UP

1шт.

28

714-12-38162

Sleeve

SN: (103125-UP

1шт.

28

714-12-38161

Sleeve

SN: 65949-(103124

1шт.

29

714-12-38241

Orifice

SN: 65949-(103124

1шт.

30

07000-73022

O-ring, (Kit : K01)

SN: 65949-UP

1шт.

31

07000-72021

O-ring, (Kit : K01)

SN: 65949-UP

1шт.

32

07043-70415

Plug

SN: 65949-UP

1шт.

33

714-07-00010

Shim Assembly, (Kit : K01)

SN: 65949-UP

1шт.

33

Shim, T=0.05mm

SN: 65949-UP

3шт.

33

Shim, T=0.5mm

SN: 65949-UP

3шт.

33

Shim, T=0.2mm

SN: 65949-UP

2шт.

33

Shim, T=0.05mm

SN: 65949-UP

3шт.

33

Shim, T=0.2mm

SN: 65949-UP

2шт.

33

Shim, T=0.5mm

SN: 65949-UP

3шт.

34

07000-72135

O-ring, (Kit : K01)

SN: 65949-UP

1шт.

35

01010-81235

Bolt

SN: 65949-UP

6шт.

36

01643-31232

Washer

SN: 65949-UP

6шт.

37

714-12-34913

Plate

SN: 65949-UP

1шт.

38

01010-81225

Bolt

SN: 65949-UP

2шт.

39

01643-31232

Washer

SN: 65949-UP

2шт.

40

07000-73030

O-ring, (Kit : K01)

SN: 65949-UP

1шт.

41

714-12-38152

Cage

SN: 65949-UP

1шт.

42

714-12-00020

Shim Assembly, (Kit : K01)

SN: 65949-UP

1шт.

42

Shim, T=0.05mm

SN: 65949-UP

6шт.

42

Shim, T=0.5mm

SN: 65949-UP

6шт.

42

Shim, T=0.2mm

SN: 65949-UP

4шт.

43

07000-75120

O-ring, (Kit : K01)

SN: 65949-UP

1шт.

44

01010-81235

Bolt

SN: 65949-UP

6шт.

45

01643-31232

Washer

SN: 65949-UP

6шт.

Выбрано товаров: 0