Запчасти Komatsu WA380-6 ГИДРОТРАНСФОРМАТОР И ТРАНСМИССИЯ, КОРПУС ТРАНСМИССИИ (№99-) ГИДРОТРАНСФОРМАТОР И ТРАНСМИССИЯ, С ГИДРОТРАНСФОРМАТОР БЛОКИР.UP

Схема запчастей Komatsu WA380-6 - ГИДРОТРАНСФОРМАТОР И ТРАНСМИССИЯ, КОРПУС ТРАНСМИССИИ (№99-) ГИДРОТРАНСФОРМАТОР И ТРАНСМИССИЯ, С ГИДРОТРАНСФОРМАТОР БЛОКИР.UP
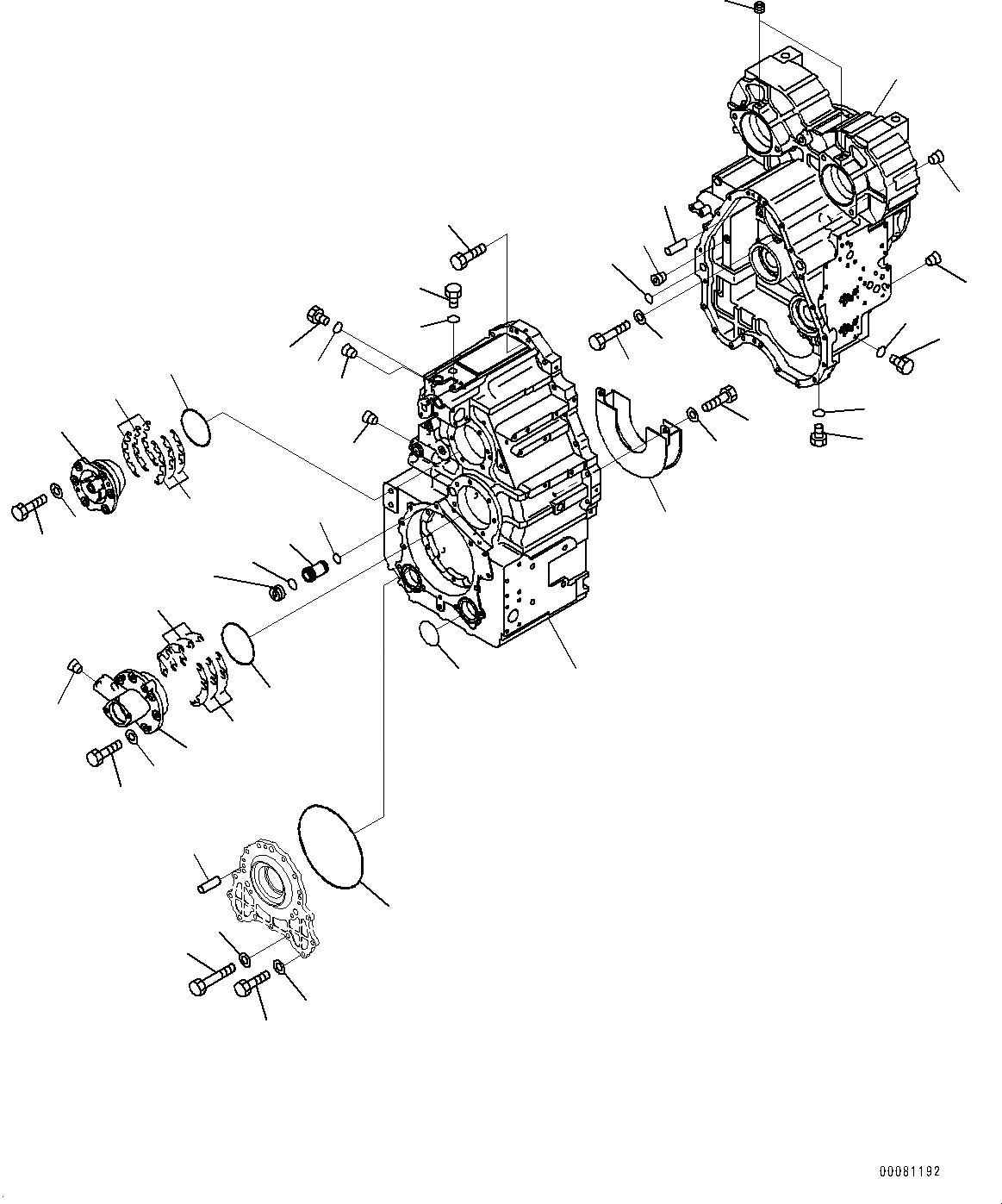
1
2
3
4
5
6
7
28
29
30
34
34
17
18
21
22
23
24
25
26
27
31
32
33
35
36
37
43
42
44
45
46
43
38
16
15
14
13
12
11
9
8
19
20
39
40
41
10
FIT
1:1
100%

Артикул

Название

Примечание

Количество

|$0

714-12-30013

Transmission Assembly

SN: 65949-UP

1шт.

|$1

714-12-31113

Case,Front

SN: 65949-UP

1шт.

1

Case,Front

SN: 65949-UP

1шт.

2

07040-11007

Plug

SN: 65949-UP

1шт.

3

07002-61023

O-ring, (Kit : K03)

SN: 65949-UP

1шт.

4

07043-70415

Plug

SN: 65949-UP

2шт.

5

07043-70617

Plug

SN: 65949-UP

3шт.

6

07040-12412

Plug

SN: 65949-UP

1шт.

7

07002-62434

O-ring, (Kit : K03)

SN: 65949-UP

1шт.

7

714-12-31152

Case,Rear

SN: 65949-UP

1шт.

8

Case,Rear

SN: 65949-UP

1шт.

9

07043-70108

Plug

SN: 65949-UP

2шт.

10

07043-70211

Plug

SN: 65949-UP

2шт.

11

07043-70617

Plug

SN: 65949-UP

9шт.

12

07040-11409

Plug

SN: 65949-UP

3шт.

13

07002-61423

O-ring, (Kit : K03)

SN: 65949-UP

3шт.

14

07040-11612

Plug

SN: 65949-UP

4шт.

15

07002-61623

O-ring, (Kit : K03)

SN: 65949-UP

4шт.

16

714-12-32960

Plug

SN: 65949-UP

2шт.

17

04020-01228

Pin, Dowel

SN: 65949-UP

2шт.

18

01010-81260

Bolt

SN: 65949-UP

21шт.

19

01011-81215

Bolt

SN: 65949-UP

6шт.

20

01643-31232

Washer

SN: 65949-UP

6шт.

21

07000-75270

O-ring, (Kit : K03)

SN: 65949-UP

1шт.

22

01010-81235

Bolt

SN: 65949-UP

8шт.

23

01643-31232

Washer

SN: 65949-UP

8шт.

24

07000-72080

O-ring, (Kit : K03)

SN: 65949-UP

2шт.

25

01011-81230

Bolt

SN: 65949-UP

7шт.

26

01643-31232

Washer

SN: 65949-UP

7шт.

27

04020-01228

Pin, Dowel

SN: 65949-UP

2шт.

28

714-12-38141

Cage

SN: 65949-UP

1шт.

29

714-12-38162

Sleeve

SN: (103125-UP

1шт.

29

714-12-38161

Sleeve

SN: 65949-(103124

1шт.

30

714-12-38241

Orifice

SN: 65949-(103124

1шт.

31

07000-73022

O-ring, (Kit : K03)

SN: 65949-UP

1шт.

32

07000-72021

O-ring, (Kit : K03)

SN: 65949-UP

1шт.

33

07043-70415

Plug

SN: 65949-UP

1шт.

34

714-07-00010

Shim Assembly, (Kit : K03)

SN: 65949-UP

1шт.

34

Shim, T=0.05mm

SN: 65949-UP

3шт.

34

Shim, T=0.5mm

SN: 65949-UP

3шт.

34

Shim, T=0.2mm

SN: 65949-UP

2шт.

34

Shim, T=0.05mm

SN: 65949-UP

3шт.

34

Shim, T=0.2mm

SN: 65949-UP

2шт.

34

Shim, T=0.5mm

SN: 65949-UP

3шт.

35

07000-72135

O-ring, (Kit : K03)

SN: 65949-UP

1шт.

36

01010-81235

Bolt

SN: 65949-UP

6шт.

37

01643-31232

Washer

SN: 65949-UP

6шт.

38

714-12-34913

Plate

SN: 65949-UP

1шт.

39

01010-81225

Bolt

SN: 65949-UP

2шт.

40

01643-31232

Washer

SN: 65949-UP

2шт.

41

07000-73030

O-ring, (Kit : K03)

SN: 65949-UP

1шт.

42

714-12-38152

Cage

SN: 65949-UP

1шт.

43

714-12-00020

Shim Assembly, (Kit : K03)

SN: 65949-UP

1шт.

43

Shim, T=0.05mm

SN: 65949-UP

6шт.

43

Shim, T=0.5mm

SN: 65949-UP

6шт.

43

Shim, T=0.2mm

SN: 65949-UP

4шт.

44

07000-75120

O-ring, (Kit : K03)

SN: 65949-UP

1шт.

45

01010-81235

Bolt

SN: 65949-UP

6шт.

46

01643-31232

Washer

SN: 65949-UP

6шт.

Выбрано товаров: 59